Jump to content

Tiguan 5N2 - 2.0 TDI - 4motion - The New Explorer


Doomy

Postare recomandată

Cam cât ține un kit? Ajunge măcar pentru două aplicări? După detergent ai aplicat hidratantul și apoi nutrientul?

Link către comentariu

@grp depinde cat de mana larga esti , detergentul l-am consumat 1/2 pentru scaunele din fata , nu pentru ca m-am abtinut , dar atat am considerat ca este necesar.  Hidratantul a fost aplicat ultimul  si am consumat tot cam 1/2  din acel tub , iar Nutrientul a fost aplicat penultimul in cantitate foarte mica pentru ca nu are conditie nasoala pielea sa necesite mult . 

Sa zic ca nutrientul iti ajunge de 2 ori pentru toata masina daca pielea e in stare mai rea .  In general , cantitatile care vin in pachete de tip KIT :  de obicei sunt facute sa tina o singura curatare. Si pulverizatoarele de la spray-uri arunca ca la balamuc :icon_cheesygrin:  

Link către comentariu
On 5/6/2021 at 10:07 PM, Doomy said:

Apoi am facut si o Revizie la AC - > de fapt revizia anuala la AC care consta in : scoaterea freonului vechi , extragere tot ulei vechi din sistem , igienizare instalatie , apoi reincarcat sistem si adaugat ulei conform specificatiilor producatorului. 

Diferente sesizabile in mod clar : ulei nou versus ulei vechi 

page1.thumb.jpg.a897a9d0a6cdd231d9e147d3a48cea3b.jpg

 

 

Poti, te rog, sa-mi spui unde anume ai facut aceasta revizie la AC ? Multumesc anticipat

 

Felicitari pentru cum intretii masina.

Link către comentariu

@WTD  Pai este descris procesull choar in quote dat mai sus :  care consta in : scoaterea freonului vechi , extragere tot ulei vechi din sistem , igienizare instalatie , apoi reincarcat sistem si adaugat ulei conform specificatiilor producatorului.

Toate operatiile de mai sus sunt facute de aparatul care este conectat la sistem ,  igienizarea consta intr-un "Flush" de instalatie care se asigura ca este eliminat tot uleiul vechi. Dureaza cam 20 minute estimat tot procesul cat aparatul isi face treaba , acesta anuntand completarea fiecarei etape , inclusiv cat freon a recuperat din sistem

- Se compara cu ce este dat de producator si trebuie sa te afli in limitele normale de consum ale freonului , in cazul meu 50g pe an din total de 660g ( 660g care sunt compuse din 620 g de freon si 40g de ulei (specific pentru acest tip de instaltie AC) . Fix 50g am avut consum si anul trecut , limita data de producator este de 70g pe an  . 

image.thumb.png.7af46e593c53f9da4824f9658cbd4ec6.png

 

Descarcarea uleiului vechi: 

image.thumb.png.1d42f7a37c144d2aa03e083fdc8891f4.png

 

Igienizarea :  In acest proces se face fluh-ul instalatiei , uneori aparatul poate sa ceara si o a doua curatare daca considera necesar in functie de ce iese din sistem. 

image.thumb.png.c23f22097c32d3470830f0dcd13c9432.png

 

Link către comentariu

@Doomy cred ca pe coleg il interesa unde anume ai facut operatiunea, la ce service / firma, nu procesul in sine...sau cel putin eu asa am inteles.

Link către comentariu

@pronet da asa este , cititul pe telefon m-a derutat  :)   ....sau varsta e de vina 

 

@WTD ai pm. 

Link către comentariu

@Doomy lasa-mi si mie un pm cu aceiasi informatie , te rog ( eventual si un pret ) .

Link către comentariu

Mai bine, poate, si pentru alti colegi interesati, postata in zona de service-uri. My 2 cents.

Link către comentariu

@DoomySalut - poti sa imi dai si mie informatia legata de operatia pentru aer conditionat si unde a fost facuta. Un pret. Multumesc frumos anticiat . In DM cred ca este ok ?

Link către comentariu
  • 2 weeks later...

Am eu obiceiul asta sa imi fac singur de lucru , ca deh.... asa se intampla cand nu te documentezi indeajuns de mult .....

 

Mana sus cine face experimente pe propiul explorator(agregat)  ......

tenor.gif.d73c981f284dae97457f8d50b881cf1c.gif

 

Pai , pai , pai .....dupa ce am montat planetara de mai sus , am plecat spre Cluj in urmatoarea zi  , nimic special pana sa ajung pe autostrada din Transilvania ..... am putut sa fac si eu niste depasiri mai in viteza sa se bucure si exploratorul de asfaltul bun din zona asta..... dar in loc sa se bucure au inceput sa ii tremure dintii..... la planetara.....

Am observat ca la accelerarile bruste ....adica Talpa cum sunt cunoscute de majoritatea posesorilor auto ...masina tremura destul de tare , pe masura ce maream viteza si acceleram tremura din ce in ce mai tare......:huh:

 

Am tras pe dreapta intr-o parcare si am inpectat vizual rotile si mai ales lucrarea recent facuta ....parea totul in regula nimic neobisnuit . 

Apoi in aceiasi parcare am incercat sa ma invart pe loc sa vad daca se simte ceva....am constatat ca daca iau curbele cu viteza destul de mare , masina incepe sa faca un balans ciudat si sa tremure exponential cu viteza..... bun......aveam un punct de plecare. 

Am incercat o plecare agresiva de pe loc ( Launch control la manuala ) si m-am speriat ce am simtit........masina a inceput sa sara ca la rodeo.....Wheel Hop la greu!   Era clar ca planetara nou montata are o problema...... efectiv roata din stanga sarea in sus si in jos parca era ciocan pickhammer.  

 

Vai ......cum de mi-a scapat asta cand am facut testele din service .....gandindu-ma mai bine , testele au fost facute la viteze mici , prima parte a drumului a avut doar viteze mici ......doar cand am vrut sa dau mai tare atunci se manifesta......

 

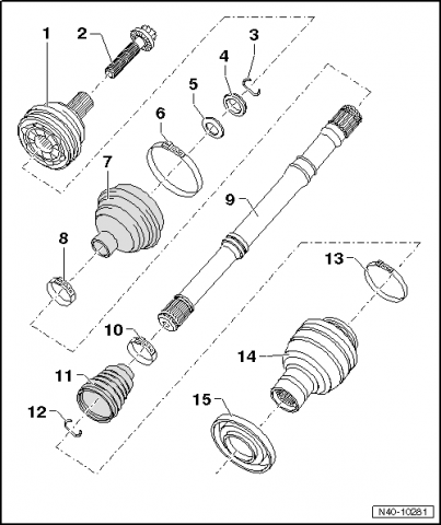
Am plecat spre Cluj , cu zeci de scenarii in cap  .....  de la ce sa fie , ce mi-a scapat .....era identica ca cea veche , lungime ....numar de zimti......doar capul interior era diferit Tripoda vs bile(Rezeppa) ...... 

 

Urmatoarea zi am aflat necunoscuta ecuatiei..... cum de mi-a scapat tocmai mie ....unn detaliu atat de important. 

 

Capul de conectare Tripod are unghi de inclinare cu aproape 20 grade mai mic decat capul de planetara cu bile Rezeppa..........:tuktuk: am gasit informatia asta scrisa de un camarad rus care a incercat ceva similar pe un tiguan 2010......:

page2.thumb.jpg.bc3ea4683961a90b2e4808720b0e50ca.jpg

 

Exploratorul fiind deja inaltat cu arcurile Eibach , cei 4 cm la inaltare tineau permanent capul planetarei tripoda la limita unghiului constructiv......cum acceleram , se ridica botul masinii si automat planetara incepea sa agate in canalele carcasei sale ->  Cam asta este miscarea planetarei Tripode. 

Tripod.thumb.gif.b6ba5bc7404277437ef239ad6e58f150.gif

 

Planetara cu cap bile de tip Rezeppa are o miscare foarte cursiva si mult mai fina cu un unghi de inclinare mai mare , asta inseamna ca nu agata daca este inclinata la limita -> 

Rezeppa.thumb.gif.f8e467a00a828042de0b091dd121484e.gif

 

In momentul cand am realizat asta , am pus mana pe telefon si l-am sunat pe mecanic:

"Ai aruncat planetara veche? 

- Nu, de ce?

Tine-o ca e belita si prezinta umflaturi... 

- Cum adica ?

Asta noua ........bla bla bla( i-am explicat situatia)  

- Cauta una model identic.......o montam cand revin de la Cluj" 

 

Intre timp m-am intors de la Cluj  , fara alte probleme , doar cele descrise mai sus....mers calm , temperat si nu aveam simptome , daca vroiam sa ma dau la ea , tremura de sarea cafeaua din paharul cu capac :))))))))))) 

 

Dupa ce am cautat si eu si mecanicul timp de 1 saptamana planetara model identic cu cea veche , nu am reusit sa gasim una completa acelasi model la 8 producatori diferiti , asa ca am decis sa o reconditionez pe cea veche.  Am gasit una similara dar era de 520 mm in loc de 500mm  ....cu 2 cm mai lunga.....dar am zis stop la experimente , ajunge ....pentru luna Mai cel putin. 

 

Pentru capul exterior a fost simplu de gasit piesa , am pus SKF , dar pentru capul interior cel cu belea .....nu am gasit un alt producator sa aibe acest produs in stoc decat de la marca Pascal.......nu am avut de ales , cu toate ca a fost mai scump ca cel de la SKF , marca asta imi este necunoscuta asa ca tot imi da un sentiment de neliniste cand imi amintesc:   Capete noi , burdufe noi , o-ringuri..... totul in afara de axul principal este nou -> 

page4.thumb.jpg.40b2b4b4938ffb1aecb8d00559edc480.jpg

 

Acesta este capul vechi , cel greu de gasit : 

page3.thumb.jpg.db9384e0824a737dd9d2684022faacd5.jpg

 

Si mai jos este problema care imi cauza mie zgomotele initiale :  una din bile era sparta si erau bucati de metal in interior imprastiate.

page5.thumb.jpg.adc468a9aa552046baacf307f10e5996.jpg

 

 

Acum dupa montatul noii planetare (cea veche reconditionata) , totul a revenit la normal .  Testat de data asta in toate conditiile draconice , dar nu am mai reusit sa reproduc vibratiile anterioare. 

 

Gata , in seara asta dormim fara Xanax  ....era si timpul.

 

:zzzzz:

 

Link către comentariu

Și eu îmi mai dau de lucru când mă mai apucă "hărnicia" câteodată, dar așa cred că are farmec mai mult când totul merge bine. Bine că ai rezolvat că e nasoală problema în zona respectivă. 

Link către comentariu

Nu ne spui unde ai dus sa reconditionezi tu planetara ? Asa grijuliu cum esti tu mereu -> bine ca nu a fost ceva si mai problematic si sa ramai cu ea prin tara.

Link către comentariu

In acelasi service unde am facut si operatia de AC mentionata mai sus. Cand zic reconditionat ma refer la procesul de dezasamblare si reasamblare al planetarei sa fie facut corespunzator , care contine destul de multe piese si necesita o ordine de montare

image.thumb.png.e5bca0d7b467f876f17ea130efaa83c9.png

 

Link către comentariu
  • 1 month later...

Iete ca a mai trecut o luna ,  plina de activitati pentru explorator si pentru mine , am avut treaba prin Cluj si am stat pe drumuri 4 saptamani , timp in care Exploratorul a adunat peste 3000km . 

Planetara este foarte ok , nu mai exista probleme din acel punct de vedere .  Se comporta exemplar nu am ce reprosa, o palcere sa il conduc la drum intins. 

page4.thumb.jpg.c38a99a24d9526aa6860e20c6f8d8134.jpg

 

 

Intre timp lucram la partea de mentenanta 

 

- Nu sunt sigur daca la una din aventuri am spart eu acest capac , cert este ca acest capac de protectie de pe stanga fata era spart si a trebuit sa iau inlocuitor  , trebuia neaparat schimbat deoarece permitea mizeriei sa intre in cavitatile inverioare.   ( am luat stanga/dreapta sa fiu sigur ca si pe viitor nu vor fi probleme )  sunt si ale naibi greu de gasit :

 page1.thumb.jpg.6d492761ba66c4760306e9a2fc173085.jpg

 

 

- Si pentru Trapa avem ceva imbunatatiri pe partea de mententanta :  La inspectia  facuta ultima data am observat ca furtunele de pe fata deja se intarisera dupa 3 ani si ceva de la ultimul schimb .... Asa ca de data asta am luat furtune cu cod din noua generatie ( cea care nu expira)  si in curand le voi monta pe masina. Intarirea furtunelor inseamna un singur lucru-> mustiucul se largeste si permite apei sa intre in masina.  Ca sa evitam si cea mai mica picatura intrata in habitaclu , investim in mentenanta : 

page3.thumb.jpg.6de472f59d0d13be5ede3c3a23d75562.jpg

 

-  Tot trapa este beneficiarul urmatorului produs de pe lista  -> Vaselina de sina OE -> 100ml   .  Nu este facatoare de minuni , dar ma astept sa tina cu 2-3 luni mai mult decat produse similare :

 page5.thumb.jpg.6a3e27257b5f9d0feec1d9a9f08fb6da.jpg

 

In rest toate cele bune , visam la o Grecia in August dar se posibil sa se transforme in Septembrie , in rest drumuri fara numar prin tara asta frumoasa plina de drumuri in lucru si de autostrazi care cer ca taxa de intrare bucse si bielete ........ 

 

Link către comentariu

deci furtunele noi au ceva bucata transparenta adaugata? interesant

 

vaselina originala e aia de culoare gri f inchis? pare grafitata

Link către comentariu

@detinator  furtunele noi care se produc dupa 2018  sunt "one size fits all" adica toate sunt de 2 metri  sa acopere toate modelele VAG din generatia aia ( cel putin asa zice Etka)  Bucata transparenta este doar pentru anumite modele folosibila , la restul se taie furtunul la dimensiunea necesara fiecarui model.

 

Da , vaselina OE este cea gri inchis , dar nu este grafitata .

Cea grafitata este sub forma de spray tub OE si are codul terminatie cu A3  ca cel din imaginea de mai jos ->   acesta este specific doar pentru anumite carenaje de trapa , nu vine compatibil pe seria mea se sasiu :

image.png.2a3a791ee2e5d66c3dfad9a6792bb296.png

 

Link către comentariu

Impartasesti si cu noi codul furtunelor, te rog ? :) La Golf tot am probleme si ma gandesc sa rezolv toata problema din prima. 

Link către comentariu

@qwk sa fiu sincer traiam cu imprsia ca deja il postasem  -_-    5G0 877 228 

 

image.thumb.png.84d17cc991af32b04061226752c1d4a5.png

Link către comentariu

si eu ma avut un capac podea lipsa , l-am inlocuit foarte usor.

nu stiu la tine dar la mine a fost foarte usor si ieftin de cumparat.

 

cu furtunele nu stiu de ce te tot complici sa mergi pe conexiunea din fabrica, dovedit defectuoasa cu atatea modele de furtun si nu pui coliere metalice care garantat nu se largesc si nu scapa.

daca as avea trapa, din prima as taia acele mufe si acele terminatii de la capatul furtunului (care aduna mizeria)

Link către comentariu

@MualeLegat de capace , sunt usor de inlocuit , ieftine de cumparat  , dar greu de gasit la furnizori  .   

 

La furtune , daca nici modelul nou nu va face fata in timp , voi ajunge la concluzia ta  ......  ;) 

Link către comentariu

Continuam lucrarile pe partea de mentenanta .... 


Pentru ca avem niste idei de explorare promitatoare in urmatoarea perioada am decis sa reconditionez cardanul , sa ma asigur ca nu ma va lasa " la greu"  .  Decizia a fost buna , rulmentul intermediar era aproape terminat de tot si avea suportul de ceuciuc rupt . Era rulmentul OE montat de fabrica pe masina. 

page1.thumb.jpg.656d7c18b1ad7da4961d23a7b927c7d0.jpg

page2.thumb.jpg.b9e78b9a3c70471b7f1e3fbcc210382b.jpg

page8.thumb.jpg.36c88e19fe9e2e9df0033a9df2f878d1.jpg

 

Jocul era foarte mare dupa cum se vede in acest film : 

 

Operatia de reconditionare a inclus toti pasii prezentati in filmul de mai jos  la care se adauga si echilibrarea dinamica a acestuia pe aparat special :

 

 

 

De la inspectia bucselor de capete , la aplicarea vaselinei ...pana la ordinea bilelor din interiorul nodului de mijloc .

Bucsele aveau peste 70% din viata ramase ( m-am mirat cand am auzit )  asa ca au ramas montate cele originale : 

page3.thumb.jpg.54f322779ad0abf53e60133c5f9b6e75.jpgpage4.thumb.jpg.1d85848126a7820552e798b6e371865e.jpg

 

Rulmentul folosit a fost OE -  Original VW fara carcasa -> carcasa a fost cea OE de la rulmentul meu , a fost folosita presa cu centrare pentru a introduce noul rulment. 

Echilibrarea finala de dupa reconditionare  a cardanului a cerut doar 34 grame ,  la testarea initiala cardanul avea dezechilibrare de 135 grame , dar asta se datora echilibrarilor OE care in timp s-au corodat si au cazut de pe acesta. page5.thumb.jpg.b0f206408726c082da70b579b6503880.jpg

page7.thumb.jpg.021fa2efbde4a65fabb28edba47afb21.jpg

 

 

Cat masina era pe elevator , am descoperit si doua surprize in anvelopa stanga/spate..... surpriza care m-a ingrijorat intial....

Dar dupa ce am dat anvelopa jos de pe janta am constatat ca aceste doua bucati de fier nu au strapuns anvelopa .........ce pot sa zic.......Cooper conduce cu 1 la 0:cheers: .   

Operatia asta a coincis oricum cu echilibrarea periodica a anvelopelor de 5000km in care le si rotesc intre ele .

 

page6.thumb.jpg.e70e624a5fd84fc13585eeda4393de41.jpg

 

 

Let the exploring begin ! 

 

Link către comentariu
în urmă cu 2 ore, Doomy a scris:

...Operatia de reconditionare a inclus toti pasii prezentati in filmul de mai jos  la care se adauga si echilibrarea dinamica a acestuia pe aparat special...

 

Cum s-a facut echilibrarea dinamica, ai documentat si asta pe video?

Este incurajator ca ai gasit un service sa aiba toate SDV-urile necesare si sa nu fie dealer.

 

Cati km ai acum?

Link către comentariu

@Dolfin din pacate pe video nu am documentat deoarece masinaria era intr-o camera separata , datorita regulilor de protectie a muncii nu aveam voie sa intru , am tras doar cu ochiul ocazional . 

 

Procesul nu este foarte diferit de cel in care se echilibreaza o anvelopa numai ca masina folosita arata asa

image.thumb.png.1d1f0f9f2572abae44b321996bbe66f7.png

 

- Cardanul este prins la capete , in bucsele care se doreste echilibrat. Aparatul are un program care il tensioneaza mai intai sa vada rezistenta bucselor si el iti da verdictul. 

- Dupa aceasta operatie , cardanul este invartit cu viteza mica iar in acest timp un operator il freaca cu diverse unelte ( perie de sarma , smirghel...etc) sa il curete de rugina si impuritati. 

- Apoi dupa ce se asigura ca este curat trece la echilibrare , ruleaza un program si masina il invarte in diferite directii pentru a stabili daca este nevoie de echilibrare. 

- Pentru echilibrare foloseste bucatele de otel pe care le sudeaza de cardan , le cantareste cu un cantar micut , le taie la dimensiune , le sudeaza apoi ruleaza testul de echilibrare .  La final face cateva puncte de sudura doar de compensare a greutatii cauzate de aceasta.  Din 3 incercari iese cu verde OK de pe masinarie. 

image.thumb.png.8e32566a7380ac6bf292efe03cb9b27b.png

- Dupa aceasta operatie este vopsit pentru a preveni cat se poate de mult coroziunea. 

- La final este montat pe semnele date in procesul de demontare. 

 

De service-uri de cardane nu duce lipsa Bucurestiul , sunt chiar multe si sincer sa fiu nu cred ca exista unul fara masina de echilibrat. In caz contrar s-ar sesiza clientii in primii km de cand ies pe usa lor. 

 

Acum am ~136.000 km 

Link către comentariu

Pentru a adăuga comentarii este necesară înregistrarea sau autentificarea

Trebuie să aveţi un cont de membru pentru a adăuga comentarii

Înregistrare membru

Înscrierea unui nou cont de membru. Este foarte uşor!

Înregistrare cont nou

Autentificare

Aveţi deja un cont de membru? Conectaţi-vă aici.

Autentificare în cont
  • Activi pe această pagină   0 membri

    • Niciun utilizator înregistrat nu vizualizează această pagină acum.
×
×
  • Create New...

 Functionarea acestui site este sustinuta de cele cateva bannere afisate intre posturi. Ar fi o placere pentru noi daca ar fi adaugat site-ul nostru in lista de exceptii ad-block in browserul tau. Promitem si veti vedea ca nu avem reclame intruzive si nici deranjante (nimic cu sunet,video sau all-screen). Multumim!