Jump to content

Probleme inchidere centralizata (usi blocate, switch-uri nefunctionale, etc.)


Adi64
 Share

Postare recomandată

SA economisim din timpul tau, dar la al nostru se gandeste cineva ?

 

Link către comentariu
Distribuie pe alte siteuri

  • 1 month later...

Rog frumos un sfat de la cineva mai priceput ca mine in legatura cu inchiderea centralizata la un Polo vechi - tip 9N de 1,2litri, motor AZQ din 2001:

Am un defect, probabil in usa soferului:

1. nu se mai aprinde plafoniera la deschiderea ei decat foarte rar si aleatoriu (la deschiderea usii pasagerului plafoniera functioneaza fara cusur);

2. portbagajul ramane inchis cand vreau sa ridic capota lui imediat dupa oprirea masinii, astfel ca trebuie sa deschid repede oricare din celelalte trei usi ca sa se deblocheze si portbagajul, sau sa-l deschid cu cheia, ceea ce ma enerveaza si-mi consuma timpul.

Am tras concluzia ca incuietoarea portbagajului - care se blocheaza automat in mers - ar trebui in mod normal sa se deblocheze tot automat la oprirea masini, comandata de deschiderea cel putin a uneia din cele patru portiere, iar in cazul meu tocmai portiera soferului nu da comanda deblocarii portbagajului (probabil usa soferului e cea mai uzata dintre toate, masina avand peste 200 mii km facuti in Germania).

Broasca portbagaj a fost inlocuita de mine cu rabdare si nu cred sa aiba probleme.

Am reusit cu pasiune, singur sau la service, sa rezolv foarte multe probleme ale masinutei de care sunt foarte atasat.

Masina arata dupa mine foarte bine, se conduce ca o jucarie si n-as vrea in ruptul capului sa renunt la ea, ceea ce m-a facut sa investesc multi bani de ex. in refacerea tablariei si multe alte reparatii mai mici care o fac sa functioneze excelent.

De data asta as cere la un service sa-mi rezolva problema din usa soferului - nu se da o comanda de acolo, dar ce ar trebui inlocuit?

Sper ca m-am facut inteles.

Multumesc!

Link către comentariu
Distribuie pe alte siteuri

Broasca defecta sau firele de la ea la modulul de confort.

Link către comentariu
Distribuie pe alte siteuri

Multumesc frumos Domnule Al Bundy, o sa merg la service sa vad ce posibilitati mai sunt dupa atatia ani de inlocuit broasca soferului.

Cu stima!

Link către comentariu
Distribuie pe alte siteuri

  • 1 month later...

Salutare,

am probleme cu inchiderea din telecomanda la un polo 9n din 2002, a in ceput sa mearaga intermitent iar acum deloc

pe tester nu apare nici o eroare legata de inchidere, dar nu ma pot conecta decat pe modulul 9 central electrics nu si pe cental locks

acum inchid si deschid din butuc, dar la pornirea masinii tipa alarma pentru scurt timp

ce problema poate fi?

Multumesc!

 

Link către comentariu
Distribuie pe alte siteuri

On 7/18/2020 at 4:04 PM, Meteor-XL5 said:

Rog frumos un sfat de la cineva mai priceput ca mine in legatura cu inchiderea centralizata la un Polo vechi - tip 9N de 1,2litri, motor AZQ din 2001:

Am un defect, probabil in usa soferului:

1. nu se mai aprinde plafoniera la deschiderea ei decat foarte rar si aleatoriu (la deschiderea usii pasagerului plafoniera functioneaza fara cusur);

2. portbagajul ramane inchis cand vreau sa ridic capota lui imediat dupa oprirea masinii, astfel ca trebuie sa deschid repede oricare din celelalte trei usi ca sa se deblocheze si portbagajul, sau sa-l deschid cu cheia, ceea ce ma enerveaza si-mi consuma timpul.

Am tras concluzia ca incuietoarea portbagajului - care se blocheaza automat in mers - ar trebui in mod normal sa se deblocheze tot automat la oprirea masini, comandata de deschiderea cel putin a uneia din cele patru portiere, iar in cazul meu tocmai portiera soferului nu da comanda deblocarii portbagajului (probabil usa soferului e cea mai uzata dintre toate, masina avand peste 200 mii km facuti in Germania).

Broasca portbagaj a fost inlocuita de mine cu rabdare si nu cred sa aiba probleme.

Am reusit cu pasiune, singur sau la service, sa rezolv foarte multe probleme ale masinutei de care sunt foarte atasat.

Masina arata dupa mine foarte bine, se conduce ca o jucarie si n-as vrea in ruptul capului sa renunt la ea, ceea ce m-a facut sa investesc multi bani de ex. in refacerea tablariei si multe alte reparatii mai mici care o fac sa functioneze excelent.

De data asta as cere la un service sa-mi rezolva problema din usa soferului - nu se da o comanda de acolo, dar ce ar trebui inlocuit?

Sper ca m-am facut inteles.

Multumesc!

Aceelasi simptome le-am avut si eu, dar pe langa astea se inchidea si se deschidea toata masina in mers cand avea chef, la o groapa, la o curba, cum ii pica ei bine. Problema s-a rezolvat schimband switchul din broasca. E ceva de munca pana ajungi sa dai jos broasca, si switchul e legat prin 2 fire la boasca. Daca vrei sa o faci cum trebuie desfaci electronica si cositoresti firele de la noul switch, eu le-am taiat si adaugat. Daca tot am dat jos broasca am si curatat-o si gresat-o ca sa fiu linistit. 

 

2 hours ago, iulygolf said:

Salutare,

am probleme cu inchiderea din telecomanda la un polo 9n din 2002, a in ceput sa mearaga intermitent iar acum deloc

pe tester nu apare nici o eroare legata de inchidere, dar nu ma pot conecta decat pe modulul 9 central electrics nu si pe cental locks

acum inchid si deschid din butuc, dar la pornirea masinii tipa alarma pentru scurt timp

ce problema poate fi?

Multumesc!

 

Poti incerca sa vezi la modul daca nu a ajuns cumva apa sau ceva sa fie coroziune in mufa. Posibil sa te fi lasat si modulul, dar daca zici ca din cheie in butuc ti se deschide masina integral, posibil sa fie si din cheie. Incearca cu cea de rezerva daca e tot cu telecomanda. Modulul e simplu de ajuns la el, dai jos tubulatura aia de deasupra pedalelor si ai acolo un modul negru cu 2 mufe in el(3 daca ai si alarma cu senzori interiori). 

Link către comentariu
Distribuie pe alte siteuri

Mmveracruz, nu merge nici cheia de rezerva

mufele de la modul arata bine, sunt curate, posibil sa fie modulul cum ai spus

daca gasesc unul si e bun trebuie sa-l vad in vcds, nu?

Link către comentariu
Distribuie pe alte siteuri

Da, ideea e sa fie acleasi cod, cu E la urma daca tin bine minte pentru inchidere cu telecomanda. E plug n play, adica il poti accesa din VCDS

Link către comentariu
Distribuie pe alte siteuri

mmveracruz, ai avut dreptate, modulul a fost de vina

acum merge, doar ca a trebuit recodat

Multumesc!

Link către comentariu
Distribuie pe alte siteuri

  • 3 months later...

Salutare grup. Am un Polo 1,4 tdi din 2003, modelul cu doua usi. De curand usa din dreapta nu se mai deschide din telecomanda. Cum as putea debloca usa. Precizez ca usa din stanga se deschide dar masina nu o "vede" ca fiind deschisa. Daca nu bag cheia in contact se inchide la loc dupa 12 secunde.

Cum as putea remedia ? Multumesc

Link către comentariu
Distribuie pe alte siteuri

Schimbare switch, refacere lipituri reci pe placa yalei.

 

Bate in usa in zona yalei, acționează descuiat si poate se deschide. 

 

Daca se deschide, atunci trebuie data jos yala imediat si reconditionat 

Link către comentariu
Distribuie pe alte siteuri

  • 2 weeks later...

Buna seara. Ma confrut si eu cu o problema la masina vw polo 9n, 14 benzina, an 2003.  Am martorul de la porbagaj care imi ramane un pic aprins cand iau contactul, swicth de la porbagaj fuctioneaza, in schimb am swicth de pe usa de la sofer care nu merge. E posibil sa fie in scurt cel de pe usa la sofer sau ce poate fi va multumesc

Link către comentariu
Distribuie pe alte siteuri

Nu, verifica cablaj portbagaj, in manson cauciuc si yala portbagaj

Link către comentariu
Distribuie pe alte siteuri

  • 1 month later...

Am un polo din 2002 9N motor 1.9 tdi... la care a trebuit sa schimb toate broastele de la portiere ca nu se deschideau din telecomanda de la cheie. Trebuia apasat de vreo 3..4 ori pe buton ca sa se deschida. Dupa demontarea si montarea broastelor(second) totul functiona normal, cand in dimineața urmatoare nu a mai vrut sa functioneze motorasul de la deschiderea de pe haion... 

Am masurat curentul de la mufa care duce la el si am 2,6 volți. Nu stiu daca e normal.... 

Nu am pus-o pe tester sa vad ce zice... Voi ce parere ati avea? 

Ps: am conectat motorasul la baterie externă și functioneaza. Sigurante nu am nici una arsă...

Link către comentariu
Distribuie pe alte siteuri

Verifica cablajul de la hayon ,etc

Link către comentariu
Distribuie pe alte siteuri

Pe mufa care merge la motoras are doar doua fire: unul maro(masa) iar celalalt albastru/rosu(sper sa nu gresesc). Daca pun sondele multimetrului (setat pe continuitate)pe mufa deconectata de la motoras imi dă semnal că are continuitate... si nu mi se pare normal. 

Nu ar trebui sa fie undeva la 12 volti cand actionez manerul haionului?

E ca si cum as avea masa si pe maro dar si pe albastru/rosu... 

Am făcut o scanare cu delphi..

 

-01336 Can bus confort

-un fir

-permanent

 

 

-01324 four wheel drive control unit

-No comunication

-Permanent

 

-00511 Maneta schimbator

-No comunication

-Permanent

 

-01135 Monitorizare senzori compartiment

-Open circuit

-Intermitent

Link către comentariu
Distribuie pe alte siteuri

Cand apesi si comanda actuatorul,  cu lampa de control sau multimetrul, pe un fir plus, pe celalalt minus

Link către comentariu
Distribuie pe alte siteuri

Eu cred ca nu stii ce si cum sa masori. IA o lampa de control si fa ce a spus Florin mai sus.

Link către comentariu
Distribuie pe alte siteuri

Lampa de control nu se aprinde cand actionez manerul. 

Pe firele de la actuator(motor) multimetrul indica 02,96 volti.

Cand actionez manerul haionului multimetrul indica 00.00 volti DC.

Mentionez ca defectul a survenit in urma schimbarii broastelor de la toate cele 4 portiere care acum functioneaza perfect la inchiderea centralizata.

Modificat de DaniPD
Link către comentariu
Distribuie pe alte siteuri

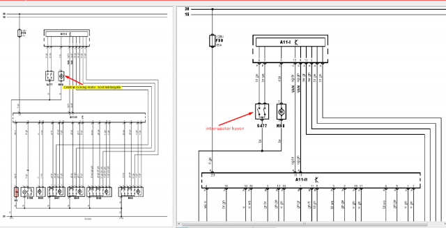
Salut,

 

uite o schema mai jos.

Cind apesi pe butonul de la hayon (s477 pe schema de mai jos) pe firul rosu/albastru trebuie sa vina plus, eu asa inteleg.

Pe firul maro vine minus tot timpul, fiind legat la masa, ca si intrerupatorul.

Daca nu vine plus pe rosu/albastru probabil ca este intrerupt. Vezi ca uneori se rupe doar firul metalic si plasticul ramine intact, te fenteaza, zici ca e bun si de fapt nu e, masoara cu aparatul sau trage de el mai ales daca trece prin burduf, de obicei acolo se intrerupe.

Screenshot_5.png

Link către comentariu
Distribuie pe alte siteuri

Multumesc de sfaturi "alinfa".

Schema am gasit-o si eu in autodata..

Si eu inteleg la fel ca tine...si logica imi spune la fel...adica... -pe firul rosu/albastru trebuie sa vin plus. (cati volti nu stiu)

in seara asta am pus VCDS-ul pe masina si a dat cateva erori

Am pus-o aici sa vedeti si voi. 

Ba mai mult... dupa ce am dat o scanare sa vad erorile...am zis ca hai sai fac o verificare actuatori.

zis si facut: si softul a luat-o la rand... claxon...stergatori...lumini interioare,.. etc...si a ajuns si la actuator haion pe care...surpriza... l-a deschis. 

numai ca dupa ce l-am inchis din nou iar nu s-a mai deschis.

Ma gandesc ca poate trebuie adaptat cumva...reprogramat... nu stiu...

Mai fac investigatii si voi veni cu noutati.

Daca cineva are vreo idee...e liber s-o impartaseasca. Orice e binevenit.

polo.png

Link către comentariu
Distribuie pe alte siteuri

Sint de parere ca e doar o intrerupere pe circuit - ori pe firul care vine de la masa pina la buton, ori buton,ori de la buton la modul ori de la modul la motoras.

Modificat de alinfa
Link către comentariu
Distribuie pe alte siteuri

Verifica si daca modulul de confort vede cand apesi manerul de deschidere.

 

Link către comentariu
Distribuie pe alte siteuri

Aveți idee unde se găsește modulul de confort...

Undeva pe sub volan cred...dar nu stiu exact...

Multumesc anticipat...

Link către comentariu
Distribuie pe alte siteuri

Pentru a adăuga comentarii este necesară înregistrarea sau autentificarea

Trebuie să aveţi un cont de membru pentru a adăuga comentarii

Înregistrare membru

Înscrierea unui nou cont de membru. Este foarte uşor!

Înregistrare cont nou

Autentificare

Aveţi deja un cont de membru? Conectaţi-vă aici.

Autentificare în cont
 Share

  • Activi pe această pagină   0 membri

    • Niciun utilizator înregistrat nu vizualizează această pagină acum.
×
×
  • Create New...

 Functionarea acestui site este sustinuta de cele cateva bannere afisate intre posturi. Ar fi o placere pentru noi daca ar fi adaugat site-ul nostru in lista de exceptii ad-block in browserul tau. Promitem si veti vedea ca nu avem reclame intruzive si nici deranjante (nimic cu sunet,video sau all-screen). Multumim!