Jump to content

Probleme ax cu came 1.9 tdi


Alexandru P
 Share

Go to solution Solved by Bogdan.C,

Postare recomandată

Neaparat cureaua, nu e scumpa, restul nu e problema merg inca o tura.

Link către comentariu
Distribuie pe alte siteuri

22 minutes ago, vally_look said:

Păi să vedem: azi mi-au ajuns prin FanCurier noul injector și oring-urile pentru injectoare. Mâine sper să-mi ajungă și chiulasa. Voiam să știu dacă pe chiulasa repectivă trebuie montate simeringuri/garnituri noi (în afară de garnitura de chiulasă, pe care oricum o voi cumpăra din magazin) sau pot monta chiulasa exact așa cum vine? Cât despre distribuție....nu am bani și pentru asta. Crezi că dacă am 60k de km făcuți deja, trebuie să o schimb? Multumesc.

schimba macar cureaua e 120 de lei ea singura , in caz ca se va defecta vreo rola incepe sa huruie 

Modificat de yoh01
Link către comentariu
Distribuie pe alte siteuri

Nu iti recomand sa pui nimic nou la chiulasa, decat daca e OEM. Nu pune ieftineli.

Cureaua se schimba neaparat. Stiu om patit exact din acelasi lucrari care le faci tu. Fumega la relanti(simeringuri ieftine) si apoi i-a sarit si cureaua cativa dinti.

Link către comentariu
Distribuie pe alte siteuri

  • 3 weeks later...

Salut! Unde se afla pozitionat senzorul ax came la 1.9 tdi pd?

Multumesc!

Link către comentariu
Distribuie pe alte siteuri

C o s m i n

Unde poate fi decat lângă axa cu came.

Dai jos capacul distribuției și îl vezi lângă pinion.

Link către comentariu
Distribuie pe alte siteuri

A montat cineva   Performance / Race Camshaft Kit for 1.9 & 2.0 8v PD Engines  de pe siteul darksidedevelopments ? 

Billet_Race_PD_Cam__54752.1384436031.800.600.jpg

Cam_Comparison__70986.1414674887.800.600.jpg

Link către comentariu
Distribuie pe alte siteuri

Si cat ar costa tot kitul asta?

Link către comentariu
Distribuie pe alte siteuri

Costa  £650 destul de mult cred 

Link către comentariu
Distribuie pe alte siteuri

Foarte mult,4000 lei,Nu cred că merită investiția.Pai gandeste-te ca un ax bun,gen Kolbenschmid,costa până la 700 lei,depinde de motorizare,tacheti INA 35 lei(x8), garnitura Elring din capul axului maxim 40 lei,cuzineti Glyco în jur de 400 lei,un total de 1400 lei aproximativ,deci până la 4000 lei ai treaba.

Link către comentariu
Distribuie pe alte siteuri

Salut. Vreau sa schimb semeringurile la supape+tachetii. Axa cu came ramane cea veche. Antrebarea este trebue schimbati si cuzinezii axei sau ài pot refolosi pe cei vechi bineanteles punandui pe fiecare àn aceiasi pozitie.Mersi...

Se scrie î:

la începutul cuvântului: înger, învățător, întrebare etc.

la sfârșitul cuvintelor: coborî, urî, hotărî etc.

în interiorul cuvintelor compuse în care un element începe cu î: bineînțeles (bine + înțeles)

 în interiorul derivatelor cu prefixe de la cuvinte de bază care încep cu î-: neînțeles(ne+înțeles), neîndemânatic (ne+îndemânatic), neîncredere (ne+încredere), preîntâmpina(pre+întâmpina) etc.

Modificat de C o s m i n
Grea limba romana
Link către comentariu
Distribuie pe alte siteuri

Daca sunt uzati ,da ,trebuie inlocuiti . Ia in calcul si inlocuirea tachitilor daca au un joc mai mare de 0,2mm

Link către comentariu
Distribuie pe alte siteuri

  • 1 month later...

Salutari !

Passat 2001 AVF 250.000 km.

In iarna am schimbat injectoarele AA (tremura motorul, pornea greu) cu unele SH (cred BA) cu valori pana in +/- 0,7. Dupa aceasta schimbare la relanti consumul afisat e de 2-2,2. Mentionez ca nu am modificari majore la consumul mediu (metoda plin-plin la rezervor) care e in jur de 6,5 l/100 km. Circul pe distante scurte si destul de mult in oras.

De aproximativ o luna am probleme dupa ce motorul se incalzeste bine. Masina porneste foarte greu (cheie lunga) si la 2000-2200 rpm motorul tremura foarte tare incat se transmite in toata masina si nu are putere indiferent in ce treapta de viteze este. Dupa ce reuseste sa creasca turatia peste acest interval, trage destul de bine. De asemenea la pornirea de pe loc cu motorul cald nu are putere, nu se tureaza decat foarte greu, insa cand reuseste sa se tureze peste 2200 rpm dupa vreo 5 secunde accelereaza violent.

La rece porneste foarte usor.

Mecanicul sustine ca axul cu came e uzat. In iarna cand am inlocuit injectoarele nu am observat uzura foarte mare.

Va rog sa imi dati un sfat. Multumesc.

Link către comentariu
Distribuie pe alte siteuri

De ce am impresia ca injectoarele nu sunt de AVF . Care e codul celor puse ? (AA ,BA...NU sunt coduri )

Link către comentariu
Distribuie pe alte siteuri

Nu stiu sa va spun codul Bosch, AA sau BA e terminatia.

Injectoarele au fost demontate de pe o masina adusa din UK in fata mea. Motorul era AVF.

Link către comentariu
Distribuie pe alte siteuri

Daca ai pus cu BA nu sunt compatibile cu calc de motor. Iti trebuie calc de motor de avf dupa 2003.

Link către comentariu
Distribuie pe alte siteuri

8 hours ago, bysus said:

Daca ai pus cu BA nu sunt compatibile cu calc de motor. Iti trebuie calc de motor de avf dupa 2003.

Nu reiese din primul meu post, dat din decembrie pana in mai masina a functionat foarte bine, consumul era rezonabil, singurul lucru ciudat era consumul afisat la relanti, motiv pentru care nu am facut nimic nefiind deranjant pentru mine.

Acum e altceva, masina merge prost si nu ma pot baza pe ea la drumuri lungi.

Link către comentariu
Distribuie pe alte siteuri

On 23/6/2016 at 21:10, Ciucur a scris:

Salutari !

Passat 2001 AVF 250.000 km.

In iarna am schimbat injectoarele AA (tremura motorul, pornea greu) cu unele SH (cred BA) cu valori pana in +/- 0,7. Dupa aceasta schimbare la relanti consumul afisat e de 2-2,2. Mentionez ca nu am modificari majore la consumul mediu (metoda plin-plin la rezervor) care e in jur de 6,5 l/100 km. Circul pe distante scurte si destul de mult in oras.

De aproximativ o luna am probleme dupa ce motorul se incalzeste bine. Masina porneste foarte greu (cheie lunga) si la 2000-2200 rpm motorul tremura foarte tare incat se transmite in toata masina si nu are putere indiferent in ce treapta de viteze este. Dupa ce reuseste sa creasca turatia peste acest interval, trage destul de bine. De asemenea la pornirea de pe loc cu motorul cald nu are putere, nu se tureaza decat foarte greu, insa cand reuseste sa se tureze peste 2200 rpm dupa vreo 5 secunde accelereaza violent.

La rece porneste foarte usor.

Mecanicul sustine ca axul cu came e uzat. In iarna cand am inlocuit injectoarele nu am observat uzura foarte mare.

Va rog sa imi dati un sfat. Multumesc.

Consumul mare la relantiu se datoreaza IQ -ului care trebuia reglat dupa schimbarea injectoarelor. Controleaza cureaua de distributie poate sa slabit  si a sarit de un dinte...Bata

Link către comentariu
Distribuie pe alte siteuri

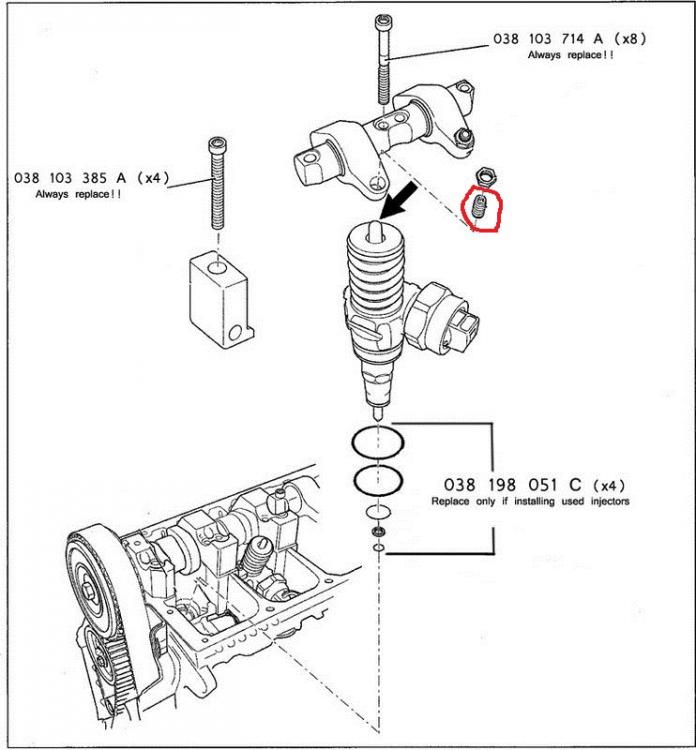
Azi am verificat axul cu came. Arata bine zic eu, cu uzura uniforma. La masuratoarea cu sublerul uzura era de maxim 0.2 mm (am comparat cu unul nou).

A aparut o eroare la injectorul 2 si corectia e +3. Vad maine ce va fi si cu asta. Injectoarele de pe masina au terminatia CB.

Am gasit insa la injectorul 2 si injectorul 4 lovite reperele marcate cu rosu in poza. Mentionez ca acestea au fost noi cand am montat injectoarele in toamna. Am pus totul nou, de la O-ringuri si garnituri la prezoane.

Ce ar fi putut duce la afectarea celor doua repere (sunt mici bucatele rupte in lateral unde intra boltul injectorului)? De deasupra nu se observa nimic, abia la demontarea bratului am vazut ca sunt probleme.

Cat de tare afecteaza acest lucru motorul? Ce ar trebui sa fac (inafara inlocuirii acelor piese) ca sa nu se repete situatia?

Multumesc.

 

PDpartnums1.jpg

Link către comentariu
Distribuie pe alte siteuri

Problema e de la reglaj necorespunzator sau surub vechi si foarte uzat. Pune bolturi si suruburi noi,regleaza la 180 grade

Modificat de EEXCALADE
Link către comentariu
Distribuie pe alte siteuri

On 6/23/2016 at 10:10 PM, Ciucur said:

Salutari !

Passat 2001 AVF 250.000 km.

In iarna am schimbat injectoarele AA (tremura motorul, pornea greu) cu unele SH (cred BA) cu valori pana in +/- 0,7. Dupa aceasta schimbare la relanti consumul afisat e de 2-2,2. Mentionez ca nu am modificari majore la consumul mediu (metoda plin-plin la rezervor) care e in jur de 6,5 l/100 km. Circul pe distante scurte si destul de mult in oras.

De aproximativ o luna am probleme dupa ce motorul se incalzeste bine. Masina porneste foarte greu (cheie lunga) si la 2000-2200 rpm motorul tremura foarte tare incat se transmite in toata masina si nu are putere indiferent in ce treapta de viteze este. Dupa ce reuseste sa creasca turatia peste acest interval, trage destul de bine. De asemenea la pornirea de pe loc cu motorul cald nu are putere, nu se tureaza decat foarte greu, insa cand reuseste sa se tureze peste 2200 rpm dupa vreo 5 secunde accelereaza violent.

La rece porneste foarte usor.

Mecanicul sustine ca axul cu came e uzat. In iarna cand am inlocuit injectoarele nu am observat uzura foarte mare.

Va rog sa imi dati un sfat. Multumesc.

Astea is injectoarele originale avf 2001.

IMG_0494.JPG

IMG_0496.JPG

Modificat de l@u
Link către comentariu
Distribuie pe alte siteuri

4 hours ago, l@u said:

Astea is injectoarele originale avf 2001.

Pe motorul AVF au fost montate injectoare cu mai multe "terminatii".

Asa cum am scris mai sus am avut o eroare pe injectorul 2 .L-am demontat , am verificat ce am putut verifica si apoi l-am pus la loc, Dupa montarea lui, eroarea a disparut si nu imi mai arata valori mari la corectie. Motorul merge mai bine, dar la cald porneste inca greu, nu la sfert de cheie. E si cam zgomotos.

Am facut niste loguri si va rog sa le interpretati si sa imi spuneti daca sesizati ceva deosebit, De asemenea nu inteleg de ce se modifica valoarea la synchro angle. Sta 5 secunde la 0, apoi peste  5 secunde sare la 0.6, apoi peste alte 5 secunde sare la 1.1, apoi la 0, si tot asa.

Am incercat sa modific IQ-ul insa nu reuseam. Puteam sa introduc o valoare noua, dar la test nu se intampla nimic si nici dupa save.

 

GR 4 13 15 synchro angle.jpg

LOG-01-003-010-012.csv

LOG-01-003-010-013.csv

Link către comentariu
Distribuie pe alte siteuri

Ai consumul la ralanti foarte mare, imens, de obicei se trage de undeva, verifica axa cu came, avansul la edc 15 e 0, deci e ok. cu injectoarele e inca ok, la peste 1.2 incepi sa-ti faci probleme., e in alta parte problema la tine.

Modificat de deenman
Link către comentariu
Distribuie pe alte siteuri

Pai si de unde naiba e problema? Axul cu came a fost verificat si e ok.

Macar logurile in mers sunt ok?

Link către comentariu
Distribuie pe alte siteuri

AVF... pune alte injectoare ,unele cu mai putini km

Link către comentariu
Distribuie pe alte siteuri

în urmă cu 2 ore, Ciucur a scris:

 Axul cu came a fost verificat si e ok.

 

Cum a fost verificat? Vizual sau prin masurare? 

Link către comentariu
Distribuie pe alte siteuri

Pentru a adăuga comentarii este necesară înregistrarea sau autentificarea

Trebuie să aveţi un cont de membru pentru a adăuga comentarii

Înregistrare membru

Înscrierea unui nou cont de membru. Este foarte uşor!

Înregistrare cont nou

Autentificare

Aveţi deja un cont de membru? Conectaţi-vă aici.

Autentificare în cont
 Share

  • Activi pe această pagină   0 membri

    • Niciun utilizator înregistrat nu vizualizează această pagină acum.
×
×
  • Create New...

 Functionarea acestui site este sustinuta de cele cateva bannere afisate intre posturi. Ar fi o placere pentru noi daca ar fi adaugat site-ul nostru in lista de exceptii ad-block in browserul tau. Promitem si veti vedea ca nu avem reclame intruzive si nici deranjante (nimic cu sunet,video sau all-screen). Multumim!