Jump to content

Jurnal DSG6


Loth
 Share

Postare recomandată

  • 2 months later...

Salutare! 

Sa incep cu inceputul: Golf 4 cu DSG care are o eroare. Daca o sterg, apare din nou. 
Eroarea e asta: 
18097 - Powertrain Data Bus
P1689 - 000 - Implausible Message from Elect. Load Controller

A mai intalnit cineva? Cum as putea sa o rezolv? Cine e Electrical Load controller ? alternatorul?  E ceva fir/ cablu ce as putea sa verific? 
orice parere e binevenita! 

multumesc anticipat! 

Link către comentariu
Distribuie pe alte siteuri

E calculatorul de retea electrica, prezent pe generatiile dela golf 5 in sus. Ca sa scapi de eroare, trebuie modificat softul cutiei, nu se poate din codare/adaptari.

Link către comentariu
Distribuie pe alte siteuri

Ce info si ce valori primeste dsg-ul de la acel calculator? 

Link către comentariu
Distribuie pe alte siteuri

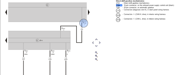
Din schema, asta ar fi conexiunea reponsabila de asta. Deduc ca ar fi conectatat la Power supply unit, adica BCM. Ce info primeste pe acest pin care deocamdata la mine nu e conectat...?

 

image.thumb.png.8186a1ac551b2d4168fcc9b3d4fa87d8.png

Link către comentariu
Distribuie pe alte siteuri

Probabil informatii legate de sarcina alternatorului, aka Generator load. 

Link către comentariu
Distribuie pe alte siteuri

victoriamea96

Va salut. La un Passat B7, am eroare valva 3.   

Ma intereseaza sa o repar,  dar nu stiu unde. 

de asemenea nu vreau sa dau 8000 lei pe tot ansamblul.

 

 

Link către comentariu
Distribuie pe alte siteuri

victoriamea96
On 5/20/2016 at 11:40 PM, Dolfin said:

Toate aceste lucruri sunt Anormale.

N-ar trebui sa prelungiti agonia cutiei. Orice smuncitura nu este caracteristica unei cutii DSG in buna stare de functionare.

Pe topicul acesta este un user care detine un atelier in care repara DSG, schimba supape la mecatronic, nu mecatronic cu totul, si pare sa aiba rezultate foarte bune.

Cititi in spate.

Stii cumva care este? Nu gasesc si ma intereseaza

 

Link către comentariu
Distribuie pe alte siteuri

Este o postare din 2016, nu mai stiu la cine ma refeream, poate la Florin@Caractere de pe forum.

Link către comentariu
Distribuie pe alte siteuri

Bună seara

Am un dsg 6 golf 5 care la plecare schimba 1-2 apoi se aprinde pedala de frână, apoi nu mai schimba. Daca apăs frână schimba. Ca erori uneori apare valva 216 uneori și 215.

Am schimbat uleiul, am făcut calibrări. Am găsit ulei în mufă. 

Ce poate fi? 

Link către comentariu
Distribuie pe alte siteuri

  • 1 month later...

Salutare colegi forumisti,

Vin si eu cu niste nelamuriri si poate reuseste cineva sa clarifice niste aspecte pe care nu le inteleg in ceea ce priveste cutia DSG (punctual aici vorbim de DQ250 6+1 trepte de pe un Audi TT)

Simptome: 

La rece masina merge foarte ok...schimba ok in toate treptele.Dupa 15-20 de minute de mers in trafic, la plecarea de pe loc/de la semafor, ezita sa faca creep cand iau piciorul de pe frana (de cele mai multe ori trebuie sa accelerez eu ca sa se puna in miscare), dar si da socuri din P in N/R sau D

Partea fantastica...nici o eroare pe cutie 🙃.

Am mers la un service specializat, unde s au efectual inlocuirea discurilor de ambreiaj, simeringuri, garnituri si ulei....dar din pacate problema inca e acolo, detectata de ei de cand incercau sa faca adaptarile. Acum mi au sugerat sa schimb unitatea mecatronica...si aici intervine dilema mea.

O persoana care se ocupa cu reparatii de mecatronic, mi a spus ca e greu sa reconditionezi...daca nu ti arunca nici o eroare.

Care este experienta voastra: ati avut probleme de mecatronic care sa nu arunce eroare? Daca da, cum le ati rezolvat.

Orice sfat, indrumare este bine venita.

 

Multumesc frumos

 

PS: codul de mecatronic este 02E927770AE (se pot pune si alte variante/coduri?)

 

Link către comentariu
Distribuie pe alte siteuri

In general, la tipul asta de cutie, cat timp "se invarte roata" (chiar daca nu prea bine) nu da nici o eroare. Schimbi mecatronicul si te rogi sa fie bine, la fel cum ai facut si cu ambreiajul, doar ca de data asta ai sanse de reusita mai mari.

Link către comentariu
Distribuie pe alte siteuri

Adică nu pleacă de pe loc, sau nu forțează puțin cu piciorul pe frână.

 

Cat de grava este problema dacă în N sau P, când accelerez la 3k de la ralanti mașina tinde sa meargă înapoi? Face și ceva bătăi când pui în D sau R, ocazional se blochează de tot și dispar treptele din bord, își revine după repornire. 

Cred ca e coapta toată.

Link către comentariu
Distribuie pe alte siteuri

  • 2 weeks later...

Cutia de viteze merge doar în treapta 5 și marșarier  și îmi da eroare pe senzor turație ieșire cutie de viteze g195 am schimbat alt mecatronic calculator și cei 2 Senzori de sub din alta cutie și am aceiași eroare dacă a mai pățit cineva aceiași eroare poate îmi zice și mie cum  a remediato

Link către comentariu
Distribuie pe alte siteuri

Si totusi...care e eroarea?

Posteaz-o complet,cu toate campurile, asa cum apare in programul de diagnoza.

Link către comentariu
Distribuie pe alte siteuri

  • 3 weeks later...

Salut!Am probleme cu cel putin un rulment din cutia mea dsg 6,in treptele 1,2,3 face un zgomot de rulment uzat in accelerare si frana de motor.Daca o scot pe N,zgomotul inceteaza instant.Cu cat e mai cald uleiul in cutie,cu atat zgomotul(huruitul) este mai pregnant.Din treapta a 4 a in sus nu se mai aude absolut nimic.Huruitul asta e exact ca atunci cand rulmentii diferentialului sunt varza,dar nu cred ca e asta.La viteza de autostrada e foarte silentioasa.Banuiesc ca e un rulment de la arborele treptelor pare / impare.Am planetare noi,rulmenti roti fata noi.Recomandati-mi,va rog,un service care sa poata sa-mi inlocuiasca rulmentii problematici ,in Bucuresti.Nu am eroare pe tester,cutia schimba perfect.

Link către comentariu
Distribuie pe alte siteuri

Nu cred ca sunt multi care se baga la asa ceva, iar daca se baga e scump. Vezi la Automatico ... 

Link către comentariu
Distribuie pe alte siteuri

pt Dan, cred ca e mai ieftin sa isi ia o cutie SH din dezmembrari iar cea veche tinuta de piese (pt mecatronic) daca e acelasi cod de cutie. 
 

Link către comentariu
Distribuie pe alte siteuri

Multumesc pentru raspunsuri!O sa ma duc vineri dimineata la cei din Crangasi,sa vad ce vor zice si ce deviz imi vor da...Imi asum un deviz de max 2000 de euro,stiu ca e o nebunie sa bagi 2000 intr-o masina care valoreaza 5000,dar imi pare rau de ea ca in 3 ani am mai bagat in ea minim 2000 de euro..M-am gandit si la o cutie sh,dar ce  am gasit e la Oradea cu 5500 lei,plus transport,montaj,ulei,filtru,iar ajung la 8000 de lei..Masina asta nu mi-a facut nici o problema pana acum,dar o sa ma bage in faliment in curand..O sa va tin la curent cu costurile si cum vor decurge lucrurile...

Link către comentariu
Distribuie pe alte siteuri

în urmă cu 3 ore, Emy D a scris:

pt Dan, cred ca e mai ieftin sa isi ia o cutie SH din dezmembrari iar cea veche tinuta de piese (pt mecatronic) daca e acelasi cod de cutie. 
 

Vă salut nu e neapărat sa fie același cod la cutie - mecatronica se resifteaza cu flash corespunzător și poate să meargă și pe alt cod.

Link către comentariu
Distribuie pe alte siteuri

Pe motorul meu CBBB au fost montate mai multe coduri de cutie dsg:LQT,LQV,MFL,etc..Ma gandeam si eu sa iau o cutie de 2.0 tdi euro 5 si chiar daca e cod diferit,sa pun mecatronicul meu.Sau cum a zis colegul mai sus,sa-l resoftez.Problema mea e ca mi-e teama de cutiile din dezmembrari ca nu stiu ce iau,poate nimeresc o cutie mai varza ca a mea,toate au peste 300 000 km,banuiesc..As lua una din dezmembrari,dar sa o pot monta la ei,ceea ce e destul de greu in Bucuresti.E in moment tare nasol.

Link către comentariu
Distribuie pe alte siteuri

Revin cu un update:rulmentul de la input shaft (cel pe care se cupleaza ambreiajul K1 e zob),nasol e ca mi-a distrus si stratul de cementare de pe input shaft(hollow).Rulmentul cu bile din spatele arborelui plin(cel pt K2) e si el zob.Asa ca trebuie sa schimb rulment ax intrare K1,ax intrare K1,ax intrare K2 si rulment ax intrare K2.Filtrul intern si toate garniturile,inclusiv simmeringuri diferential o sa fie schimbate cu unele noi.Si am decis sa inlocuiesc si rulmentul din arborele cotit pentru "priza" cutiei si simmeringul arborelui dinspre cutie,are scurgeri de ulei si nu vreau sa mai platesc inca odata manopera pt dat cutie jos.Ambreiajele sunt ok,in mufa mecatronicului exista ulei(stiu,ar trebui inlocuit/reparat) si mecatronicul,dar pt ca momentan nu am coduri de eroare,o sa l las asa,pana o sa mai fiu in stare sa strang alta gramada de bani.Sper macar ca totul sa fie ok,sa scap de zgomote nasoale din cutie.Sa nu ma intrebati de costuri,ca nu are rost...Imi place mult prea mult masina asta,asa ca nu vreau sa intru in depresie.Sper!:-)

Link către comentariu
Distribuie pe alte siteuri

Pai ar trebui sa lasi informatii pentru posteritate legat de costurile de reparatie pentru ca problema cu rulmentii nu e chiar asa de rara. Daca cauti pe net gaseti inclusiv poze cu rulmentul distrus de pe arborele primar I (cel mai din exterior fata de ambreiaje). 

 

https://www.mk5golfgti.co.uk/forum/index.php?topic=91552.0

Link către comentariu
Distribuie pe alte siteuri

Pentru a adăuga comentarii este necesară înregistrarea sau autentificarea

Trebuie să aveţi un cont de membru pentru a adăuga comentarii

Înregistrare membru

Înscrierea unui nou cont de membru. Este foarte uşor!

Înregistrare cont nou

Autentificare

Aveţi deja un cont de membru? Conectaţi-vă aici.

Autentificare în cont
 Share

  • Activi pe această pagină   0 membri

    • Niciun utilizator înregistrat nu vizualizează această pagină acum.
×
×
  • Create New...

 Functionarea acestui site este sustinuta de cele cateva bannere afisate intre posturi. Ar fi o placere pentru noi daca ar fi adaugat site-ul nostru in lista de exceptii ad-block in browserul tau. Promitem si veti vedea ca nu avem reclame intruzive si nici deranjante (nimic cu sunet,video sau all-screen). Multumim!