Jump to content

AC/Climatronic - probleme


Andrew
 Share

Postare recomandată

ventilatoarele merg ?

 

Link către comentariu
Distribuie pe alte siteuri

Pare a fi o obstructie pe circuitul freonului.Verifica cu vcds ul la drum presiunea freonului,cuplul pe compresor,temperatura citita de senzorul de pe evaporator.Cauze probabile de obstructie ar fi:filtrul desicant de pe condensor,valva ce se afla pe conductele evaporatorului,aceasta se vede din compartimentul motor,acolo unde conducta subtire (inalta presiune) intra inspre bord si cea groasa (joasa presiune) iese dinspre bord.O baterie de manometre cuplata ar fi foarte de folos atunci cand ac ul nu raceste,sa urmaresti presiunea si pe joasa,nu doar pe inalta.Cu vcds ul nu vezi presiunea pe joasa.Ceva erori aparute pe vcds legate de clima ai?Daca ai o obstructie o sa vezi ca in timp ce presiunea pe inalta creste mult,cea de joasa scade foarte mult,compresorul poate ajunge chiar sa ti faca vacuum pe partea de joasa presiune.Verifica chestia asta cu bateria de manometre in timp ce o turezi pe loc (2500-3000 rpm).

Modificat de Dan Cristi
Link către comentariu
Distribuie pe alte siteuri

O sa fac o diagnoza in mers si am sa revin cu ea.

Link către comentariu
Distribuie pe alte siteuri

salut! Colegii, ma Ajutați și pe mine cu o părere pe clima asta nu-mi bagă rece suficient de tare mai ales dacă mașina stă în soare

C2FCF981-D7D1-43A3-8046-BE7AE8657E82.jpeg

Link către comentariu
Distribuie pe alte siteuri

Salut.Valorile pe vcds arata bine.Verifica sa n-ai erori pe motorasele climei,vezi ce temperaturi iti arata pe fiecare senzor in parte.Vezi ce presiune de freon ai inainte sa pornesti motorul.Verifica daca in timpul functionarii ac-ului ventilatoarele merg,daca de teava de joasa presiune e rece..Cam astea imi vin in cap..Incepe sa raceasca imediat cand apesi butonul de ac,mai ales daca masina nu a fost pornita de o zi sau mai mult?Verifica surubul din centrul fuliei compresorului sa fie strans.

Modificat de Dan Cristi
Link către comentariu
Distribuie pe alte siteuri

Nu e super ok cuplul. Verifica electrovalva

cu un VCDS. Cauta pe forum si in topic, sunt postate de multe ori valorile, etc

Link către comentariu
Distribuie pe alte siteuri

On 11.07.2018 at 11:48, timionut a scris:

Salut, mi-a cedat si mie compresorul, ca doar nici nu e cald afara. Pe langa asta,  gurile de ventilatie din mijloc nu imi baga acelasi debit ca celelalte. Am dat reset la clima si e la fel, probabil au cedat ceva clapete, nu? Legat de compresor, cred ca ma orientez spre ceva VALEO, am inteles ca sunt ok si au un pret bun. Intrebarea mea este, trebuie sa curat i nstalatia de AC sau ceva? Am inteles ca de aia s-a blocat si anteriorul, ca ar fi ceva pe instalatie, si daca nu o curat o sa mi se strice si compresorul nou.

20180702_170226.thumb.jpg.ddc19dfaf8c96d995e6696782f85be2b.jpg

Salut, poti sa imi spui te rog daca ai rezolvat problema aceasta cu debitul la gurile de vemtilatie din mijloc si clapetele de la motorase? 

Link către comentariu
Distribuie pe alte siteuri

Revin cu diagnoza.https://imgur.com/a/0w1YNEW

Am intampinat 2 situatii. 

1) a cuplat compresorul abia dupa 10 minute,  si nu mai dadea rece decat la peste 2200 rpm. 

2) Pe loc da rece, iar in sarcina se opreste compresorul

Ventilatoarele merg in ambele situatii.

Am mai gasit cum ca ar putea fii electrovalva, dar nu stiu unde se afla, cum arata, ce cod are. Nu e in compresorul propriu-zis ?

 

Modificat de Manuel N.
Citeste topicul. Sau search - o sa gasesti multe informatii.
Link către comentariu
Distribuie pe alte siteuri

buna ziua , sunt si eu nou pe acest forum . dar am probleme cu clima la un vw jetta hybrid nu se aprinde butonul de ac cand vreau sa pornesc clima  (este similar cu pasat B6 modelul). acest lucru l-am rezolvat cu un nou panou de comanda de ac dar degeaba nici asa nu pleaca nici ventilatoarele si nici compresorul ,apropo freon este in instalatie  ma poate ajuta si pe mine cineva care s-a mai lovit de aceasta problema . am intrat pe forum dar am citit ca trebuie sa stai cam 1 an ca sa pui intrebari..... o exceptie se poate macar pana rezolv si eu cu clima?

am omis sa amintesc ca pe tester delphi am codurile de defect B10B854  , B10A715  , B10A915

va multumesc anticipat !

Link către comentariu
Distribuie pe alte siteuri

Fa o verificare cu vcds, posteaza erorile asa cum apar, nu doar codurile 

Link către comentariu
Distribuie pe alte siteuri

On 6/12/2020 at 8:53 PM, F l o r i n said:

Nu e super ok cuplul. Verifica electrovalva

cu un VCDS. Cauta pe forum si in topic, sunt postate de multe ori valorile, etc

Pe vcds la output test, electrovalva îmi da 0,500 a. 

Link către comentariu
Distribuie pe alte siteuri

nu test, ci posteaza valorile cu motorul si ac pornit

Link către comentariu
Distribuie pe alte siteuri

On 6/12/2020 at 5:30 PM, janjean said:

salut! Colegii, ma Ajutați și pe mine cu o părere pe clima asta nu-mi bagă rece suficient de tare mai ales dacă mașina stă în soare

C2FCF981-D7D1-43A3-8046-BE7AE8657E82.jpeg

 

On 6/12/2020 at 8:53 PM, F l o r i n said:

Nu e super ok cuplul. Verifica electrovalva

cu un VCDS. Cauta pe forum si in topic, sunt postate de multe ori valorile, etc

 

Link către comentariu
Distribuie pe alte siteuri

electrovalva.

Link către comentariu
Distribuie pe alte siteuri

ionut.vidrighin

salutare

am o problema cu caldura iarna ce as vrea sa o rezolv vara asta neaparat.
am schimbat in toamna anului trecut caloriferul din interior, pentru ca nu erau erori pe tester la motorasele de reglaj temperatura.

din pacate schimbarea caloriferului nu a rezolvat problema si am mers toata iarna cu caldura doar pe partea soferului.
nici acum nu apar erori la V159 sau la altele, dar ma gandesc ca totusi problema vine de la el.
s-a mai confruntat cineva cu anomalia asta? 

Modificat de ionut.vidrighin
Link către comentariu
Distribuie pe alte siteuri

Este foarte posibil, problema sa fie de la el sau senzor temperatura. Asta se verifica cu vcds ul, in blocurile de masura

Link către comentariu
Distribuie pe alte siteuri

ionut.vidrighin

Salut Florin,

multumesc pentru raspunsul prompt!
o sa verific in cazul asta in blocurile de masura si voi pune un screenshot aici 
 

Link către comentariu
Distribuie pe alte siteuri

florynbadescu

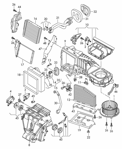
Salut, as vrea sa stiu unde se afla pozitionata piesa cu codul 1k1260113d (water drain pipe) conducta de scurgere a condensului de la AC intrucat de cand am dat drumul la AC am apa in partea dreapta la pasager. Am postat aici fiind vorba despre o piesa a sistemului climatronic, rog moderatorii sa mute postarea in alt topic daca am gresit. Multumesc! Pe net am gasit doar scheme care nu ma ajuta (piesa este la nr. 30):

getImage (1).png

Modificat de florynbadescu
Link către comentariu
Distribuie pe alte siteuri

On 6/25/2020 at 6:58 AM, ionut.vidrighin said:

salutare

am o problema cu caldura iarna ce as vrea sa o rezolv vara asta neaparat.
am schimbat in toamna anului trecut caloriferul din interior, pentru ca nu erau erori pe tester la motorasele de reglaj temperatura.

din pacate schimbarea caloriferului nu a rezolvat problema si am mers toata iarna cu caldura doar pe partea soferului.
nici acum nu apar erori la V159 sau la altele, dar ma gandesc ca totusi problema vine de la el.
s-a mai confruntat cineva cu anomalia asta? 

Salut. Am si eu aceeasi problema, senzorul de pe partea stanga imi indica 0 grade la masurari, si merge rece doar daca setez pe LOW. Problema e ca inca nu am reusit sa indentific pozitia senzorului. 

Aveti idee cum se poate ajunge la acel senzor? Merci

Modificat de davyid
Link către comentariu
Distribuie pe alte siteuri

Care dintre ei?

Link către comentariu
Distribuie pe alte siteuri

Left front vent temperature.. atat am reușit să gasesc

15932483431341749235761674214505.jpg

 

PS: l-am scos prin torpedoul din stânga, acela era problema.

Modificat de davyid
Link către comentariu
Distribuie pe alte siteuri

cel de la grila stanga, trebuie inlocuit. Este la iesirea din grila

Link către comentariu
Distribuie pe alte siteuri

florynbadescu

Am gasit raspunsul la intrebarea mea de mai (pozitionarea conductei de eliminare a condensului de la AC). Postez pentru cine vrea sa verifice:

 

Link către comentariu
Distribuie pe alte siteuri

Am fost la service recomandat, unul de renume in Suceava, au cuplat aparatul la instalatia de clima, au scos refrigerantul din instalatie (273g), instalatie vidata, test OK, au pus ulei, au pus 575g de refrigerant, (fara un test pe VCDS, din pacate) - "da aer rece! nu are nici o problema, vi se pare..." asta a fost replica celui de acolo. Am zis OK...merge... A mers 3 zile tot slabut... si acum iarasi nu am racoare in masina.

Ventilatoarele merg, ambele, refrigerant au pus,... si imi da doar o briza de aer rece rasuflat dupa 5 minute dupa ce pornesc clima, ceva nu e OK.

Astazi imprumut de la un prieten VCDS, sa petrec cateva ore in habitaclul masinii mele, cu o temperatura de 32 de grade afara. Doar ca nu stiu la ce sa ma uit

Imi puteti spune pe ce canale sa citesc valorile, sa le postez, poate asa aflu care ar putea fi rezolvarea la problema mea?

Link către comentariu
Distribuie pe alte siteuri

Pentru a adăuga comentarii este necesară înregistrarea sau autentificarea

Trebuie să aveţi un cont de membru pentru a adăuga comentarii

Înregistrare membru

Înscrierea unui nou cont de membru. Este foarte uşor!

Înregistrare cont nou

Autentificare

Aveţi deja un cont de membru? Conectaţi-vă aici.

Autentificare în cont
 Share

  • Activi pe această pagină   0 membri

    • Niciun utilizator înregistrat nu vizualizează această pagină acum.
×
×
  • Create New...

 Functionarea acestui site este sustinuta de cele cateva bannere afisate intre posturi. Ar fi o placere pentru noi daca ar fi adaugat site-ul nostru in lista de exceptii ad-block in browserul tau. Promitem si veti vedea ca nu avem reclame intruzive si nici deranjante (nimic cu sunet,video sau all-screen). Multumim!