Jump to content

Coduri piese - Part numbers Golf IV&Bora


rudolf.s
 Share

Postare recomandată

As avea si eu nevoie de cod pentru oringurile de la regulatorul de presiune in rampa pentru golf4 1, 4 cod AXP. Multumesc.

Link către comentariu
Distribuie pe alte siteuri

Sal. Cu un cod pentru becul plafonierelor cu sensor volumetric ma poate ajuta cineva.

Link către comentariu
Distribuie pe alte siteuri

https://shop.ahw-shop.de/vw-antennenstab-dachantenne-golf-passat-polo?c=998

 

insa sunt sigur ca se gasesc la comanda si la magazinele de piese la preturi mai decente :)

TOPRAN 206 030 in jur de 25 lei.

 

As avea si eu nevoie de cod pentru oringurile de la regulatorul de presiune in rampa pentru golf4 1, 4 cod AXP. Multumesc.

037198031

Link către comentariu
Distribuie pe alte siteuri

imi poate spune si mie cineva codul de la mufa de la dezaburire( mufa care se conecteaza in butonul de dezaburire). Multumesc

Link către comentariu
Distribuie pe alte siteuri

ceau,

imi dati si mie va rog codurile pt oringurile de la regulatorul de presiune la masina din semnatura.

multumesc.

Link către comentariu
Distribuie pe alte siteuri

Salut. Am nevoie de un cod pentru capac culbutori pentru Bora 1999 motor 1.9 AJM. Multumesc!

Link către comentariu
Distribuie pe alte siteuri

038 103 469 AD sau 038 103 469 S in functie de seria de caroserie.

Link către comentariu
Distribuie pe alte siteuri

Mersi!

Cred insa ca aceste coduri sunt pentru garnitura de la capac, sper sa nu ma insel.

Modificat de bamwels
Link către comentariu
Distribuie pe alte siteuri

  • 3 weeks later...

salut..ma intereseaza si pe mine niste coduri pt.garniturile de la epurator si respectiv pt.furtunul ce vine intre epurator si carcasa filtrului de aer golf 4 1,4 16v AXP?daca se poate preturile si de unde pot sa le cumpar?multumesc

Modificat de liviu812006
Link către comentariu
Distribuie pe alte siteuri

ai rezistenta de incalzire pe furtunul de la epurator ?

Link către comentariu
Distribuie pe alte siteuri

da am rezistenta..


nu am avut nici un fel de probleme...singura pb.este ca imi pierde ulei pe la epurator..si din ce am obs.eu si furtunul acela este cam dus..de ce zic asta..daca il strang in mana revine la forma initiala cam greu..daca tot umblu acolo as vrea sa curat epuratorul si sa schimb si ce este de schimbat..precizez ca rezistenta nu am masurat-o.

Link către comentariu
Distribuie pe alte siteuri

036103677 + N 90617501

036103474C (cred ca asta este,mai exista o varianta 036103474L).

Link către comentariu
Distribuie pe alte siteuri

ai si niste preturi?si daca sti de unde le pot lua..multumesc.

Link către comentariu
Distribuie pe alte siteuri

ai si niste preturi?si daca sti de unde le pot lua..multumesc.

036103493EB exista varianta asta de furtun care nu are incalzitorul pe el....doar trebuie masurat si taiat dupa furtunul vechi...costa pe original 90 lei si fata de 250 lei cat costa furtunul cu incalzitor...este mult mai ok.

La un magazin de piese auto sau la o reprezentanta gasesti piesele respective.

Link către comentariu
Distribuie pe alte siteuri

Va salut. am volant dusa la masina din semnatura: bora din 2000, 1.9, AJM, 6 trepte, wvwzzz1jzyw520819. Stiu ca trebuie cu masa dubla.

Am inteles ca la cele cu 6 trepte e diferit kitul de ambreiaj (si volant) fata de cele cu 5 trepte. Ce are in plus, in minus, sa ca stiu sa nu cumpar ceva gresit (probabil nu toti care vand stiu detaliile astea).

Ma puteti ajuta cu un cod pentru kit ambreiaj, sau codul volantei de care am nevoie?

Si un pret  (cer userului GABIVVX).

Multumesc

Link către comentariu
Distribuie pe alte siteuri

volant 038 105 266 Q =sachs 2294 000 871,luk 415 0113 10

Set ambreiaj scurt fara volant si rulment 038 198 141 DX=sachs 3000 951 091,luk 624 3034 09

Set lung ambreiaj cu volant si rulment =sachs  2290 601 028,luk 600 0019 00

Link către comentariu
Distribuie pe alte siteuri

Multumesc mult.

Niste preturi stii?

Dar diferente intre cele pentru 5 trepte si cele pentru 6 trepte?

O seara frumoasa va doresc.

Link către comentariu
Distribuie pe alte siteuri

Salut Codul pt clapeta v157 TMBCE61Z372079306.

Mmultumesc.

Link către comentariu
Distribuie pe alte siteuri

Salut, am si eu nevoie de codul bujiilor pentru 1.4.16v APE WVWZZZ1JZYW558784. Multumesc

Link către comentariu
Distribuie pe alte siteuri

un cod pentru rulmentii de la alternator, golf 4 1.6 16v ? urgent? multumesc!

Link către comentariu
Distribuie pe alte siteuri

Salut Codul pt clapeta v157 TMBCE61Z372079306.

Mmultumesc.

038 128 063 L

 

Salut, am si eu nevoie de codul bujiilor pentru 1.4.16v APE WVWZZZ1JZYW558784. Multumesc

BKUR6ET-10

 

un cod pentru rulmentii de la alternator, golf 4 1.6 16v ? urgent? multumesc!

codul electromotorului...

Link către comentariu
Distribuie pe alte siteuri

Buna ziua,

 

Rog ajutor.

Am nevoie de:

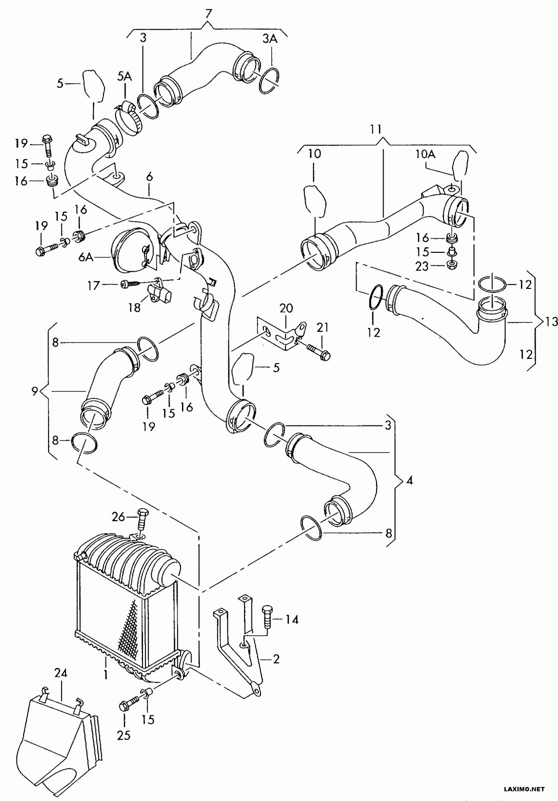
- codul pe original la furtunul care intra in EGR  (vine de la intercooler - si este unul cu cot la 90 grade) la un golf 4 din 2004, 1,9 tdi 101 CP -  wvwzzz1jz4w079764.

- ce tip de turbina este pe masina si ce cod are supapa pe aceasta ?

 

Multam fain !

Link către comentariu
Distribuie pe alte siteuri

  • Aerofan pinned this topic

Pentru a adăuga comentarii este necesară înregistrarea sau autentificarea

Trebuie să aveţi un cont de membru pentru a adăuga comentarii

Înregistrare membru

Înscrierea unui nou cont de membru. Este foarte uşor!

Înregistrare cont nou

Autentificare

Aveţi deja un cont de membru? Conectaţi-vă aici.

Autentificare în cont
 Share

  • Activi pe această pagină   0 membri

    • Niciun utilizator înregistrat nu vizualizează această pagină acum.
×
×
  • Create New...

 Functionarea acestui site este sustinuta de cele cateva bannere afisate intre posturi. Ar fi o placere pentru noi daca ar fi adaugat site-ul nostru in lista de exceptii ad-block in browserul tau. Promitem si veti vedea ca nu avem reclame intruzive si nici deranjante (nimic cu sunet,video sau all-screen). Multumim!