Jump to content

Passat B5.5


ichimcornel

Postare recomandată

Astazi am reusit sa ajung cu cablaju pentru xenon, senzori parcare pana la mijlocul bordului. Inlocuiesc inclusiv cablajul pana la faruri din aripa,la care mai adaug cablaj pentru o mica surpriza. Sper sa imi permita spatiu sa fac. 

IMG-20190710-193726.jpg
IMG-20190710-193706.jpg
IMG-20190710-193505.jpg
IMG-20190710-193410.jpg
IMG-20190710-193325.jpg

Link către comentariu

Deci este oficial ...esti masochist ( in sensul bun al cuvantului ? ) !  Astept episodul viitor ? .

 

Link către comentariu

Atentia la detalii cere mult timp. Astazi am terminat cu senzorii de parcare si am ajuns cu instalatia de la xenon pana in stalpul A stang pentru a iesi spre farul stang  si senzorul de nivel. Fiecare pin a fost pus exact cum e din fabrica, iar unde sunt fire care trebuie legate cu altele in ramificatie(precum pt diagnosticare, semnal pt faza scurta, etc) am optat pentru niste cleme metalice stranse cu clestele de sertirizat. Asa a facut si producatorul. 

IMG-20190711-202645.jpg
IMG-20190711-202554.jpg
IMG-20190711-143513.jpg
IMG-20190711-124915.jpg
IMG-20190711-120114.jpgIMG-20190711-204312.jpg

IMG-20190711-204255.jpg

IMG-20190711-204218.jpg

Link către comentariu

Hai ca as putea spune ca e gata instalatia pentru xenon, trebuie doar sa mai schimb suruburile de fixare la calculator, scos cablu la senzorul spate, conectat minusu si verificat tot traseul. La farul stang am schimbat toata instalatia din stalpu A fata pana la far fiindca aveam niste legaturi facute dinainte pentru sidemarker si firele vechi de la fosta instalatie de xenon(reglarea motorasului). Acum pentru sidemarker am tras alte 2 fire din stalpul A stang si bagat prin tub termocontractibil la care am cumparate niste mufe noi cu pini rezistente la apa. 

 

Link către comentariu

Instalatia electrica pentru sidemarker. Lampile vin alimentate din stalpi A de la mufe si am tras fire prin tub termocontractibil pana la lampi unde am pus mufe noi rezistente la apa. Mai trebuie sa ma chinui putin cu garnitura aceea gri sa intre bine inauntru. 

IMG-20190716-121206.jpg
IMG-20190716-121127.jpg
IMG-20190716-121119.jpg
IMG-20190716-105257.jpg

Link către comentariu

Instalatia pentru sidemarker folosind mufe si pini noi,bagate in tub termocontractibil. Firele vin din stalpi A trase prin acelasi loc cum vine firele la faruri. 

Link către comentariu

Hai  sa fie bine primit, un alt parbriz cu suport pentru oglinda cu senzor de ploaie,heliomata si lumini ambientale. Dupa 2 ani de cand sta in garaj o venit vremea sa fie montata.

66829690-2175744785888362-91744638054411
67095744-2175744565888384-82840232743047
67160485-2175744685888372-10401767447760
67187359-2175745052555002-53038584724948
67238963-2175744459221728-53190879884397
67614032-2175744922555015-63369962383191

Link către comentariu
  • 2 weeks later...

Dupa o saptamana de pauza am avut putin timp de ea. Am facut transplantul pt instalatia comenzilor pe volan, pilot automat, oglinda heliomata cu senzor ploaie si lumini ambientale. Am incercat sa o fac cat mai aproape de original. Momentan firele sunt doar legate, insa la final o sa fie sertizate,dupa ce stiu sigur ca nu voi mai face legaturi la acele fire.
Azi am reusit sa testez perdeluta electrica, aceasta va functiona de la un buton interior insa momentan nu m-am decis ce buton sa folosesc. Am butonul original de la perdeluta insa parca nu ma atrage asa mult, daca are careva poze cu ceva butoane cu revenire pt perdeluta il rog sa lase poze sau pe ce masini se gasesc. 
https://youtu.be/qjVlcDnvHMk
https://youtu.be/k-5TCyXK-K8

Link către comentariu

Am terminat instalatia pentru parbriz incalzit si duze incalzite. Pentru parbriz am schimbat toata instalatia electrica din compartimentul bateriei pana in stalpul A stanga, de acolo am facut instalatia electrica pana la buton. Pentru duzele incalzite am folosir tot cablajul original, am scos  din donatoare fiecare fir cu pin din panoul cu sigurante pana in mufa din stalp. https://youtu.be/o7TCJv7C_JY

Link către comentariu

Astazi am reusit sa pornesc masina, sa mai incarc bateria si sa ridic masina. Boltarul acela e pus acolo fiindca am o pierdere la roata spate dreapta.

Am terminat cu retrofiturile care le-am luat de pe donatoare si testat, exceptia cea de la xenon nu am reusit sa o testez ca nu am bloc de lumini(l-am împrumutat) iar pt comenzi trebuie sa caut un casetofon. Maine urmeaza testul pt trapa electrica cu fotocelule. 

Intre timp am facut instalatia electrica pentru senzori parcare fata cat se poate de frumos si original. In bara voi folosi cablaj original de la senzori si de acolo am facut cablaj pana in spate unde am fixat calculator. Am scos pini din mufa din bara si am cablat pana in stalp A dreapta unde am folosit pini noi in mufa verde  de aici plecand pana la calculator folosind fire cu pini noi sertizat, deci 0 legaturi. Momentan butonul pentru activarea senzorilor fata nu e montat, inca sunt indecis daca sa folosesc butonul de Sharan sau de Superb insa am adus pana in mufa verde  stalpul A dreapta un fir pentru activarea senzorilor. Daca as gasi butonul crem de superb ar iesi excelent. 

Am demontat bandourile de pe usi si maine ma apuc de pregatitul bandourilor cu crom. Azi am avut ajutor la indepartarea benzii cu care au folosit lipite ? 

Am gasit la dezmembrari 2 seturi de grile stricate de Superb si am reusit sa fac din 2 unu bun, free deci mai bine nu se poate. Am schimbat smd-urile si toate bune si frumoase. 

IMG-20190807-210631.jpg
IMG-20190807-210557.jpg
IMG-20190807-205722.jpg
IMG-20190807-181712.jpg
IMG-20190807-181355.jpg
IMG-20190807-180953.jpg
IMG-20190807-180932.jpg
IMG-20190807-180509.jpg
IMG-20190807-174011.jpg

 

Link către comentariu

Si sotia participa? Mai rar asa ceva. Asteptam sa vedem masina intreaga din nou..... apoi asteptam sa o dezmembrezi din nou :P 

Link către comentariu

 

Ea mai rarut :-)) Pai iti dai seama ca o sa mai fie desfacuta inca o data cand pun trapa si se vopseste? ? 

 

 

Link către comentariu

Pregatiri pentru bara de US, portbagajul de US, instalatie noua cu 13 pini pt trailer si sidemarker 

IMG-20190811-192523.jpg
IMG-20190811-192546.jpg
IMG-20190811-192531.jpg
Screenshot-20190811-203431-com-huawei-hi

Link către comentariu

:icon_thumright: tocmai ii aratam la sotie pozele de pe topicul asta sa vada ca la mine ce "demontez" e nimic. Replica: "tu nu faci asa ceva la masina!!!"
Mai putin si e gata.

Link către comentariu

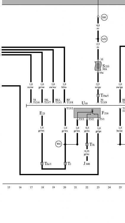
Putin mai mult ? zilele astea n-am avut chef de lucru la ea, doar ce am demontat bara ca trebuie sa ajunga de la vopsit cea de US. Totusi inca is nelamurit cu instalatia pt priza si cu senzorii de parcare sa nu imi bazaie cand cuplez o remorca. Apare in schema F216 cu un switch care transmite un semnal cand e cuplat, dar nu inteleg care ii acela. In priza stiu ca e un switch dar nu se pupa cu schema asta, mama ei

Screenshot_20190811_223058_com.google.android.apps.docs.jpg

Link către comentariu

Tu unde lucrezi? 

Topicul asta numește-l CV Ichim Cornel și aplica la fabricile auto de afara ?

Link către comentariu

mi-ar placea sa lucrez intr-o fabrica auto,  as putea spune ca e un vis, insa nu exista asa ceva in zona mea ? dar lucrez in automatizari... 

Link către comentariu

Care ar fi avantajul sa treci la priza cu 13 pini? Doar switch-ul ala pentru semnalizare cuplare remorca?

Link către comentariu
în urmă cu 10 ore, ichimcornel a scris:

Putin mai mult ? zilele astea n-am avut chef de lucru la ea, doar ce am demontat bara ca trebuie sa ajunga de la vopsit cea de US. Totusi inca is nelamurit cu instalatia pt priza si cu senzorii de parcare sa nu imi bazaie cand cuplez o remorca. Apare in schema F216 cu un switch care transmite un semnal cand e cuplat, dar nu inteleg care ii acela. In priza stiu ca e un switch dar nu se pupa cu schema asta, mama ei

 

Aici cred ca te poate ajuta @F l o r i n sau @Al Bundy

13 minute în urmă, C o s m i n a scris:

Care ar fi avantajul sa treci la priza cu 13 pini? Doar switch-ul ala pentru semnalizare cuplare remorca?

Si eu doream sa intreb acelasi lucru. Pe langa semnalizare cuplare remorca cred ca ii dezactiveaza si senzorii spate. 

@ichimcornel - La trapa cum faci? tai plafonul tau cu totul si montezi alt plafon cu trapa? Sau doar "gauresti" plafonul de pe masina ta si montezi trapa? 

Spor in continuare! 

Modificat de Emy D
Link către comentariu

Cosmin

Diferenta dintre 13 si 7 pini e pentru cei care tracteaza rulote, adica cea cu 13 pini iti ofera posibilitatea sa adaugi un pin cu +12v permanent pentru iluminatul interior, prize din rulota, etc Al-2-lea avantaj, daca ramai fara baterie poti da curent la masina prin priza. Nu am de gand sa tractez rulote, insa nu se stie niciodata ?

In legatura cu trapa nu se taie, decupeaza absolut nimic, pur si simplu se decapseaza plafonul din sudura si se pune altul cu trapa... insa cine stii cand va veni momentul acela. Plafonul e prins in puncte de sudura si sudura liniara, se taie sudura si se pune altul exact la fel. Bineinteles intre ele se va pune si un mastic pentru caroserie. Astea is poze de la o lucrare recenta facuta la un prieten, nu de mine, de mine doar sfaturile cum sa o faca. Lucrarea a iesit foarte bine si are deja 2 luni bune fara probleme cu apa. 

received_688722638229259.jpeg

received_2333875896887487.jpeg

received_2070895236312072.jpeg

Link către comentariu

Da, daca vrei sa iasa ca de fabrica, asta e solutia, cu taierea punctelor vechi de sudura. Apoi mastic si vopsit si e perfect.

Nu stiu insa daca merita efortul. La una din masini am trapa si vara stau mai mult cu camuflajul inchis. Pe perioada iernii o descoperi dar nu o deschizi... 

Personal consider ca e o fita oarecum misto daca o ai la inventar, dar sa desfaci masina pentru asta, n-as face.

Link către comentariu

Pai trapa o sa fie una cu fotocelule ceea ce vara imi face ca la interior sa fie putin mai racoros! Trapa va produce curent care alimenteaza motorasul de la aeroterma. Treaba e testata si motorasul incepe sa se invarta inca de la 1.5V,deci chiar daca nu va produce incontinuu +12v motorasul se invarte la o turatie data in functie de tensiunea care ajunge la el. 

Link către comentariu

Pentru a adăuga comentarii este necesară înregistrarea sau autentificarea

Trebuie să aveţi un cont de membru pentru a adăuga comentarii

Înregistrare membru

Înscrierea unui nou cont de membru. Este foarte uşor!

Înregistrare cont nou

Autentificare

Aveţi deja un cont de membru? Conectaţi-vă aici.

Autentificare în cont
  • Activi pe această pagină   0 membri

    • Niciun utilizator înregistrat nu vizualizează această pagină acum.
×
×
  • Create New...

 Functionarea acestui site este sustinuta de cele cateva bannere afisate intre posturi. Ar fi o placere pentru noi daca ar fi adaugat site-ul nostru in lista de exceptii ad-block in browserul tau. Promitem si veti vedea ca nu avem reclame intruzive si nici deranjante (nimic cu sunet,video sau all-screen). Multumim!