Toată activitatea
- Ultima oră
-
davidut5 s-a abonat la Faruri Bixenon Adaptive (OEM)
-
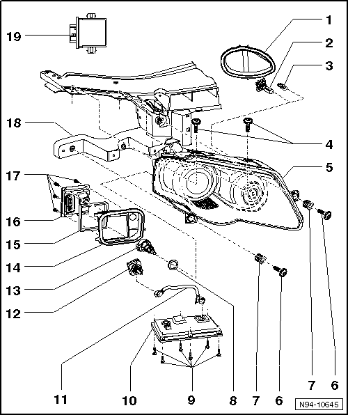
Siguranta 5 de 10A verifica, daca e buna si farul este alimentat a crapat modulul, care este pe far j667 pus vertical in spate poz 16 -Output module for left headlight -J667- or output module for right headlight -J668-.
-
Dennis12 şi-a înregistrat cont de membru
- Astăzi
-
davidut5 s-a abonat la AC/Climatronic - probleme
-
alessiovw şi-a înregistrat cont de membru
-
Tot ce e posibil! Pe celelalte le-am urât din ziua în care le-am pus, nu mi-au plăcut neam, abia așteptam să scap de ele.
-
Interesant ! Foarte bine daca sunt mai silentioase ! Crossclimate 3 au 72 dB si Ventus 71 dB Poate doar ca sunt noi par asa ?
-
BMW XM – hibrid, V8 si 3 tone. De ce da, nu de ce nu
cristi511 a postat în topic iniţiat de Gusti din Mașina mea, alte mărci
A ta e masina din reviewul lui Gabi (cu si despre masini)? -
Ieri au venit, montat, nesperat de mișto! Au DOT 0326, Made în Italy. Mi se par mai silențioase decât Hankook urile Venus Prime 3 pe care le-au înlocuit.
-
DA, cu un tester verifici functionarea manetei si a switchurilor de frana si ambreiaj
-
Cheie & kessy - Probleme & Discuții (Tiguan III)
Ionutz83 a postat în topic iniţiat de Andrei_72 din Tiguan III
Eu am dezactivat din start optiunea asta pentru ca citisem pe forumul din Germania ca multi se plangeau ca da rateuri. Cat timp functioneaza senzorul de la clanta, deschiderea cu manga bagata la clanta, inchiderea cu degetul pus pe clanta si deschiderea portbagajului cu piciorul, sincer nu îi vad rostul. Cand pun degetul pe clanta stiu 100% ca s-a inchis si nu stau cu stres. Cand vin cu bagaje/plase si trec piciorul pe sub portbagaj, se deschide fara probleme. Nu am avut nicio problema in acest fel si cred ca asa e cel mai ok. Iar daca nu, exista butoane pe cheie. Cum am deschis masina veche doar din cheie ani la rand, am antrenament si la asta daca e cazul. -
Am desfacut farul si am gasit izolatia mancata la un fir care a facut contact cu siguranta de prindere a becului. Am refacut izolatia si am aceleasi erori . Tb schimbat farul ?
-
Am interior bej la Rexton si negru la Golf. Scaunele se intretin cam la fel, daca nu abuzezi de piele. (nu sunt nici pe departe perfectionist) La mocheta e naspa la bej - se vede orice mizerie si se curata mai greu fata de cea neagra. Insa ca si confort vara - pielea neagra este absolut oribila in comparatie cu cea bej... E drept, am depasit, din fericire, de mult momentul copilului mic ontopic - arata super fain interiorul Touareg-ului in schema asta de culori
-
Mare pacat ca s-au scumpit in asa hal plafonierele W8 fata de atunci cand am luat eu ... Asta e tot ce ti-ar mai lipsi
-
DucuSan şi-a schimbat fotografia de profil -
New Chapter 2.0 - Skoda Octavia Fl, 2018 - 1.0 - "OCTI"
Crs.Vag a postat în topic iniţiat de Crs.Vag din Masina mea
Salutare, Nimic nou pe aici, 88 200 km la momentul postării. Mașină de weekend și deplasări în afara orașului. Am schimbat piesele de amortizare și rigidizare de la portbagaj (cele din poze sunt cele vechi). La denivelări si gropi se auzeau sunete metalice... Am luat unele de Kodiaq, de pe aliexpress. Alta viață. 82 lei au fost toate, incluzând 2 plăcuțe de metal de la reprezentanță (vreo 22 lei parcă). -
Întreținere, revizii & costuri de exploatare Superb 4
DucuSan a postat în topic iniţiat de tetea din Superb 4
Mda, funny. Costul filtrului de aer e mic comparatib cu riscul de a strica/obosi turbina, parerea mea. Eu personal voi schimba in fiecare an, impreuna cu uleiul si celelalte filtre. Schimbul de ulei la 10.000 - 12.000 e sfant, orice ar zice ei oficial. Evident, pentru cine vrea sa aiba motorul cat mai aproape de "tzipla" si dupa 100.000 de km. Daca o vinzi dupa 100k si nu iti pasa in ce stare e motorul, atunci e ok sa faci schimburile de toate cele la 2 ani si 30.000 cum propun ei. -
DucuSan şi-a înregistrat cont de membru -
Si eu am tot bej interiorul la X3, si se mentine ok cu un copil care a crescut de la 3 la 6 ani+ in el, fara stres... putin mai uzat e scaunul soferului, in rest arata f ok. O singura data in 200k km a vazut un detailing interior dar si ala asa, pe ieftineala si nu foarte profi... sa i zic mai degraba o spalare interioara mai amanuntita Eu n-am creme, solutii, carpe, etc. N-am nici rabdare nici nervi si nici timp pentru d-astea
-
Noutati VAG ( Volkswagen,Audi,Seat,Skoda,Porsche etc.)
acidone77 a postat în topic iniţiat de razdan din Stiri
E f misto stilul retro al ceasurilor de bord digitale. Nice job! -
Mamaila sergiu şi-a înregistrat cont de membru
-
Otto - Un neamț cu caracter (BMW M2 F87 2016)
voinea a postat în topic iniţiat de voinea din Mașina mea, alte mărci
Prima iesire pe anul asta sa petrecut inainte de Paste. Masina avea proaspat revizie ulei + filtre / lichid de frana RFB660 + un set nou nout de Nankang A1R. 15 ture bune dintr-o serie lunga pe 2026 sper eu. -
Noutati VAG ( Volkswagen,Audi,Seat,Skoda,Porsche etc.)
voinea a postat în topic iniţiat de razdan din Stiri
World premiere of the ID.3 Neo: new name, new design, new interior and new technologies Everything is new in the ID.3 Neo! The successor to the ID.3 is celebrating its world premiere with a new name and has been extensively enhanced and upgraded. The exterior features include a new vehicle front design based on Volkswagen’s “Pure Positive” design language and a new light design. The interior impresses with a redesigned cockpit landscape with intuitive controls, embedded in interior materials at the level of the next-higher class. The new efficient drive system of the ID.3 Neo – combined with the largest of the three available batteries – additionally enables ranges of up to 630 km (WLTP). Pre-sales of the electric compact model will start in Germany and many European markets tomorrow, Thursday, 16 April 2026. Martin Sander, Member of the Board of Management responsible for Sales, Marketing and After Sales: “We have developed the new vehicle generation based on the motto ‘True Volkswagen’ and have consistently placed the benefits for our customers at the centre of our actions. In addition to the long range, models such as the ID.3 Neo impress with a superior, timeless design that provides long-lasting pleasure, high quality for a noticeably first-class driving experience and technical perfection that can always be relied on. This is complemented by particularly intuitive operation, which makes everyday driving easier and more convenient”. In addition to many standard assist systems (such as Lane Assist, Front Assist and the turning brake function), the electric compact model has been given a bandwidth of new functions thanks to the latest software generation. These include, for example, the enhanced Connected Travel Assist with traffic light recognition (optional) as well as one-pedal driving, where the vehicle recuperates until it comes to a standstill. In addition, as with all new ID. models, it is now possible to supply power to external devices – from electric barbeques to e-bikes – with an output of up to 3.6 kW directly from the high-voltage battery using the vehicle-to-load function. New design clarity. The exterior of the ID.3 Neo reflects the True Volkswagen philosophy in the form of newly designed vehicle front end with a continuous light strip and illuminated logo. The design reflects the Volkswagen “Pure Positive” design language defined by Andreas Mindt, Chief Designer of the brand and Group. As with classic Volkswagen compact models, the roof, rear spoiler and boot lid are painted in the vehicle colour, which makes the ID.3 Neo appear longer, flatter and more dynamic. High-quality, clear, intuitive operation – 100% Volkswagen. As soon as the doors of the ID.3 Neo are opened, it is obvious that the new model is characterised by a completely new level of quality and clarity. This can be seen in the high-quality materials that have a pleasant feel, the clear horizontal layout of lines and surfaces, new ergonomic and self-explanatory controls, easy-to-grip buttons and intuitive controllers for central functions. The multifunction steering wheel has also been completely redesigned with a rim that is flattened at the top and bottom and clearly structured button panels. The new Infotainment system (Innovision) with 26.0-cm (10.25-inch) Digital Cockpit and a 32.8-cm (12.9-inch) central display impresses with its fluid graphics and easy operation. New high-efficiency drive. The drive system of the ID.3 Neo is a new development. It offers higher torque and lower consumption than the previous motors. As a result, ranges of up to 630 km (WLTP) are possible in the ID.3 Neo. At the launch, the new model will be available in three equipment lines (Trend, Life and Style) and with three power outputs, as well as three different battery sizes. The three electric drive motors develop an output of 125 kW (170 PS), 140 kW (190 PS) and 170 kW (231 PS). The 125-kW version is paired with a battery with an energy content of 50 kWh (net). It is the standard configuration of the ID.3 Neo Trend. The ID.3 Neo Life and ID.3 Neo Style will also be optionally configurable with a 58-kWh battery (net) and 140 kW as well as a 79- kWh battery (net) with 170 kW. The batteries with an energy content of 50 and 58 kWh have a DC charging capacity of up to 105 kW at a constant high level at DC quick-charging stations, while the 79 kWh version has a charging capacity of up to 183 kW. Additional services. The new ID. models have the new Innovision Infotainment system on board. A new app store has also been integrated into the In-Car Shop of the new infotainment system, which allows functions and services to be activated or extended digitally, flexibly and on a vehicle-specific basis. As with a smartphone, popular apps from areas such as audio, video streaming, parking, charging and gaming are available for download here. Many equipment options. The optional equipment includes an augmented reality head-up display, a large panoramic sunroof, 360-degree Area View, a massage and memory function for the front seats, a premium sound system from Harman Kardon, the memory function for Park Assist Pro and a removable bracket for mounting a bicycle carrier for tow bars (up to 75-kg tow bar load). -
@davidut5 Piesa din spatele grilei e cu probleme, nu grila. Nr 25 in desen, se afla sub 24 care e prinsa sub bord. Cam asa arata in dezmembrari... la mine buretii sunt dezintegrati complet, se imprastie bucati prin conducte. Distanta de aproximativ 1 cm la imbinari dupa ce se desprind. In cazul fericit ii bate aerul afara, in cazul nefericit nu stiu unde ajung daca cad inauntru in jos (?!). Sunt binevenite idei despre cum s-ar putea extrage din conducte (e musai?) sau alternative la inlocuire (banda scotch? nu suna bine) Pare ca spre demontat bord ma indrept... conform elsa.
- Ieri
-
Asta te ajuta?
-
Imi pare rau dar te contrazic. A mea e fix la fel de bej, am 2 copii care acum au 2 si 4 si interiorul arata ca nou. Plus ca in ultimii 5 ani cam 3.5 a fost singura masina la 2 soferi, utilizata zilnic. Singurul.semn de uzura e la scaunul meu, dar asta pt ca am fost putoare si primii 3 ani mi a fost lene sa curat pielea. Si eu am peste 90kg si in general n am vreun stres cu interiorul. Nu mai vreau sa vad/am interioare negre. Sunt groaznice si total imposibil de tinut curate.
-
All black. Inca o data : plafon, fete de usi, stalpi si rama haion ( refacuta de 6 ori ). Plafoniera revopsita si leduri audi a4 b7. Manere plastic negru si suport ochelari vopsit. Parasolare Polo 6R negre. Oglinda cu senzor Passat B5.5 si Superb.
-
Nu pornește vw polo 9n 1.2 12v benzină, 2006
yulyan a postat în topic iniţiat de yulyan din Polo 9N si 9N3
Am revenit, caz elucidat, a sărit de pe punct lanțul de la distribuție, a spus mecanicul ca asa se intampla după ce parchezi el sare de pe puct și nu mai pornește nicicum Electricianul a spus ca nu are nicio problema pe partea electrica -
E drept ca e fain, dar cu 2 copii mici e destul de munca de mentinut tot bej. Cel mai bun prieten aici e niste sapun de maini protex pe care il plimb pe o microfibra uda si sterg o data la 2-3 zile, apoi am si niste Leather Star de la Koch cu care mai dau de vreo 2 ori pe an. Chiar si asa, sezutul la scaunul sofer incepe sa arate ceva uzura , rosaturi, cute pe margini de la blugi, de la frecat, e greu spre imposibil sa-l tii ca nou ( nici cele 90 de kile ale mele nu ajuta ) si oricum am pernute de sezut in fata si o patura in spate sub scaunele de copii. Un compromis bun mi se par interioarele maro coniac, mai putin pretentioase si un aspect tot foarte elegant. Si, suplimentar, de cand am ramas fara garaj la indemana in oras si mai prinde masina garaj doar in weekenduri la casa, mi-am cam bagat picioarele, ca oricum o sa coaca soarele tot. Daca inainte o spalam la 2 saptamani, acum la 2-3 zile e jalnica. Nu mai zic de julituri si benghiuri pe bara, placuta de inmatriculare fata adunata de pe jos, cate un bilet cu scuze cand si cand etc. Le mai pictez cu oja la culoare, ca daca ar fi sa ma potrivesc, as vopsi barile anual. As fi luat o troaca de tavaleala si s-o trag pe asta undeva mai ferit sau s-o las in garaj la casa, dar n-am mai avut timp suficient sa mai umblu si dupa asta. Era cat pe ce sa iau un E-Golf 7 din 2021 pe care l-am avut in probe un weekend daca nu era autonomia atat de micuta incat sa stau in dubii daca fac Sv - Dorna fara sa incarc.
-
Probleme la pompa de inalta presiune a motoarelor CR
EEXCALADE a postat în topic iniţiat de hallucinogen din TDi Forum
Ai pus la punct si pompa ? -
Adevarat a Inviat ! Plus ca vine vara 🌞 si pielea neagra este cuptor Iar la tineret ( 76k ) ii sta mai bine cu culori deschise 🍨
-
Log-uri - Interpretarea lor: probleme turbina, debitmetru, EGR?
Dan Adrian 1975 a postat în topic iniţiat de alinica2001 din TDi Forum
Va salut,o recomandare ptr o diagnoza /log profi in Bucuresti ptr 2.0 TDI 150cp euro6 ?
