Jump to content

Bloc lumini - Operatiune de schimbare


Eugen Dragan
 Share

Postare recomandată

  • Replies 206
  • Created
  • Last Reply

Top Posters In This Topic

  • hremus

    31

  • Al Bundy

    27

  • hbogdan

    9

  • F l o r i n

    8

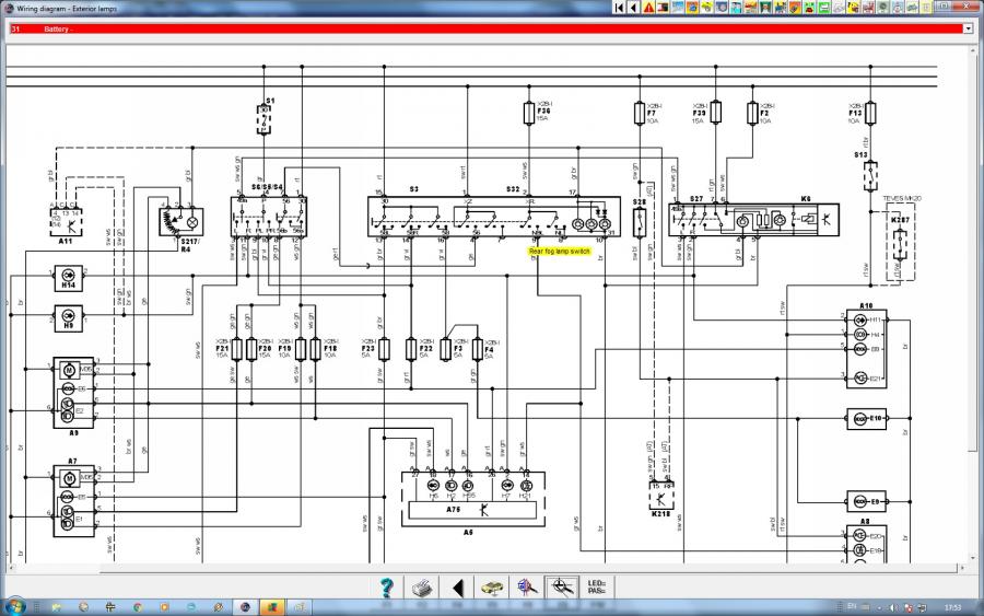
Sau in schema originala de mai jos:

Trebuie legat un fir de la pinul 7 eurosw (light switch) la punctul comun al sigurantelor 20 si 21.

post-1788-1197638430_thumb.jpg

Modificat de al bundy
Link către comentariu
Distribuie pe alte siteuri

  • 3 weeks later...

Salut, am si eu niste nelamuriri legate de ce se discuta. Vreau sa-mi pun si eu becuri de ceata - am facut rost de un proiector, fac rost si de al doilea si de blocul de lumini cu pozitie pentru ceata. Ce nu stiu...unde se gaseste releul de la proiectoarele de ceata si la ce foloseste efectiv? eventual un cod ceva la el. Merci

Link către comentariu
Distribuie pe alte siteuri

Daca nu ai avut proiectoare nu ai nici releul nici instalatia trasa. In schema originala releul este pus pentru a stinge proiectoarele atunci cand dai faza lunga. Din cele spuse mai sus de al_bundy parca, Euroswitch-ul rezista la curent de 5-6A asa ca poti lega proiectoarele direct din el. Eu personal am preferat sa folosesc un releu nu pentru stingere la faza lunga, ci pentru protectie euroswitch-ului. Am folosit un releu faza lunga/scurta de Dacia (5 lei) + papuci auto (2 lei/set). Releul este comandat de tensiunea de la switch, iar pe contactul lui am legat proiectoarele (in paralel) printr-o siguranta de 7.5A. Bafta!

Link către comentariu
Distribuie pe alte siteuri

Uite schema corecta. Testata.

In principiu vreau sa merg pe original...pot sa fac rost de toate piesele necesare...trebuie doar sa stiu unde sa gasesc releul pentru proiectoare (stiu ca nu am asa ceva pe masina, dar tocmai de asta vreau sa stiu unde il pot gasi pe alta masina - pozitionarea lui...pe langa far..etc) - respectiv releul ala 53 din schema pusa de Muffi. Merci

Link către comentariu
Distribuie pe alte siteuri

Daca te uitai pe schema originala postata de mine vedeai unde e. (thirteenfold auxiliary relay panel under left side of dash)

Link către comentariu
Distribuie pe alte siteuri

Mai pe romaneste sub volan. Acolo ai o placa cu relee. Problema este ca acea placa nu are contactii electrici decat pentru releele existente, iar daca vrei sa pui inca un releu ar presupune sa pui acei contacti (care pe la noi ajung vreo 15-20 lei bucata), plus ca accesul este destul greoi. Eu releul l-am pus deasupra blocului de sigurante prins pe o parte metalica, de unde am luat si masa de altfel. Avantaje - am folosit un releu de 35A ieftin, papuci pentru el la fel ieftin, releul e destul de micut si are gaura de prindere. Probleme am avut cu papucii pentru blocul de sigurante si cele pentru far ca nu prea gaseam la un pret rezonabil. Asa ca am recurs la varinata sa le extrag dintr-o mufa cu vreo 10 contacti luata de la dezmembrari.

Modificat de hremus
Link către comentariu
Distribuie pe alte siteuri

Da, merci, acu m-am lamurit si eu pe unde ar trebui sa fie releul - vroiam sa stiu ca sa-l iau de pe o alta masina si nu stiam pe unde trebuie sa-l caut...apropos are cineva vreo idee de cod, ca sa-l pot recunoaste mai usor? :icon_thumleft:

Link către comentariu
Distribuie pe alte siteuri

  • 1 month later...

salut,am si yo o problema,am demontat blocul de lumini sa i-i schimb ledurile (aveam leduri verzi),iar acum nu mai i-i dau de cap il montez la loc,dar nu mai merge sa aprind nici o lumina,nici la bord nici la faruri,va rog daca puteti sa ma ajutati cu niste informatii sau niste poze,poate are o pozitie anume pe lamelele acelea...multumesc!!! :vaidecapulmeu:

Link către comentariu
Distribuie pe alte siteuri

Probabil s-a ars siguranta. Tu ai Passat B5, aici e aria G4/Bora.

Link către comentariu
Distribuie pe alte siteuri

De curand mi-am montat si eu niste proiectoare dar nu in faruri ci un bara jos.Proiectoarele le-am cumparat cu fire de legatura cu releu,schema, etc. Nu am dorit sa fac lucru de mantuiala si am inceput sa caut fire cu papuci speciali si blocul de lumini cu doua pozitii pentru proiectoare ceata si bec ceata in spate. Fire cu papuci am gasit la un tip din Sibiu care avea o intreaga intalatie de Golf IV si am luat mai multe mufe inclusiv cea in care intra euroswitchul. Am mai gasit la un tip de la o skoda octavia si un intrerupator dar din pacate avea ledurile verzi. Asa ca singurul lucru de facut a fost sa schimb ledurile din verzi in albastre sau rosi. Le-am schimbat in albastre. Dupa schimbare dar si inainte am avut ceva probleme cu el din cauza ca masina de la care a fost luat intrerupatorul a stat afara in ploaie si praf . Nu mergea nici o lumina la interior (bord..). Asa ca l-am desfacut si pentru a schimba ledurile dar si pentru al curata. Am folosit un spray special de contacte pentru curatare. Pentru cine doreste pe viitor sa-si schimbe ledurile, sa-l curete, sa-l desfaca ( din curioazitate poate ;) ) postez niste imagini cu el desfacut. Multa bafta.:rolleyes::icon_thumright::D:icon_cry:

post-20276-1204057069_thumb.jpg

post-20276-1204057090_thumb.jpg

post-20276-1204057116_thumb.jpg

post-20276-1204057325_thumb.jpg

post-20276-1204057341_thumb.jpg

post-20276-1204057357_thumb.jpg

post-20276-1204057494_thumb.jpg

post-20276-1204057516_thumb.jpg

post-20276-1204057604_thumb.jpg

post-20276-1204057619_thumb.jpg

post-20276-1204057722_thumb.jpg

Link către comentariu
Distribuie pe alte siteuri

  • 3 weeks later...

Gata, am intrat si eu in clubul alora care si-au schimbat faruruile la bora, neavand initial proiectoare.

Mi-am montat si FK- negre- exact ca ale lui vladpo, mai putin ccfl, care oricum nu am de gand sa il pun.

Ce sa spun, de vis fata de ce era inainte. Mai ales cu proiectoare.

Mici probleme la reglarea lor, un pic cam anevoioasa, dar a mers si aia. Am facut-o eu manual si nu m-am dus la nici un service.

Probabil o sa ajung si la un service atunci cand am timp sa le regleze niste oameni avizati.

Acum revin cu alte mici intrebari :

1. Cine a facut montajul mi-a reglat proiectoarele pe minusul bateriilor...cu releu...nu are rost sa detaliez ci doar spun ca a fost necesar din partea mea sa conectez firul nou tras in bord, la un buton cu 2 pini: unul conectat la firul mentionat si altul se duce la masa. Works perfect! DAR....

As dori acum urmatoarele, din motive de siguranta in cazul bateriei :

1. Cum pot sa conectez si proiectoarele astfel incat sa imi "piuie" cand scot cheia din contact si le uit aprinse : exact ca in cazul farurilor, acea atentionare daca le uiti aprinse.

2. Alta varianta dorita de mine ar fi ca proiectoarele sa le conctez cumva la euroswitch, a.i., pentru pornirea lor sa fie necesara si apasarea butonului mai sus mentionat dar si actionarea euroswitchului, pe pozitii sau pe faza scurta.

Varianta 2 include varianta 1. Deci ar fi de preferat, dar nu stiu cum sa fac circuitul a.i., sa intre in schema si euroswitchul.

Multumesc ,

Mentionez ca am postat asta si pe alt topic dar se pare ca ala nu avea nici o legatura cu ce vreau eu si nici nu poate nimeni sa ma ajute.

Modificat de Ace2
Link către comentariu
Distribuie pe alte siteuri

  • 2 weeks later...

salutare, mi-am achizitionat si eu in sfarsit un bloc de lumini cu pozitie pentru proiectoare si faruri cu proiectoare

problema e ca nu stiu cum sa trag firele de la becuri pana in bord... si sa pun releul respectiv, nu ma pricep la electrica.

ecstuning are un kit aici.

cine il explica ?

mersi fain.

Link către comentariu
Distribuie pe alte siteuri

pai firul rosu il legi la plusul bateriei, firul celalalt cu papuc asemenator il legi la minusul bateriei apoi firul galben il pui in mufa ce intra in blocul de lemini in locasul gol de linga firul de ceata pentru spate, iar celelalte 2 fire gri merg la mufele farurilor.

pentru a gasi pinul corespunzator pentru comandarea farurilor de ceata din blocul de lumini ai nevoie de un voltmetru sau o lampa decontrol

Link către comentariu
Distribuie pe alte siteuri

ok ok dar cum trec un fir din compartimentul motor pana la blocul de lumini in bord ?

Link către comentariu
Distribuie pe alte siteuri

Pe lamga celelalte existente prin garnitura de cauciuc.

Link către comentariu
Distribuie pe alte siteuri

  • Administrator

scirocco

Daca ai fi citit tot topicul gaseai sigur schema din postul nr 6 care este exact ceea ce iti trebuie ca sa realizezi montajul . :)

Link către comentariu
Distribuie pe alte siteuri

  • 1 month later...

am si eu o nedumerire....farurile au loc pentru proiector dar nu exista bec inauntru in acel loc....dar exista pe marginea soclului un fir de masa si mai e o mufa care pare a fi un plus care e neconectata. blocul de lumini este fara proiectoare, adica are doar pozitia de ceata. are cineva idee, oare e tras circuitul si doar blocul de lumini trebuie schimbat? sa imi spuna si mie cineva cate fire intra in blocul de lumini daca ai si proiectoare din nastere. ms

Link către comentariu
Distribuie pe alte siteuri

Stiu sigur ca nu exista cablajul necesar, trebuie trase si alte fire.

Link către comentariu
Distribuie pe alte siteuri

daca tin bine minte in blocul de lumini intra un singur fir pentru proiectoare.sfatul meu este sa verifici daca ai fir in mufa ce intra pe far care sa corespunda cu firul liber din far

Link către comentariu
Distribuie pe alte siteuri

m-am dumirit...fireste k exista firul in far pt proiector ca farurile sunt prevazute cu proiectoare ;) dar in mufa de la instalatia electrica a masinii - care se baga in far nu este si fir pt. proiector, pozitia 8 fiind goala. ma gandeam k o varianta mai simpla de legare ar fi prin tragerea unui fir de la faza scurta. si ar merge si faza si proiectorul deodata.

Modificat de warum
Link către comentariu
Distribuie pe alte siteuri

Pentru a adăuga comentarii este necesară înregistrarea sau autentificarea

Trebuie să aveţi un cont de membru pentru a adăuga comentarii

Înregistrare membru

Înscrierea unui nou cont de membru. Este foarte uşor!

Înregistrare cont nou

Autentificare

Aveţi deja un cont de membru? Conectaţi-vă aici.

Autentificare în cont
 Share

  • Activi pe această pagină   0 membri

    • Niciun utilizator înregistrat nu vizualizează această pagină acum.
×
×
  • Create New...

 Functionarea acestui site este sustinuta de cele cateva bannere afisate intre posturi. Ar fi o placere pentru noi daca ar fi adaugat site-ul nostru in lista de exceptii ad-block in browserul tau. Promitem si veti vedea ca nu avem reclame intruzive si nici deranjante (nimic cu sunet,video sau all-screen). Multumim!