Jump to content

Probleme electroventilator / electroventilatoare


TDI
 Share

Postare recomandată

salut

 

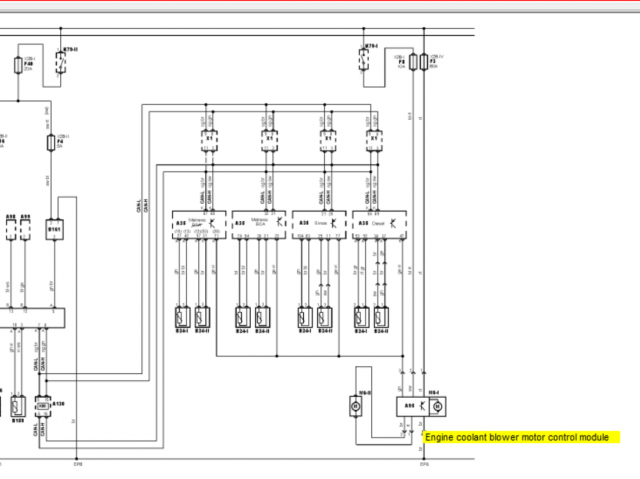
daca ai tablourile din imaginile de mai jos am insemnat cu rosu sigurantele.

ele trebuie probate cu lampa sau aparat pe ambele capete - trebuie sa ai curent pe ambele capete ale lor.

nu am inteles unde anume ai tras un fir - de la un plus pina unde exact?

pe schema nu apare nici un releu - din contact se alimenteaza f8 si de pe plus permanent f3 Screenshot_12.thumb.png.152eed56939e8d68f1448ea68e479277.png.

din ele firele merg direct in mufa modulului de ventilator (poate ai contacte oxidate sau fir intrerupt)

 

Screenshot_11.png

Screenshot_10.png

Link către comentariu
Distribuie pe alte siteuri

La ebox, la motor. Verifica daca nu cumva ti-o arde din cauza clapei de acceleratie defecte. Verifica, dupa ce o inlocuiesti

Modificat de F l o r i n
Link către comentariu
Distribuie pe alte siteuri

catalinpaun1998

IMG_20200731_161549.thumb.jpg.294a94703b504d0a00412896ffe95c7b.jpgVerificat siguranță F8 și e buna .Am tras firul din imagine la ventilatore la cel roșu deocamdată functioneaza

Link către comentariu
Distribuie pe alte siteuri

cum a zis si @F l o r i n, VERIFICA SI F3 (din poza din mijloc, tabloul cel mic).

 

firul rosu de la ventilatoare se alimenteaza exact din aceasta siguranta (este siguranta cea mai din dreapta, pe schema postata mai sus)

 

Nu ai zis nimic de aceasta siguranta (f3), esti sigur sigur ca e buna?.

Modificat de alinfa
Link către comentariu
Distribuie pe alte siteuri

catalinpaun1998

Verificat și F 3 și e foarte buna !

Modificat de catalinpaun1998
Link către comentariu
Distribuie pe alte siteuri

atunci e clar ca ai o poblema pe cablaj/mufe (intre f3 si modul ventilator).

Link către comentariu
Distribuie pe alte siteuri

Scrie detaliat ce ai verificat pana zcum. 

Link către comentariu
Distribuie pe alte siteuri

catalinpaun1998

Dat jos și verificat ambele ventilatoare și funcționau ,verificat mufa de jos și pe firul gros roșu nu am tensiune ,pe cele lalte doua subțiri îmi vin comenzi bănuiesc de la  sonde .Verificat siguranțele F 3 și F 8 au tensiune in ambele părți .Până găsesc defectul am tras un fir cu plus de la tablou la firul roșu de la mufa . Cad pornesc clima pornesc ambele ventilatoare .Nu am încercat până acum sa merg cu clima oprită sa vad daca după 90grade  pornesc ventilatoarele .

Link către comentariu
Distribuie pe alte siteuri

  • 3 months later...

Salut!

Am si eu o problema cu un Golf 5 1.9 TDI BKC 2004. Imi pornesc ventilatoarele de racire imediat cum pornesc motorul, indiferent daca o pornesc dimineata sau dupa ce am mers cu ea. Apa nu imi urca la 90 de grade indiferent de cat as merge cu ea, ajungand cel mai mult in jur de 80 de grade. 
Aveti idee care ar fi problema? 

Multumesc!

Link către comentariu
Distribuie pe alte siteuri

Nu apare nici o eroare. Mecanicul mi-a spus ca ar putea fi de la ventilatoare, dar nu mi-a spus si ce ar putea fi.

Mi s-a mai spus sa schimb releul sau termostatul. Ar putea fi din cauza asta?

Link către comentariu
Distribuie pe alte siteuri

Si ti-a spus si unde se afla releul ?

 

Link către comentariu
Distribuie pe alte siteuri

21 hours ago, florinct96 said:

schimb releul

Care releu...? 

Fa o diagnoza asa cum trebuie, la cineva care stie.....

Link către comentariu
Distribuie pe alte siteuri

Mi-a zis despre un releul care ar fi pe undeva sub bord. Ar fi releul care actioneaza pornirea sau oprirea venilatoarelor si ca ar fi ramas blocat pe deschis. 

Link către comentariu
Distribuie pe alte siteuri

Fals....de aceea iti recomand, o diagnoza competenta.

Link către comentariu
Distribuie pe alte siteuri

On 12/11/2020 at 6:28 PM, florinct96 said:

Salut!

Am si eu o problema cu un Golf 5 1.9 TDI BKC 2004. Imi pornesc ventilatoarele de racire imediat cum pornesc motorul, indiferent daca o pornesc dimineata sau dupa ce am mers cu ea. Apa nu imi urca la 90 de grade indiferent de cat as merge cu ea, ajungand cel mai mult in jur de 80 de grade. 
Aveti idee care ar fi problema? 

Multumesc!

I cutie automata DSG?

Link către comentariu
Distribuie pe alte siteuri

Nu, este manuala in 5 trepte.

Modificat de loghy
quote post anterior
Link către comentariu
Distribuie pe alte siteuri

@florinct96 Comanda blocului GMV se face de catre ECU motor care la randul lui primeste informatii de la diversi senzori de temperatura/AC in cazul tau mufa de la senzorul (termocupla) este deteriorata/oxidata, posibil cablaj rupt sau senzorul defect (la majoritatea masinilor daca scot mufa de la senzor temperatura apa motor ventilatoarele pornesc la turatie maxima urmat de mesaj in bord cu checkengine si engine-overheat)

fara diagnoza o iei babeste si inlocuiesti senzorul care nu costa mai nimic ~45lei... mai mult ca sigur degeaba.

Necesar diagnoza si dupa comanzi piesa exact dupa cod, in unele cazuri rare a trebuit inlocuit ECU motor. Termostatul nu are treaba pentru ca afara este frig si cu ventilatoarele la maxim e bine ca ajunge si la 80.

Intrebarea este de ce sa ramana acel releu pe inchis pentru ca el se decupleaza daca instalatia este in avarie/scurt sau nu primeste semnal de pornire treapta racire... repet comanda GMV este data de ECU motor.

Modificat de AndreiZi
Link către comentariu
Distribuie pe alte siteuri

Am inteles. Va multumesc pentru raspunsuri. Voi face o diagnoza si dupa ce o sa rezolv, voi reveni cu un raspuns aici. 

Link către comentariu
Distribuie pe alte siteuri

  • 11 months later...

Bună seara și sper ca nu am greșit topicul,dar vad ca se vorbește de ventilatoare aici. La un  golf 5 1.9 tdi BLS am următoarea problema(nu mereu,sunt zile când face și zile când nu) plec cu masina începe sa crească temperatura normal,doar ca la semafor sau in coloana încep ventilatoarele sa meargă la viteza maxima și scade temperatura aproape de tot. Eroare îmi da pe fan 2 v177 P1951. O șterg nu mai apare dar totuși îmi face aceasi figura fără sa reapara eroarea. Aveți vreo idee?? Mulțumesc anticipat

Link către comentariu
Distribuie pe alte siteuri

Posteaza si textul care apare dupa eroare..nu doar codul, ca sa te putem ajuta 

Link către comentariu
Distribuie pe alte siteuri

Sper sa se înțeleagă,e singura poza pe care am apucat sa o fac

20211201_223529.jpg

Modificat de loghy
quote post anterior
Link către comentariu
Distribuie pe alte siteuri

NU are legatura eroarea cu problema ta.

Verifica temperaturile raportate de senzorii de temp.

Link către comentariu
Distribuie pe alte siteuri

Senzorii?!?! Sunt mai mulți? Am comandat și mi-au dat doar 1 singur. Maine vine și termostatul și le schimb pe amândouă. Căci vineri tre sa plec la munte și nu vreau sa rămân fără căldură în masina cu un copil de 10 luni

Screenshot_20211205-162428_Chrome.jpg

Nu știu dacă are vreo legătură sau este o pura coincidenta,a început sa facă asa fix de când am reparat webasto-ul de pe masina

Modificat de loghy
quote post anterior
Link către comentariu
Distribuie pe alte siteuri

Pentru a adăuga comentarii este necesară înregistrarea sau autentificarea

Trebuie să aveţi un cont de membru pentru a adăuga comentarii

Înregistrare membru

Înscrierea unui nou cont de membru. Este foarte uşor!

Înregistrare cont nou

Autentificare

Aveţi deja un cont de membru? Conectaţi-vă aici.

Autentificare în cont
 Share

  • Activi pe această pagină   0 membri

    • Niciun utilizator înregistrat nu vizualizează această pagină acum.
×
×
  • Create New...

 Functionarea acestui site este sustinuta de cele cateva bannere afisate intre posturi. Ar fi o placere pentru noi daca ar fi adaugat site-ul nostru in lista de exceptii ad-block in browserul tau. Promitem si veti vedea ca nu avem reclame intruzive si nici deranjante (nimic cu sunet,video sau all-screen). Multumim!