Jump to content

Port Diagnoza Defect?


scipri2004
 Share

Postare recomandată

Scrobcristi

Baieti nu e de la interfata !!!! Daca o luati logic la 2.3 masini merge la altele NU...e clar pe masina respectiva are ceva ,acelasi lucru am patit si eu la o skoda fabia si un passat b3 s-a rezolvat problema in 3 sec ...va dau o concluzie mai aveti nevoie de inca o masina !!! 

Va salut:P

Link către comentariu
Distribuie pe alte siteuri

F l o r i n

Cristi, sa nu te superi pe mine.... dar ai raspuns la un post vechi de 5 ani.

In alta ordine de idei, nu ai spus cum s-a rezolvat.... oricum, problemele/solutiile pot sa difere - sa fie o problema de radio prost cablat - probleme alimentare OBD - sau interfata - in cazul clonelor.

Link către comentariu
Distribuie pe alte siteuri

  • 8 months later...

Salutare!Din pacate nu a dat nimeni rezolvarea situatiei cand de vina este portul de diagnostic al masinii,la masina mea nu merge dar la altele merge.O zi buna!

Link către comentariu
Distribuie pe alte siteuri

salut !

nu exista o problema/solutie universala - poate sa fie de la un radio aftermarket prost conectat, probleme de cablaj, probleme la vreun modul de pe masina, etc.

Trebuie plecat pe cablaj si investigat

Link către comentariu
Distribuie pe alte siteuri

  • 1 month later...

Vă Salut. ..Am revenit 

Pt a reuși sa va conectați pe mașina la obd2,primul pas conectațiva la o alta mașina după care se scote mufa și se pune pe mașina respectiva .la mine a funcționat eventual firul de la radio nu mai face legătura la calculator 

Link către comentariu
Distribuie pe alte siteuri

cristi - m-ai zapacit un pic.... trebuie sa te poti conecta la masina, fara sa vizitezi si alte masini din parcare.

Nu prea inteleg ce ai vrut sa zici in acest post, poate ne luminezi un pic....

Link către comentariu
Distribuie pe alte siteuri

  • 3 months later...
  • 6 months later...

Salutare domnilor!

O problema asemanatoare am si eu,si anume nu ma pot conecta cu interfata pe niciun modul.Masina in cauza este un golf 4 diesel.

Interfata este buna ,pe alte masini functioneaza.Am incercat si cu o alta interfata pe masina mea,acelasi rezultat NO RESPONSE FROM CONTROLER.In momentul in care ea incearca sa se conecteze ,dupa a treia incercare imi apare spirala intermitent in bord.Doresc sa fac scanare la masina deoarece are momente cand nu porneste.dupa ce porneste masina se comporta normal numai ca spirala se aprinde intermitent.(releul 109 este exclus .cand nu pornreste imi apare martorul in bord,dar chiar si asa i-am refacut lipiturile de pe placa.Astea le,am adaugat poate conteaza la prima mea problema,neconectarea la diagnoza.

Ce am incercat pana acum:

-deconectare radio,faruri si modul abs(din panoul de sigurante nu de la sig de pe baterie) cu toate ca inainte nu am avut probleme in a ma conecta la diagnoza cu cele enumerate conectate.Am masina de 8 ani.

-nu merge pe niciun alt modul.nu numai pe engine.

-sigurantele sunt toate bune.

Nu am incercat sa masor tensiunea intre pin 4 si 7 al mufei de diagnoza sau sa fac strap cu 1 k ohm rezistor sa vad daca se incalzeste sau nu..daca am vreun scurt pe undeva.

Alte idei le astept cu mare placere.

Multumesc!

 

Link către comentariu
Distribuie pe alte siteuri

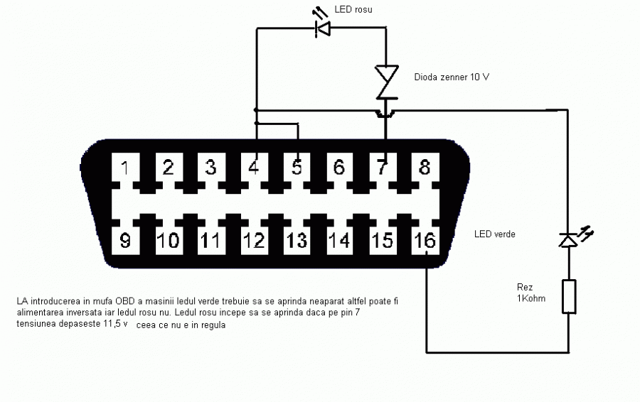
Trebuie văzut dacă tensiunile în mufă sunt ok. Poţi face montajul ataşat ca să vezi. Nu cred că o rezistenţă de 1kOhm se va încălzi  suficient să simţi la mână la 12 V :). După formula P=U2/R va disipa o putere de 0,1 W.

Deci ori măsori cu un multimetru ori faci montajul cu led-uri

5a7602e71d129_schemaverificaresimplaconnectorOBDII.thumb.GIF.14c55436fae769aded0dff24127663fc.GIF

Link către comentariu
Distribuie pe alte siteuri

Faza cu rezistenta am citit-o pe site la ross tech :)Am sa masor cu multimetru si revin.

Multam pt schema!

Link către comentariu
Distribuie pe alte siteuri

Revin.Am masurat cu multimetrul si intre pinii 4 si 16 am 12,5 v iar intre 4 si 7 am in jur de 11v cu contactul pus.Cu motorul pornit intre 4 si 16 am 14.2 v si intre 4 si 7 am 12,4 v.

Tot incercand sa depistez defectul ,am lasat mai mult timp sigurantele de la faruri deconectate..si am reusit cu greu sa am conectez.Am gasit eroare de imobilizator intermitent(eu am schimbat ceasurile la Florin si ceasurile noi nu au martorul cheita).tin sa cred ca din cauza asta nu pornea cateodata.de fapt pornea scurt si se oprea .in bord nu mi se aprindea nimic.dupao perioada incepea spirala sa palpaie.

          E posibil daca am gasit eroarea aia cu imobilizator intermitent sa nu ma pot conecta la masina?

           Sau din cauza chinezariilor de xenoane ?Dintotdeauna am avut xenon si m-am putut conecta fara probleme.

 

Link către comentariu
Distribuie pe alte siteuri

On 03.02.2018 at 20:44, lupo_bv a scris:

Trebuie văzut dacă tensiunile în mufă sunt ok. Poţi face montajul ataşat ca să vezi. Nu cred că o rezistenţă de 1kOhm se va încălzi  suficient să simţi la mână la 12 V :). După formula P=U2/R va disipa o putere de 0,1 W.

Deci ori măsori cu un multimetru ori faci montajul cu led-uri

5a7602e71d129_schemaverificaresimplaconnectorOBDII.thumb.GIF.14c55436fae769aded0dff24127663fc.GIF

Am realizat si montajul cu leduri.Ledul verde se aprinde iar cel rosu nu se aprinde.Se pare ca tensiunile sunt ok.

Tre sa ''sap'' mai adanc pt a descoperi problema.

Link către comentariu
Distribuie pe alte siteuri

  • 2 months later...

Revin cu rezolvarea.O perioada am lasat-o asa pana in momentul in care nu a mai pornit deloc,Invartea ,pornea si se oprea,simptom probleme imobilizator.Cum nu puteam sa ma conectez la niciun modul ,nu stiam ce are.Am deconectat pe rand modul abs,mod comfort,airbag si ceasuri.Fara ceasuri am putut sa ma conectez.Problema ceasurile.

Am tinut sa anunt si aici multumind pt sfaturi  colegului lupo_bv care a fost interesat de problema si a putut sa ma ajute.

Link către comentariu
Distribuie pe alte siteuri

Bineînţeles. Nu are legătură cu un anumit tip de maşină, este vorba de un standard pe care trebuie să le respecte toate (grupul VAG nu ştiu la celelalte dacă se aplică)

Link către comentariu
Distribuie pe alte siteuri

Am facut niste masuratori.

Intre pinii 4-16 am 12,6v>>>>voltajul bateriei

Intre pinii 4-7 am 0.02v>>>> cred ca aici e problema.Cu motorul pornit am 0,11v . Din ce am gasit aici ar trebui sa fie 4-4.5v , gresesc ?

Ca si HU am Mfd original, deci il elimin, alte sugestii ?

Link către comentariu
Distribuie pe alte siteuri

Am gasit buba, la firul de diagnoza, pin 7 K-line, aveam legat firul de diagnoza de la senzorii de parcare pe care ii montasem acum 1-2 ani. Am desfacut firul de diagnoza de la senzori si totul e ok acum, pot sa fac diagnoza pe masina. Interesant e ca dupa ce am montat senzorii de parcare nu a fost nicio problema, aceasta aparand ulterior, sa inteleg ca firul de diagnoza de la senzorii de parcare imi face masa/scurt undeva pe traseu ? Se vede diferenta si pe interfata de diagnoza, led verde (ok) led rosu (not ok). Un mic video

20180414_184631.jpg

20180414_184645.jpg

Modificat de terminatoru
Link către comentariu
Distribuie pe alte siteuri

  • 3 years later...

Eu am depistat ca nu am tensiune deloc pe pini 4 și 7  ce ar trebui sa verific în continuare?

Link către comentariu
Distribuie pe alte siteuri

Salut, verifica siguranta F12 de 7.5A din panoul de sigurante din habitaclu, siguranta asta alimenteaza mufa OBD.

Link către comentariu
Distribuie pe alte siteuri

Verificat. Nu  era arsa dar am schimbat-o preventiv cu una noua. Acum am tensiune pe pini

4 și 16 =14,08v

4 și 7 =13,47v 

4 și 6 =2,06v

4 și 1 = 14,04v

4 si 14= 2,72v

4 și 13 = 0v

Tot nu se conecteaza tester la  masina.  Alte sugestii?

 

Link către comentariu
Distribuie pe alte siteuri

Salut, uite o schema mai jos cu mufa de diagnoza. Vad ca se conecteaza mai departe cu "Display control unit" verifica si sigurantele care apar in imaginea a doua.

Screenshot_1.png

Screenshot_2.png

Link către comentariu
Distribuie pe alte siteuri

Alimenteaza plusurile si vezi daca funcționează. Daca da, mergi pe cablaj.

Link către comentariu
Distribuie pe alte siteuri

  • 3 years later...

Poate deranjez și eu cu o întrebare la un Sharan din 2000,dar insist totuși:problema e in felul următor:am schimbat mânerele la uși deoarece se rupsese acea linguriță ce intra in broască și blochează/deblochează mașina. Nu am telecomanda. De la broasca ușă stânga față se blochează toate. După 3 zile ușile spate nu se mai deblochează, cele din față doar mecanica din cheie si problema cea mai grava: nu pot face diagnoza. Bag mufa OBD, nu se aprinde nici unul din ledurile roșu/verde. La altă mașină merge fără probleme. Are cineva vreo idee? Siguranțe verificate, bune. De pornit pornește fără probleme, ma atenționează dacă deschid ușa la sofer si pozițiile sunt aprinse. Nu mai știu ce sa verific. Am scos si bateria, ușile spate tot nu se deblochează. 

Link către comentariu
Distribuie pe alte siteuri

Vezi totuși dacă ai cele doua alimentari, în mufa obd. Plus permanent și plus contact

Modificat de F l o r i n
Link către comentariu
Distribuie pe alte siteuri

O să verific. Ideea e ca după ce am încercat să deschid normal mașina din cheie (am centralizata, dar fara telecomanda, din butucul manerului), mi-a picat tot ce înseamna închidere centralizata (ușile pe spate au rămas blocate) și nu mai am nici curent in mufa OBD. La alta mașină, măcar se aprind ledurile mufei. La asta nimic. Verificat siguranțe, nu mai știu. Dacă nu am curent pe siguranța închiderii centralizate, as putea sa ii aplic 12V fără să cauzez alte stricăciuni? 

Link către comentariu
Distribuie pe alte siteuri

Pentru a adăuga comentarii este necesară înregistrarea sau autentificarea

Trebuie să aveţi un cont de membru pentru a adăuga comentarii

Înregistrare membru

Înscrierea unui nou cont de membru. Este foarte uşor!

Înregistrare cont nou

Autentificare

Aveţi deja un cont de membru? Conectaţi-vă aici.

Autentificare în cont
 Share

  • Activi pe această pagină   0 membri

    • Niciun utilizator înregistrat nu vizualizează această pagină acum.
×
×
  • Create New...

 Functionarea acestui site este sustinuta de cele cateva bannere afisate intre posturi. Ar fi o placere pentru noi daca ar fi adaugat site-ul nostru in lista de exceptii ad-block in browserul tau. Promitem si veti vedea ca nu avem reclame intruzive si nici deranjante (nimic cu sunet,video sau all-screen). Multumim!