Jump to content

Schimbator de viteze - probleme


Motorrad
 Share

Postare recomandată

Salut am o problema la nuca schimbatorului de viteza,se misca ,cam 1 cm spre stinga si cam tot atit spre dreapta,adica are un joc dar nuca atit nu si altceva,,ce sa fie?

Link către comentariu
Distribuie pe alte siteuri

e normal sa fie un mic joc la schimbator. ai vreo problema cand bagi in viteza ? intra greu ? caraie ? daca nu , nu ai motive de ingrijorare

Link către comentariu
Distribuie pe alte siteuri

  • 3 months later...

Salut Razvan si eu sunt din brasov si aceeasi problema o am si eu imi agata la schimbatul vitezelor , nu caraie nu face galagie , si m-ar interesa daca poti face o curatare , eu le-am uns cum am putut dar nu le-am demontat , daca ai un numar de telefon sau o adresa de mail sa vorbim despre detalii . multumesc

Modificat de gabitzu02
Link către comentariu
Distribuie pe alte siteuri

Felicitare pt DIY....foarte reusit.Zilele urmatoare cred ca am sa ma apuc si eu de curatare ca deja a inceput si a mea sa aiba aceste simptome...Poate daca reusesc revin si cu poze.

Link către comentariu
Distribuie pe alte siteuri

  • 10 months later...

Buna referitor la schimbator aceeasi problema o am si eu la Jetta 1.9 TDI, la rece intra frumos. usor iar cand merg mai sportiv ceva se incalzeste si nu mai intra usor intra-intaia trebuie sa o bag in a doua si pe urma intran-taia.

Link către comentariu
Distribuie pe alte siteuri

salut ..cum se numeste vaselina pentru protectie , aplicata dupa curatare ? multumesc 

Link către comentariu
Distribuie pe alte siteuri

Polyfeet grease. Pwe bodonul meu asa scrie si am cumparat-o din reprezentanta.

O sa-ti dau si codul, insa recunosc ca am dat pe un tub 100 lei.

Am vazut insa in magazine o vaselina asemanatoare la vreo 20 lei tubul, ce rezista la mizerie si temperatura. E de la Ravenol.

Important e sa reziste cat de cat la temepratura si sa fie dirt repellant, deci sa reziste si la mizerie.

Link către comentariu
Distribuie pe alte siteuri

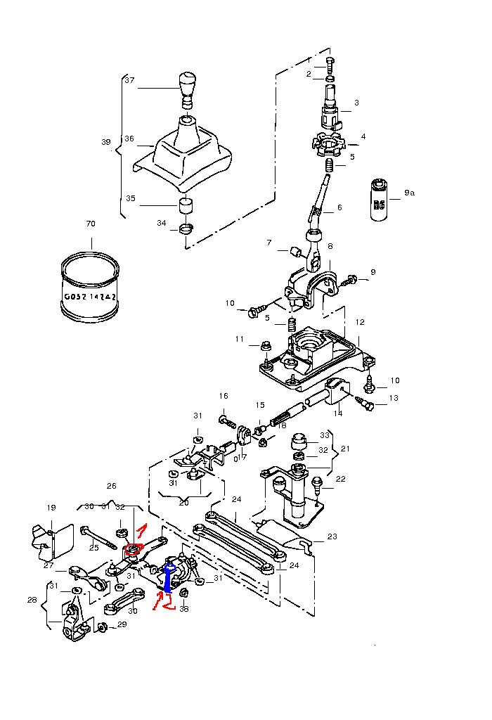
salut...am o intrebare si o rugaminte la voi daca ma puteti lamuri ....Dupa ce am curatat cu simt de raspundere timoneria( fara sa o dau jos, nu ma bizui de unu singur ) , am observat ca singura problema la ea , pentru care nu imi intra bine in TREAPTA A 5-A e un "surub" sau ceva de genu prins cu o siguranta , dar cu pozitionata dedesubt , ceea ce e greu de scos daca nu ridici masina..Daca imi puteti spune cum as putea rezolva jocul " surubului " ala  ( va atasez poze ) , fara sa fiu nevoit sa o schimb toata timoneria , cu tot ansamblul? Am sunat la diferite parcuri si ma ajunge in jur de 350 ron...Jocul e destul de mic ,la vreo jumatate de centimetru ...daca a-ti avut asemenea problema , puteti sa-mi spuneti cum a-ti rezolvat ?  :mellow:  :banghead:   

post-132774-0-73473300-1403178165_thumb.  
problema e la siguranta 2 ...acolo e "buba" mare 

post-132774-0-74750400-1403815445_thumb.

Modificat de edy1704
Link către comentariu
Distribuie pe alte siteuri

tot ansamblul ce cuprinde si piesa mea cu pricina ARE CODUL 1J0711729F - CONSOLA SELECTOR CUTIE DE VITEZE VW GRUP

 

Imi puteti spune niste preturi pentru piesa ?

post-132774-0-20174700-1403823184_thumb.

post-132774-0-81150800-1403823242_thumb.

Modificat de edy1704
Link către comentariu
Distribuie pe alte siteuri

  • 3 weeks later...

Salut, 

cum, pot sa schimb piesa nr 3 de pe desen, 

S-a rupt ghidajul de marsarierre, si foarte greu gasesc si viteza 1-a.

mentionez ca am cutie de viteza nou noutza..!!

 

Link către comentariu
Distribuie pe alte siteuri

La mine s-a rup urechea de ghidare si trebuie sa schimb piesa neagra.

Ma poate ajuta cineva va rog .. cum se desface.. inlocuieste.. 

ce trebuie demontat...se poate face acasa.. sau doar la mecanic.. 

multumesc  

post-45125-0-11099400-1406269190_thumb.j

Modificat de AR86MON
Link către comentariu
Distribuie pe alte siteuri

Vezi ca ai un colier de metal pe care trebuie sa il desfaci.Acest colier tine mansonul,si dupa ce il desfaci tragi in sus de schimbator si iti iese.

Dupa ce dai jos schimbatorul acea tija de plastic are in cap un surub tip torx ,il desfaci si acea tiaj de plastic iese afara.

Codul il ai pe el sau cand ajung acasa iti dau eu codul.

Link către comentariu
Distribuie pe alte siteuri

1J0 711 893 - 50 ron a fost 

multumesc

Modificat de AR86MON
Link către comentariu
Distribuie pe alte siteuri

  • 2 weeks later...

Partea cu colierul a fos mai greu, dar pana la urma . .dupa o "largire" am reusit sa il extrag in sus, 

sub el un torx  intr-o garnitura de cauciuc;

piesa se schimba foarte usor.

 si acuma functineaza cum ar trebui sa mearga orice cutie de viteze noua.!

 

Multumesc SSRAZVAN

Link către comentariu
Distribuie pe alte siteuri

  • 4 months later...

Salutare. Azi am avut o surpriza. Mi sa blocat in marsarier. Am reusit sa scot dar nu mai intra doar in a 3-4-5. Si mi se misa foarte greu schimbatorul. De exemplu daca vreau sa bag in1-a, nu pot sa trag catre picior ca sa intre. Ce poate sa problema?

Link către comentariu
Distribuie pe alte siteuri

  • 4 months later...

Salut

 

Referitor la problemele mele, am in locuit 2 dintre cele 4 tije (cea rasucita si cea neagra scurta) si situatia s-a rezolvat, nu se mai aude nimic cand schimb, parca e masina noua.

 

Le cumparasem pe toate 4, dar dupa ce m-am chinuit 2 ore sa le schimb pe cele 2, nu am mai avut curaj sa le schimb si pe celelalate.

 

Atentie, intra ff greu la loc, trebuie un cleste folosit ca o presa, dar accesul e fff dificil.

 

Toate 4 tijele au costat 55 ron.

Link către comentariu
Distribuie pe alte siteuri

  • 2 months later...

Adriannnn un cod la piese se poate , sunt pachet toate patru pe un cod sau separat?

Link către comentariu
Distribuie pe alte siteuri

  • 3 weeks later...

va salut ,am o problema la maneta ,cand o scot din a 5 ramane tot pe pozitia de a intra iar deci trebuie sa o trag eu pt ce viteza vreau sa o bag ,si nu vb doar de a 5 si cand o scot si din a 2 tot acolo ramane deci nu are arc sa o ajute sa revina pe mijloc in pozitia 3  sau 4.

Link către comentariu
Distribuie pe alte siteuri

  • 1 month later...

Salutare tuturor!

 

Stiti cumva de unde pot face rost, separat, de bucsa sigurantata din teflon 1J0 711 590 B ??

 

Aceasta e ovalizata si nu mai intra in tr I decat fortat sau putin apasat ca si cum as cupla MAR, dar aici exista riscul chiar sa cuplez din greseala MAR. de asemenea si tr II-a agata destul de rau la cuplare.

 

f19924s-960.jpg

Link către comentariu
Distribuie pe alte siteuri

Cel mai probabil la o reprezentanţă, nu cred că se face pe aftermarket.

Link către comentariu
Distribuie pe alte siteuri

  • 4 months later...

Stiti cumva sub ce nume sau un cod pentru piesa alba incercuita? La mine este uzata destul de mult si necesita schimbare. Multumesc

post-72681-0-07126300-1451929622_thumb.j

Link către comentariu
Distribuie pe alte siteuri

  • 1 month later...
On 8/31/2015 at 11:13 AM, Vely said:

Salutare tuturor!

 

Stiti cumva de unde pot face rost, separat, de bucsa sigurantata din teflon 1J0 711 590 B ??

 

Aceasta e ovalizata si nu mai intra in tr I decat fortat sau putin apasat ca si cum as cupla MAR, dar aici exista riscul chiar sa cuplez din greseala MAR. de asemenea si tr II-a agata destul de rau la cuplare.

 

f19924s-960.jpg

Salutare!

Si eu am aceeasi problema cu aceeasi piesa.

Ai reusit sa o gasesti separat undeva de cumparat?

Link către comentariu
Distribuie pe alte siteuri

  • 2 weeks later...

salut, sunt nou pe forum si sincer habar nu am daca am deschis topicul unde trebuie, ca nu gasesc bora la modele anyway, uitati cum sta treaba:

recent am schimbat kit-ul ambreiaj, schimbatul vitezelor mergea ok, usor, masina ulterior a stat in curte nefolosita in jur de 8-9 zile, dupa acest timp plec cu ea, cutia merge bine, dar dupa ce merg 4 km, opresc motorul stationez 15 min, plec gata ceva s-a intamplat, levierul se misca greu, intra in viteze dar pur si simplu trebuie sa aplici forta mai multa, indiferent de ce viteza este vorba, si la rece si cu motorul pornit acelasi lucru, sau la scosul la punctul mort, la fel, tragi ceva de levier de parca tine ceva,  precizez ca in ultimul timp masina a cam stat, o fii uleiul din cutie? sper sa ma ajutati cu un sfat, ps masina din semnatura

Link către comentariu
Distribuie pe alte siteuri

  • 4 weeks later...

A gasit careva bucsa 1J0 711 590 B de cumparat in magazine?

 

Link către comentariu
Distribuie pe alte siteuri

Unde este pozitionata bucsa de teflon 1J0 711 590 B ? Ma gandesc sa o schimb dar nu am reusit sa o localizez la masina din semnatura. Multumesc.

Link către comentariu
Distribuie pe alte siteuri

Pentru a adăuga comentarii este necesară înregistrarea sau autentificarea

Trebuie să aveţi un cont de membru pentru a adăuga comentarii

Înregistrare membru

Înscrierea unui nou cont de membru. Este foarte uşor!

Înregistrare cont nou

Autentificare

Aveţi deja un cont de membru? Conectaţi-vă aici.

Autentificare în cont
 Share

  • Activi pe această pagină   0 membri

    • Niciun utilizator înregistrat nu vizualizează această pagină acum.
×
×
  • Create New...

 Functionarea acestui site este sustinuta de cele cateva bannere afisate intre posturi. Ar fi o placere pentru noi daca ar fi adaugat site-ul nostru in lista de exceptii ad-block in browserul tau. Promitem si veti vedea ca nu avem reclame intruzive si nici deranjante (nimic cu sunet,video sau all-screen). Multumim!