Jump to content

Schimbator de viteze - probleme


Motorrad
 Share

Postare recomandată

Am cumparat recent masina, merge super dar de cand am inceput sa merg cu ea am observat ca atunci cand plec dimineata, vitezele se schimba usor, maneta revine in centru cand e in punctul mort, dar dupa o perioada vitezele se schimba mai greu si maneta are tendinta de a ramane in stanga sau in dreapta cand o scot la punctul mort. De intrat intra fara probleme in viteza doar ca ma solicita mai mult putin. E normal sa se intample asa sau e ceva problema? Masina e un Golf IV 2001, 1.6, 16v, AUS.

Multumesc,

Dan

Link către comentariu
Distribuie pe alte siteuri

Unge cu niste spray vaselina timoneria (pe cutie sunt 2 parghii si intre ele glisa - treci pe rand prin toate vitezele si da cu spray in diferitele pozitii ale parghiilor). Probabil mai trebuie unsa cu vaselina siliconica si nuca schimbatorului, de sub cal/burduf.

Link către comentariu
Distribuie pe alte siteuri

Ciudata problema, daca ar fi ceva intradevar legat de cutie ar trebui sa se intample fix invers, sa fie mai usor cand e cald uleiul. Incearca un WD40 si verifica totusi si nivelul uleiului in cutie.

Link către comentariu
Distribuie pe alte siteuri

Nu prea ai ce sa ii faci, e facut cam aiurea sistemul de parghi. Incearca cu spray sau vaselina. Pune pe cineva in masina sa miste de maneta si o sa vezi in dreapta motorului parghiile care misca si unge-le. Si eu am avut o senzatie ciudata, cand am condus un AUS, fiind obisnuit cu TDI. Am mers la service sa verific uleiul in cutie, dar era ok. Despre pozitia manetei pe liber nu stiu ce sa zic...sta unde vrea :blink: nu sta ca la alte masini in dreptul vitezei a 3-a.

Link către comentariu
Distribuie pe alte siteuri

Si eu experimentez aceeasi senzatie (AZD + ERT). Am inteles ca la 100kkm trebuie sa ii schimb uleiul ... sunt curios daca se mai simte la fel dupa.

Link către comentariu
Distribuie pe alte siteuri

Multumesc de raspunsuri. Azi o sa incerc sa dau cu WD pe acolo sa vad daca rezolv ceva. Asta m-a intrigat si pe mine, la rece merge usor, la cald mai greu, deci uleiul din cutie nu e problema.

@abuwz: am postat in acelasi timp :blink:. Anunta-ma te rog daca dupa ce schimbi uleiul face la fel. Poate totusi e uleiul.

Modificat de Motorrad
Link către comentariu
Distribuie pe alte siteuri

  • 1 month later...

Salut Motorrad :beerchug:

Si la mine aceasi problema, la rece se misca maneta usor, dar la cald nu revine in pozitia de liber ...

Modificat de adrianTNT
Link către comentariu
Distribuie pe alte siteuri

  • 1 month later...

Salut...

Am si eu o mica problema... Am mai postat un mesaj pe un thread de la Passat (cred singurul thread cu o problema asemanatoare) acum aproape 1 luna de zile si nu am primit nici un raspuns.... Deci rog intelegere legat de deschiderea acestui topic...

Deci... problema e in felul urmator.. Cand masina si schimbatorul e rece (la plecarea de acasa sau de undeva unde a stat masina mai mult) totul este ok.. adika intra foarte usor in viteza 1 si 2.... Dupa ce merg in special prin oras unde mai mult de viteza 2-a deja este vis erotic.. schimbatorul incepe sa scartaie (pe axa treptelor 1-2) si apare o frecare gen cauciuc-pe-cauciuc ceea ce creaza si o "greutate" in a schimba viteza in treptele sus mentionate. Am desfacut acolo acum vreo 2 saptamanii si am uns cu WD40 bila aceea si de altfel cu vasilina siliconica si bila si opritorul din partea stanga a schimbatorului si blocajul de plastic atasat manetei schimbatorului (pot sa pun si niste poze daca e cazul)... Atunci pe moment s-a diminuat destul de mult problema... Dar acum am observat ca dupa ce merg mult in oras si se incalzeste si in masina si banuiesc ca si vasilina aceea, incepe iar sa scartaie :( ...

Poate fi vasilina prea subtire si se inmoaie de la frecare?

Ce altceva mai poate fi... Zgomotul vine 99% sigur din acea zona.. deci nu de sub masina sau ceva...

Astept orice fel de idei si sugestii..

Multumesc anticipat...

Link către comentariu
Distribuie pe alte siteuri

  • 2 weeks later...

De ceva timp ma confrunt si eu cu aceiasi problema. Cand masina este rece totul este ok, nu scartaie nimic la schimbarea vitezelor 1-2. Dupa ce se incalzeste masina incepe sa scartaie destul de tare cand bag viteza 1-2 si ceva mai putin cand bag 3-4. M-am bagat sub masina si am rugat pe cineva sa schimbe vitezele. Ce am observat este ca scartaie o bucse de forma sferica care este in capatul axului ce vine de la maneta schimbatorului. Bucsa asta are un mic joc pe directia sus-jos, si miscand-o cu mana scartaie. Probabil ca trebuie unsa bine respectiva bucsa.

Link către comentariu
Distribuie pe alte siteuri

Salut...

ma bucur ca in sfarsit mai are cineva problema asta.. nu e extraordinar de deranjanta dar pt. mine e o problema....

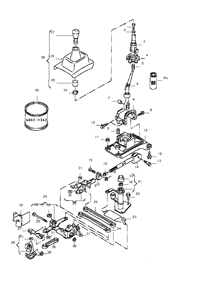
am atasat o schema la sistemul de schimbator cu tija.. Te rog mult uite-te la el si vezi daca si tu ai acelasi sistem.. eu cred ca pe asta il am... poate identificam cumva impreuna piesa problematica... :))

astept un semn de la tine...

post-11606-1196074009_thumb.png

Link către comentariu
Distribuie pe alte siteuri

  • 4 weeks later...

saluatare baieti, dupa cum spune si titlul topicului ma intereseaza daca la gama vw golf & bora se poate adapta si un alt schimbator de viteze fara manson si levierul de comanda, practic ma intereseaza doar maciulia din capul levierului, vreau sa schimb aceasta piesa si una originala costa foarte mult, poate exista si alte posibilitati.

multumesc! am incercat si cu functia search si nu am gasit discutia asta daca ea eista va rog sa ma directionati si scuze!

Link către comentariu
Distribuie pe alte siteuri

Din cate stiu eu se poate dar cu tot cu levier, pentru ca exista o canelura acolo, care la majoritatea celorlalte masini nu exista.

Link către comentariu
Distribuie pe alte siteuri

Cod piesa = 8L0863278BJRMD

pretul in germania este de 22 euro

post-9546-1198302965_thumb.jpg

Link către comentariu
Distribuie pe alte siteuri

multumesc stii pe cineva care ma poate ajuta sa-l procure?

Link către comentariu
Distribuie pe alte siteuri

  • Administrator

Florin , cauta-l pe ebay.de si apoi uita-te in aria "prrestari servicii" pentru ca sunt destui colegi caare aduc de pe ebay .

Vorbeste si tu cu unul din ei . :)

Link către comentariu
Distribuie pe alte siteuri

Rudolf's spunea ca a comandat de la ahw-shop si chiar ii recomanda ca fiind foarte seriosi. Gasesti o multime de piese si accesorii originale la preturi bune.

Bafta.

Link către comentariu
Distribuie pe alte siteuri

in comparatie cu solutia data de WNS si cu pretul de 22 eur in germania a piesei respective pentru audi a3 , pentru golful nostru cat costa acea pisa ( ma refer la manson + maciulia schimbatorului), la midocar am gasit cu 350 ron originala, totusi m-i se pare cam mult nu?

in germania aveti idee cat costa?

Link către comentariu
Distribuie pe alte siteuri

  • 3 months later...

Golf 4 1.6 cu motor AZD, cumparat de 4 luni. De cand il am tremura schimbatorul de viteze cand schimb vitezele, cursa de aproximativ 3-4 cm fata spate. Ce poate fii, e normal la golf 4 ?

Link către comentariu
Distribuie pe alte siteuri

se poate sa fie slab arculetul acela ...

Link către comentariu
Distribuie pe alte siteuri

pai stiu ca e un arculet la maneta aia, dar a fost schimbat in decembrie dupa ce am luat masina.

Link către comentariu
Distribuie pe alte siteuri

Am dat si un Search fara prea mare bafta, o fii discul de ambreiaj uzat sau ceva.... Am schimbat si uleiul in cutie acum 2 saptamani.

Link către comentariu
Distribuie pe alte siteuri

La fel face si la mine si sigur nu e discul sau altceva ,cred ca totul e din tijele acelea care cred ca si-au cam facut joc bucsele alea pe acolo ca sunt destul de multe

Link către comentariu
Distribuie pe alte siteuri

Verifica tampoane motor/CV

Modificat de .:bamse
Link către comentariu
Distribuie pe alte siteuri

si eu am avut problema asemanatoare - tremura schimbatorul cand acceleram si se simtea si in pedale un tremurat. am schimbat tamponul de la cutia de viteze si acum nu mai tremura deloc.

Link către comentariu
Distribuie pe alte siteuri

Pentru a adăuga comentarii este necesară înregistrarea sau autentificarea

Trebuie să aveţi un cont de membru pentru a adăuga comentarii

Înregistrare membru

Înscrierea unui nou cont de membru. Este foarte uşor!

Înregistrare cont nou

Autentificare

Aveţi deja un cont de membru? Conectaţi-vă aici.

Autentificare în cont
 Share

  • Activi pe această pagină   0 membri

    • Niciun utilizator înregistrat nu vizualizează această pagină acum.
×
×
  • Create New...

 Functionarea acestui site este sustinuta de cele cateva bannere afisate intre posturi. Ar fi o placere pentru noi daca ar fi adaugat site-ul nostru in lista de exceptii ad-block in browserul tau. Promitem si veti vedea ca nu avem reclame intruzive si nici deranjante (nimic cu sunet,video sau all-screen). Multumim!