Jump to content

Pierdere Antigel


AXIS
 Share

Postare recomandată

Incepi cu verificarea termostatului!!

Link către comentariu
Distribuie pe alte siteuri

  • 2 months later...

Va salut, 

Am nevoie de un sfat din partea voastra. 

Acum 2 luni cand a inceput sa se raceasca afara am remarcat ca in momentul in care stateam la semafor temperatura lichidului de racire scadea de la 90 grade pana pe la 80-75. Am zis, e clar trebuie sa schimb termostatul. Am mers la service, am facut operatiunea si acum cred ca am o problema. Temperatura lichidului de racire nu mai scade cand masina sta la relanti, dar cred ca pierd lichid de racire. Mentionez ca inainte de aceasta operatiune, in 2 ani nu am completat absolut deloc cu antigel. Sa revenim, cand am schimbat termostatul a curs lichidul de racire, asa ca am pus in instalatie altul nou, mai exact 3 litri de lichid de racire (antigel diluat) mecanicul anuntandu-ma ca va trebui sa mai completez eu pe masura ce se aeriseste instalatia. Am mai completat eu ulterior cu 1 litru lichid de racire, dupa un drum de 250 km am ajuns la destinatie cu vasul gol. Acum de fiecare data cand merg cu masina vad ca nivelul scade si completez cate aproximativ 50ml, poate chiar mai putin. M-am uitat sub masina, nu curge, nici in scut nu vad urme de lichide, m-am uitat in zona termostatului si nu e umed. E normal sa dureze atat de mult aerisirea instalatiei de racire? Am aproximativ 1000 km de la schimbarea termostatului si am completat pana acum pe langa cei 3 litri pusi initial 1.5 litri. Ar putea fi alte cauze ale acestor fluctuatii?

 

Multumesc!

Link către comentariu
Distribuie pe alte siteuri

  • 3 months later...

Salut colegi! De cand am cumparat masina consuma antigel dar nu stiu exact pe unde garnitura de chiulasa sau racitor de gaze.nici un mecanic nu a putut sa imi zica exact.am observat ca la relantiu daca sta mult scoate aburi pe toba am atasat o poza cu bulele de apa in toba.

IMG_20170507_154335.jpg

Modificat de Csabi 1986
Link către comentariu
Distribuie pe alte siteuri

  • 6 months later...
On 5/7/2014 at 12:58 PM, adyson2014 said:

Nustiu daca e normal deoarece raman fara apa in vas si mi se aprinde in bord. Opresc motoru verific vasu iar acolo nu mai am apa desfac busonu incepe sa se umple vasul la loc .problema nu e frecventa des doar cand o apuca pe ea.am fost la reprezentanta mau supt de 450ron verificare.au zis ori garnitura chiulasa sau bloc motor sau chiulasa. Daca era sa fie asa ma gandesc ca trebuia sa pierd lichid ceea ce nu se intampla.imi cer scuze pentru scris .dau mesaje de pe mobil

Nustiu daca e normal deoarece raman fara apa in vas si mi se aprinde in bord. Opresc motoru verific vasu iar acolo nu mai am apa desfac busonu incepe sa se umple vasul la loc .problema nu e frecventa des doar cand o apuca pe ea.am fost la reprezentanta mau supt de 450ron verificare.au zis ori garnitura chiulasa sau bloc motor sau chiulasa. Daca era sa fie asa ma gandesc ca trebuia sa pierd lichid ceea ce nu se intampla.imi cer scuze pentru scris .dau mesaje de pe mobil

Nustiu daca e normal deoarece raman fara apa in vas si mi se aprinde in bord. Opresc motoru verific vasu iar acolo nu mai am apa desfac busonu incepe sa se umple vasul la loc .problema nu e frecventa des doar cand o apuca pe ea.am fost la reprezentanta mau supt de 450ron verificare.au zis ori garnitura chiulasa sau bloc motor sau chiulasa. Daca era sa fie asa ma gandesc ca trebuia sa pierd lichid ceea ce nu se intampla.imi cer scuze pentru scris .dau mesaje de pe mobil

Buna ziua. am si eu aceeasi problema ca si adyson2014 mai sus , dar pe golf 6, 2.0 TDI CBDB. Presiune mare in vasul de expansiune, impinge antigelul in jos si se aprinde in bord martorul - nivel lichid de racire-. Desfac busonul si nivelul revine la normal, dupa 80-100 km la fel. Cu busonul inlaturat se vad in vas cateva bule de aer. Sa fie oare garnitura de chiulasa sau racitorul de gaze? Acest din urma e in spate langa turbo, nu prea am acces la el. In habitaclu se aud niste sunete ciudate asemanatoare cu cele ale unui calorifer neaerisit. Tin sa precizez ca am schimbat busonul vasului de expasiune si la fel face. Sa fie garnitura de chiulasa?

Link către comentariu
Distribuie pe alte siteuri

Salut @grrunt04,

Am avut aceeasi problema la un Passat B 5.5 cod motor AVB. Presiune mare in vas, zgomot de bule/goluri de aer in caloriferul interior. Garnitura de chiulasa era , sa spunem, "deteriorata". :) 

Link către comentariu
Distribuie pe alte siteuri

grrunt04 am avut cam aceleasi simptome la 1.9 ajm. Garnitura de chiulasa. Singura diferenta e ca nu se aprindea becul... Sigur e garnitura, nu mai baga bani in alte prostii, mai ales piese aftermarket.

Link către comentariu
Distribuie pe alte siteuri

14 hours ago, Delphinul said:

Salut @grrunt04,

Am avut aceeasi problema la un Passat B 5.5 cod motor AVB. Presiune mare in vas, zgomot de bule/goluri de aer in caloriferul interior. Garnitura de chiulasa era , sa spunem, "deteriorata". :) 

Cat v-a costat operatiunea de inlocuire a garniturii? Ati facut si planeitate?

Link către comentariu
Distribuie pe alte siteuri

  • 1 month later...

Va salut.Azi dupa 80 km parcursi cu clima automata la 29 de grade mi a aparut check coolant si antigelul era sub minim .Am completat si 20 km din nou .Coincidenta sau nu ,am scos clima de pe auto si am dat o la 21 grade cu ventilatia la minim si mi a scazut antigelul abia dupa vreo 70 km.

Dupa asta am completat din nou cu G12 si desi am circulat cu clima oprita mi a scazut din nou dupa vreo 30 km.

Link către comentariu
Distribuie pe alte siteuri

Salut, 

Passat B6, 2007, BMP.  Am avut mesajul  ,,check coolant", am oprit motorul,am vazut ca vasul este gol si aveam antigel, pe langa vas, la suprapresiune. Dupa vreo 5-10 minute am vrut sa completez cu antigel, dar in vas, antigelul, era deja la nivel (intre min-max), fara sa deschid busonul. M-i s-a intamplat de trei ori consecutiv, cam intre 20-30 km parcursi. La clima  din masina, aerul venea cand foarte rece, cand  foarte cald. Dupa ce am oprit incalzirea, nu a mai scazut nivelul vreo 60 km (ajuns la destinatie). Mentionez ca antigelul si uleiul sunt curate. Va rog sa imi dati cateva sfaturi. Locuiesc in Arad, dar sunt plecat la Caracal. Sa ma risc sa merg asa, inapoi la Arad ?

Link către comentariu
Distribuie pe alte siteuri

Am exact aceeasi problema numai ca eu am mers 25 km. Si mai am 500 de intors pana acasa.

Link către comentariu
Distribuie pe alte siteuri

Schimba busonul vasului de expansiune. Supapa de suprapresiune nu mai lucrează cum trebuie. Fa proba cu altul de la alta masina înainte să îl schimbi.

De regula se mai intampla asta si cand caloriferul de caldura este infundat. Verifica si asta.

Modificat de dinamita
Link către comentariu
Distribuie pe alte siteuri

Vezi daca se intaresc furtunele, daca da gaze pe la vasul de expansiune. Daca deschizi capacul la vas si se umple vasul la loc si ies gaze... Am avut aceleasi simptome ca si tine la 1.9 TDI AJM, scadea si aproape disparea apa din vas. La o vreme dupa oprirea motorului revenea antigelul si dadea pe afara. Nu are treaba ca opresti caldura sau nu cu antigelul, masinile nu mai au robinet la calorifer ca la Dacia 1300. Apa curge prin calorifer non stop, doar clapeta de aer dirijeaza daca aerul va trece prin calorifer sau nu. Iti vine aer rece deoarece ai gaze pompate de piston in sistemul de racire. Adica in loc sa fie lichid de racire fierbinte sunt gaze in calorifer sau pe furtune sau in pompa de apa. Merge bine dupa o vreme deoarece se incalzeste motorul si mai etanseaza un pic garnitura (o strang piesele care se dilata). Ar mai putea fi termostatul sau pompa dar eu cred ca e garnitura de chiulasa. 

Modificat de valioglu
Link către comentariu
Distribuie pe alte siteuri

grandtourismodiesel

Neaparat sa faci planarea chiulasei, daca schimbi garnitura de chiulasa.

Link către comentariu
Distribuie pe alte siteuri

Maine merg la un mecanic. Dar in Caracal, nu stiu ce o sa rezolv. Mai stau saptamana aceasta (intre sarbatori). Daca eram acasa (in Arad), era altceva. Daca nu rezolv aici, as putea oare, sa merg asa acasa (450 km) ? Daca nu , mai stau o sapt., sa treaca sarbatorile si incerc la Craiova sau Slatina. Prin oras, nu face figuri, doar la drum lung. Apa sta la 90 grade, dar doar dupa 10 - 15 minute, de mers. Nu a urcat niciodata peste 90.

Link către comentariu
Distribuie pe alte siteuri

Am fost azi , la mecanic si mi-a zis ca este sigur garnitura de la chiulasa, pt ca facea spume in vasul de expansiune, cand acceleram. A zis ca pot merge pana la Arad, dar sa o tin 90-100 km/ora ( "sa nu o calc"). 

Link către comentariu
Distribuie pe alte siteuri

S-ar putea sa fie mai ok daca desfaci un pic busonul de la vasul de expansiune ca sa nu faca presiune prea mare in sistem si sa iti sara vreun furtun.  Imi pare rau ca am avut dreptate, te va consta ceva reparatia.

Modificat de valioglu
Link către comentariu
Distribuie pe alte siteuri

On 12/28/2017 at 11:57, Flosil a scris:

Am fost azi

Salut.

Asa cum am spus am si eu aceeasi problema. Din pacate nu am gasit nici ieri nici azi un service care sa faca aceasta repratie nici in suceava, tg neamt, piatra neamt, bacau. Asa ca m-am riscat si am plecat de la tg neamt la Bucuresti. Am mers pe pilot la 100km/h si am ajuns foarte bine. Nu incerca sa mergi cu busonul deschis, pt ca am incercat asta pe dus si a aruncat tot antigelul afara. Am mers pe clima normala nu automata. Apa in vas a avut o fluctuatie foarte mica la viteza asta. Turatia a fost pana in 2000 rotatii/ min. Iti urez bafta si sa mearga la fel ca a mea.

Link către comentariu
Distribuie pe alte siteuri

  • 4 weeks later...
On 24.12.2017 at 2:01, Flosil a scris:

Salut, 

Passat B6, 2007, BMP.  Am avut mesajul  ,,check coolant", am oprit motorul,am vazut ca vasul este gol si aveam antigel, pe langa vas, la suprapresiune. Dupa vreo 5-10 minute am vrut sa completez cu antigel, dar in vas, antigelul, era deja la nivel (intre min-max), fara sa deschid busonul. M-i s-a intamplat de trei ori consecutiv, cam intre 20-30 km parcursi. La clima  din masina, aerul venea cand foarte rece, cand  foarte cald. Dupa ce am oprit incalzirea, nu a mai scazut nivelul vreo 60 km (ajuns la destinatie). Mentionez ca antigelul si uleiul sunt curate. Va rog sa imi dati cateva sfaturi. Locuiesc in Arad, dar sunt plecat la Caracal. Sa ma risc sa merg asa, inapoi la Arad ?

Salut, cum ai rezolvat problema?

Eu am schimbat pompa electrica de apa si termostatul si acum fave altfel.

La relanti si turata pe loc deschide termostatul si baga si cald. Daca merg mai repede cu ea adica la 60 km /h se racesc radiatoarele nu mai baga cald si apa se ridica la 110. Daca o las la relanti pe loc nu mai baga cald. Daca o la 15 min si o pornesc baga cald. Daca o las peste noapte , dimineata se comporta normal pana incep sa prind viteza. Pana sa schim astea tragea apa din vas . Acum o ridica cam cu un deget.

Ce naiba are!!!!!

Link către comentariu
Distribuie pe alte siteuri

Salut,

Chiar azi am luat-o, de la service. Am schimbat garnitura de chiulasa, rectificare chiulasa + supape, distributia + pompa apa. Toata treaba m-a costat 3400 lei. Am facut 50 km si nu am mai avut probleme, iar futunele de apa, nu au mai fost tari, adica nu imi mai baga presiune pe instalatie. A fost in service saraca, doua sapt. si 4 zile.

 

 

NU mai cita postul anterior!

Este contrar regulamentului si greu de citit.

Multumesc pentru intelegere!

 

Marian

Link către comentariu
Distribuie pe alte siteuri

  • 2 months later...

Buna seara.

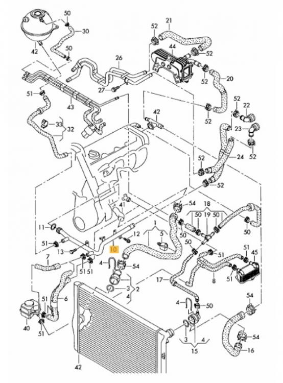
Am si eu probleme cu scurgerea de antigel la un passat B6 1.9tdi motor BLS din 2007.Prima oara a inceput sa se scurga la termostat.Am schimbat corpul termostatului si O-ringul si a incetat.De cateva zile a inceput sa curga din nou....dar din zona tevii care intra in blocul motor in corpul termostatului..am inteles ca in cel mai bun caz acolo eun O-ring care se coace daca nu este cumva sparta teava.Ca sa nu am surprize as dorii sa schimb toata teava dar nu prea imi dau seama din schita daca este cea cu nr10.o sa incarc schita mai jos si  as dorii sa imi spuneti daca e 10 sau nu!de asemenea  daca se schimba greu....cum e introdusa acolo...presare?

multumesc.

 

IMG-20180417-WA0032.jpg

IMG-20180417-WA0030.jpg

Link către comentariu
Distribuie pe alte siteuri

da, reperul 10 e teava metalica care intra in blocul motor si merge pana in spatele motorului

si la mine imi pierde pe acolo doar cand e frig afara,vara nu am treaba...nu stiu cum se scoate dar sunt cam multe de dat jos

posteaza codul la oring ca sunt interesat sa l cumpar

Link către comentariu
Distribuie pe alte siteuri

Eu o sa iau teava cu totul....original este 125 ron. o sa intreb de codul de la o -ring...dar stiu ca teava vine complecta.

Din cate vad pe desen teava vine doar pana sub pompa de inalta unde se imbina cu un furtun.

stie cineva codul tevii?

 

Link către comentariu
Distribuie pe alte siteuri

Pentru a adăuga comentarii este necesară înregistrarea sau autentificarea

Trebuie să aveţi un cont de membru pentru a adăuga comentarii

Înregistrare membru

Înscrierea unui nou cont de membru. Este foarte uşor!

Înregistrare cont nou

Autentificare

Aveţi deja un cont de membru? Conectaţi-vă aici.

Autentificare în cont
 Share

  • Activi pe această pagină   0 membri

    • Niciun utilizator înregistrat nu vizualizează această pagină acum.
×
×
  • Create New...

 Functionarea acestui site este sustinuta de cele cateva bannere afisate intre posturi. Ar fi o placere pentru noi daca ar fi adaugat site-ul nostru in lista de exceptii ad-block in browserul tau. Promitem si veti vedea ca nu avem reclame intruzive si nici deranjante (nimic cu sunet,video sau all-screen). Multumim!