Jump to content

Probleme Cu Incarcarea...alternator - Releu Incorporat - 1976


vavi
 Share

Postare recomandată

...mi-a murit bateria intr-o dimineata. bun. verificat incarcarea. nimic. schimbat releu, cu unul nou. bine. pana aici fain frumos. pornesc motorul, incarca, dar nu am reushit sa leg becul martor ... ca daca-l leg sta aprins tot timpul .. TOT TIMPUL. l-am lasat asha. pe dimineata ... bateria moarta din nou. pun alta baterie, si observ ca atunci cand e sub tensiune ( motorul oprit - dar bateria cuplata) se magnetizeaza foarte foarte tare fulia alternatorului. ... bun ... dat ala nou jos, pus sus releul vechi ... ala in schimb NU incarca.... tot nu e bine. a venit nene electrician auto. zice ca asha ceva nu a mai vazut. verificat si rasverificat. zice ca releele ambele sunt bune. dar ca se poate ca ala noua sa aibe polaritate inversa deshi l-am luat dupa serie. am masurat amandoua ... plusul la perie e prima perie la amandoua. firuletsul care duce la becul martor zice el ca ar fi "excitatia" asha ceva. .. ala ar trebuii sa faca scanteie cand atinge papucul firului de lamela. face doar o miiiiiiiiica miiiiiiica scanteie. a incercat si curent direct de la baterie de pe sarmele prin care se incarca ... mica mica scanteie doar ... deci ... ar putea fi de vina diodele? sunt diodele in scurt sau sunt stricate? diodele se pot schimba ? sau trebuie sa-mi iau alt alternator? se poate desface? sau e capsulat. sper deshi nu e frumos ca cineva sa fi patit asa ceva ca mine mai demult si sa ma lamureasca... ca eu nu mai intseleg.

Link către comentariu
Distribuie pe alte siteuri

Sorry dar nu am intzeles nimic. :blink: Si mie mi s-a ars releul incorporat, l-am folosit doar ca portperii si am pus afara un releu regulator electromecanic de dacie si merge perfect.

Incearca sa alimentezi rotorul pe direct, inseriind un bec de far, si vezi daca incarca. Daca nu incarca atunci e de la diode sau alte defecte; daca incarca e de la regulator sau conexiuni regulator-alternator.

Vezi ca un mosh aici are un alt. fara releu, cred ca e la un pretz modic, daca te pasioneaza....

Link către comentariu
Distribuie pe alte siteuri

Sorry dar nu am intzeles nimic. :blink: Si mie mi s-a ars releul incorporat, l-am folosit doar ca portperii si am pus afara un releu regulator electromecanic de dacie si merge perfect.

Incearca sa alimentezi rotorul pe direct, inseriind un bec de far, si vezi daca incarca. Daca nu incarca atunci e de la diode sau alte defecte; daca incarca e de la regulator sau conexiuni regulator-alternator.

Vezi ca un mosh aici are un alt. fara releu, cred ca e la un pretz modic, daca te pasioneaza....

da ... nu prea shtiu sa explic eu ... si varianta asta mi-a spus-o nenea electrician... sa punem afara un regulator. daca alternatorul e de tipul - releu incorporat ( de prin 1974 - pana in 1976) il iau. daca e cu releu extern nu-mi trebuie ca am si eu alternator din ala cu tot cu turbina dar vroiam sa-l fac sa mearga pe actualul nu sa ma apuc sa dau jos cu totul si sa ma complic ... deshi nici nu shtiu care ar fi varianta cu mai putina bataie de cap. intreaba-l exact ce alternator e. mersi.

Modificat de vavi
Link către comentariu
Distribuie pe alte siteuri

Pai ti-am zis eu- e un alternator cu regulator incorporat dar fara el :blink:

Maine poza si pretz.

Link către comentariu
Distribuie pe alte siteuri

Sa nu razi de ce-ti zic acum, incearca urmatoarea varianta:

schimba becul-martor.

Am aflat de la astia mai batrani ca daca becul-martor se arde sau o ia razna intrerupe circuitul de incarcare......foarte ciudat dar s-a dovedit a fi adevarat.

Modificat de bubnoff
Link către comentariu
Distribuie pe alte siteuri

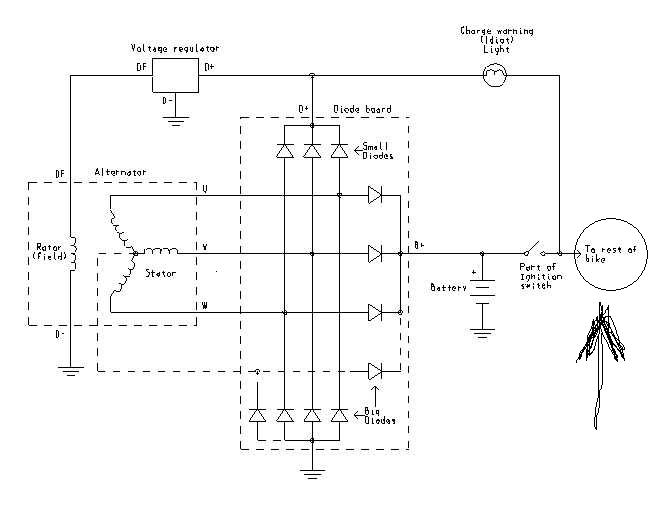
asa pe scurt: daca nu pui becul ala, care pe langa rol de avertizare mai "activeaza" si incarcarea, adica el trebuie sa fie aprins cand pui contactul, apoi dupa ce turezi pana pe la 1400rot/min se stinge daca totul e ok.... el trebuie legat intre D+ si plusul dupa contact, banuiesc ca tu l-ai legat intre D+ si plusul permanent...

bun, trebuie sa legi D- de la releu la masa, B+ de la releu la borna B+ a alternatorului (cea cu surub), D+ legi la firul de duce la beculetul din bord si vine de la borna B+ a alternatorului si ... gata, atashez schema...

post-22-1191400919_thumb.jpg

Link către comentariu
Distribuie pe alte siteuri

Deci, vavi.... cum arata schema..... firu ala merge la restul bicicletei cu care te plimbi tu acu pt ca nu ai incarcare.

Scuze :huh: -ul dar nu ma puteam abtine.

Sper din tot sufletul sa o rezolvi. SI eu am avut probleme cu incarcarea dar am dinam si s-au :P nush cati mesteri electricieni si electronisti sa ii dea de cap si nu au reusit. Pana la urma am rezolvat singur prin desfacere si curatare atenta a rotorului.

post-2004-1191401927_thumb.jpg

Modificat de guvydu
Link către comentariu
Distribuie pe alte siteuri

Sa nu razi de ce-ti zic acum, incearca urmatoarea varianta: schimba becul-martor. Am aflat de la astia mai batrani ca daca becul-martor se arde sau o ia razna intrerupe circuitul de incarcare......foarte ciudat dar s-a dovedit a fi adevarat.
hehe ... interesant. stai linishtit, becul merge. dar nu se mai stinge nici dupa binecunoscuta "talpa" de acceleratie.
asa pe scurt: daca nu pui becul ala, care pe langa rol de avertizare mai "activeaza" si incarcarea, adica el trebuie sa fie aprins cand pui contactul, apoi dupa ce turezi pana pe la 1400rot/min se stinge daca totul e ok.... el trebuie legat intre D+ si plusul dupa contact, banuiesc ca tu l-ai legat intre D+ si plusul permanent...bun, trebuie sa legi D- de la releu la masa, B+ de la releu la borna B+ a alternatorului (cea cu surub), D+ legi la firul de duce la beculetul din bord si vine de la borna B+ a alternatorului si ... gata, atashez schema...
ooooof ... dar nu am schema deloc pe regulator, nicio litera, cifra, nimic. o sa dau schema unui electrician auto. poate il descurca el ... oricum pana la urma cred ca atunci cand ma duc la timisoara pentru schimbat punte il fac si pe asta la cineva. sa-l faca ca si nou. mersi. pana atunci o sa incerc chestia asta. sincer nu shtiu daca nu cumva sunt trase fire aiurea... ca cica instalatia electrica e refacuta ... dar cine shtie de catre care "vasile" cu ciocanul si cu dalta. de cand am luat-o nu a incarcat. fostul proprietar mi-a pus baterie noua ... nu mi-am dat seama ... si se lauda ca bateria e noua .... asta e ... tseapa. Modificat de vavi
Link către comentariu
Distribuie pe alte siteuri

vavi, cand mi-am luat masina am schimbat dinamul si tot nu incarca, dupa o sapt de chinuiala am observat ca era unul dintre fire intrerupt... sub izolatie si cand am decis sa schimb si firele n-am mai avut probleme...

Link către comentariu
Distribuie pe alte siteuri

nu e nimic intrerupt, ca dovada ca-mi sta becul rosu aprins + cu releul nou mi-a incarcat, dar in acelashi timp cum e pusa borna la baterie cum imi consuma ca se magnetizeaza fulia de la alternator ... si-mi termina bateria ... nu shtiu ... sunt in scurt diodele ... o-m vedea. apropo de schema electrica ... n-am decat un D pe alternator ... unde-mi intra becul martor si + (B parca) unde vine bateria.

Link către comentariu
Distribuie pe alte siteuri

daca ai un singur D+ inseamna ca ai releu INCORPORAT...

020_1274.jpg020_1285.jpg

cel mai bine ar fi sa-i pui un adaptor din ala care are carbuni si la exterior are cele 3 picioruse (D-, DF, D+) si conectezi un releu obisnuit

Modificat de niq_ro
Link către comentariu
Distribuie pe alte siteuri

  • 2 weeks later...

Acuma, am si io o problema asemanatoare si nu prea stiu de unde s-o incep:

inainte de pornire se aprinde becul "idiotului", bun; dupa pornire, nu se stinge complet, are intensitate foarte slaba, dar e aprins.

Daca aprind faruri, ceva, creste intensitatea luminii becului. Releul e incorporat, asemenator cu ala de broasca. Alternatorul e de bus T25 sau T3, cum ii zice.

Am masurat tensiunea pe B+ la iesire din alternator: 14,7 V.

Am masurat tensiunea la D+ la alternator: tot vreo 14 V, nu mai stiu exact.

Am masurat tensiunea la bornele bateriei: 10 V :) .

Am scos borna de pe baterie in timp ce motorul se-nvirtea: moare, deci merge doar pe baterie.

Ce-ar mai putea fi, in afara de contacte proaste?

Link către comentariu
Distribuie pe alte siteuri

Pentru a adăuga comentarii este necesară înregistrarea sau autentificarea

Trebuie să aveţi un cont de membru pentru a adăuga comentarii

Înregistrare membru

Înscrierea unui nou cont de membru. Este foarte uşor!

Înregistrare cont nou

Autentificare

Aveţi deja un cont de membru? Conectaţi-vă aici.

Autentificare în cont
 Share

  • Activi pe această pagină   0 membri

    • Niciun utilizator înregistrat nu vizualizează această pagină acum.
×
×
  • Create New...

 Functionarea acestui site este sustinuta de cele cateva bannere afisate intre posturi. Ar fi o placere pentru noi daca ar fi adaugat site-ul nostru in lista de exceptii ad-block in browserul tau. Promitem si veti vedea ca nu avem reclame intruzive si nici deranjante (nimic cu sunet,video sau all-screen). Multumim!