Jump to content

Scanarea cu VCDS - erori aparute


zorg
 Share

Postare recomandată

Desfa si curata clapeta de acceleratie. Ultima eroare o luam si eu de vreo 2 sapt. Am curatat clapeta-era murdara rau ptr un CR la doar 120k-reali. Acum nu mai scutura la oprire.

Link către comentariu
Distribuie pe alte siteuri

Am uitat sa scriu ca azi am scos mufa clapetei, face exact la fel. Poate sa dea trepidatii?  

Multumesc, pronet!

Modificat de ssorinxp
Link către comentariu
Distribuie pe alte siteuri

Trepidatiile sunt de la presiunea in rampa...vezi sa nu ai diferenta mai mare de 30 bar intre specificat si actual

Eroarea cam asta spune...

Link către comentariu
Distribuie pe alte siteuri

Am facut log in mers, plecare de pe loc, treptele 1-2-3, stop, asta a iesit:

 image.thumb.png.5f16790325f8093e31e76f3be4b44cc8.png

 

Vad deviatie mare pozitiva si negativa, de unde ar veni intarzierea de relgare a presiunii si de ce nu se stabilizeaza macar cand tin constant la 2500 in a 3 a, sa zicem?

doar sub 1500 si dupa 3000 rpm in orice treapta nu vibreaza.

 

LOG-01-IDE00188_&7.CSV

Modificat de ssorinxp
Link către comentariu
Distribuie pe alte siteuri

Presiune specificata 1463+6E  ....??? Fa un log corect si pune fisierul .csv

Link către comentariu
Distribuie pe alte siteuri

Multumesc, @EEXCALADE, unde sa caut mai departe? 

E accentuata dimineata la rece, iar dupa 1 km de mers sub 1500 rpm devine suportabila in oras, face doar cand accelerez mai tare.

Cantitatea de aer vad ca e cea ceruta.

Link către comentariu
Distribuie pe alte siteuri

Fa un log la injectoare ,de la plecarea de pe loc (de la rece )

Link către comentariu
Distribuie pe alte siteuri

Am facut de dimineata un log, a fost mai cald decat zilele trecute, dar se simte problema, vad corectii mari ...

Erori nu a generat mergand asa.

LOG-01-IDE00021.CSV

Modificat de ssorinxp
Link către comentariu
Distribuie pe alte siteuri

Maine il inlocuiesc, in afara de codul de pe el mai trebuie sa codez sau sa adaptez altceva?

Link către comentariu
Distribuie pe alte siteuri

Trebuie injector cu cod nou si scris in ecu cu vcds-ul

Surub de fixare ,2x oring si 2x saiba de foc.

La cffb nu poti scoate doar un injector 

Link către comentariu
Distribuie pe alte siteuri

Am pus un injector, nu este nou, este doar sa vad in ce masura se schimba comportamentul masinii.

Am atasat log la cald.

Am observat ca in mare parte sunt cu + pe 1 si 3.

In mers se simte cam la fel, poate putin mai rau decat inainte.

LOG-01-IDE00021_&9.CSV

Modificat de ssorinxp
Link către comentariu
Distribuie pe alte siteuri

Ai scris codul la injectorul inlocuit ?

Fa un test de compresie

Modificat de EEXCALADE
Link către comentariu
Distribuie pe alte siteuri

Da, am scris codul. O sa fac si la rece un log. Legat de compresie, am pornire impecabila si la rece si cald, ralanti stabil, nu pare sa piarda compresie, nu are sunete in plus la buson ulei. 

Am mai citit pe forumuri, au mai avut probleme la audi motoare CR 2008-2009, manifestari similare, rezolvate cu inlocuire cablaje motor si injectoare. 

Link către comentariu
Distribuie pe alte siteuri

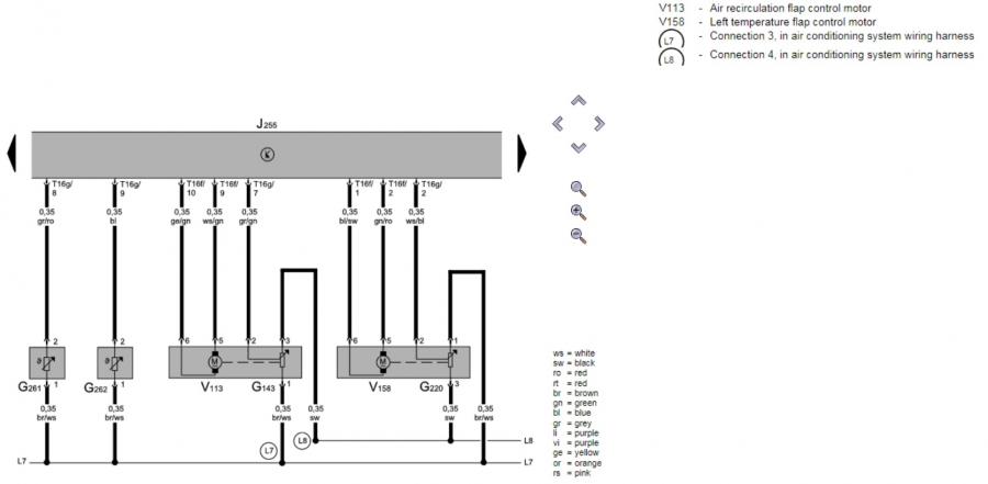
Am eroare pe V71.

De fapt la mine nu exista V71, motorul V113 (de recirculare) antreneaza si clapeta de presiunea dinamica (V71), este un disc cu came, dar asa raporteaza VCDS-ul.

Pana il schimb, intrebarea este daca acest V71 are o siguranta sa o verific si pe aceea pana atunci.

Nu-mi sunt familiare schemele electrice auto.

Multumesc.

V113.jpg

Link către comentariu
Distribuie pe alte siteuri

Nu,nu are siguranta separata

Se inlocuieste servomotorasul cu probleme.

Link către comentariu
Distribuie pe alte siteuri

Salut 

Am un Passat B6 cu acel sistem ''distanta de urmarire. Daca il activez imi apare chekul de motor si limiteaza masina. Ramane asa pana il resetez,oprind si pornind motorul in mers. La scanarea vag apare asa

1 cod a gasit:
00532 - Tensiune de alimentare 
            002 - limita inferioarã depãsitã - intermitent
             împrejurari cod:
                    Stare defect: 00100010
                    Prioritate defect: 3
                    Frecventa defect: 7
                    Resetare contor: 98
                    rulaj: 239433 km
                    Indicator de timp: 0
                    Data: 2012.03.23
                    timp: 23:35:15

 

Ma poate ajuta cineva care sa mai lovit de aceasta problema?

 

 

Va multumesc.

Link către comentariu
Distribuie pe alte siteuri

cauta ceva sigurante arse sau fire intrerupte.

Link către comentariu
Distribuie pe alte siteuri

acum o oră, andrei_221 a scris:

cauta ceva sigurante arse sau fire intrerupte.

Siguranta pt acest sistem nu are, si firele ... cred ca e cam greu sa dau de ele. Am uitat sa mentionez ca, atunci cand il activez din buton apare becul de activare in bord cu verde.

Link către comentariu
Distribuie pe alte siteuri

On 19.12.2017 at 13:20, Dolfin a scris:

Am eroare pe V71.

De fapt la mine nu exista V71, motorul V113 (de recirculare) antreneaza si clapeta de presiunea dinamica (V71), este un disc cu came, dar asa raporteaza VCDS-ul.

Pana la urma era un pachet de servetele umede care a "scapat" din torpedou si a blocat clapeta de reciculare.

All OK acum.

Am scris poate se mai intalneste si altcineva cu aceasta problema, pentru ca inteleg ca la platforma PQ35 nu prea pica actuatoarele de clima, este ceva mai rara problema.

Modificat de Dolfin
Link către comentariu
Distribuie pe alte siteuri

16 hours ago, M!ha! said:

Siguranta pt acest sistem nu are, si firele ... cred ca e cam greu sa dau de ele. Am uitat sa mentionez ca, atunci cand il activez din buton apare becul de activare in bord cu verde.

Orice sistem de pe o masina are una sau mai multe sigurante de alimentare.

posteaza un autoscan.

Link către comentariu
Distribuie pe alte siteuri

ip caroserie: 3C-VW46 (3C0)
Adrese de scanat: 01 03 08 09 13 15 16 17 19 25 42 44 46 52 53 56 62 72 77

Numar VIN: WVWZZZ3CZAE107301   

01-Motor -- Status: OK 0000
03-ABS frâne -- Status: OK 0000
04-Senzor unghi volan -- Status: OK 0000
08-Clima automata -- Status: OK 0000
09-Electr. centrala -- Status: OK 0000
13-Distanta urmarire -- Status: Malfunctie 0010
15-Airbaguri -- Status: OK 0000
16-Electronica volan -- Status: Malfunctie 0010
17-Instrumente bord -- Status: OK 0000
19-Poarta CAN  -- Status: OK 0000
25-Blocare pornire -- Status: OK 0000
42-Electr. usa sofer -- Status: Malfunctie 0010
44-Asistenta directie -- Status: OK 0000
46-Confort -- Status: OK 0000
52-Electr. usa pasag -- Status: OK 0000
53-Frâna de parcare -- Status: OK 0000
56-Radio -- Status: Malfunctie 0010
62-Usa SS -- Status: OK 0000
72-Usa DS -- Status: OK 0000
77-Telefon -- Status: Malfunctie 0010
 
-------------------------------------------------------------------------------
Adresa 01: Motor (CBA)       Eticheta: ROJ\03L-906-022-CBA.clb
   Numar VAG SW: 03L 906 022 QC    HW: 03L 907 309 
   Component: R4 2,0L EDC A000SG  6208  
   Revizie: 13H03---    Numar serial: VWZCZ000000000
   Codare: 0000072
   Atelier: WSC 66565 257 00032
   VCID: 76E989E1016000F6A0-8022

Nu a gasit coduri.
Gata de functie: 0 0 0 0 0 

-------------------------------------------------------------------------------
Adresa 03: ABS frâne        Eticheta: ROJ\3C0-614-109-C4.clb
   Numar VAG SW: 3C0 614 109 AG    HW: 3C0 614 109 AG
   Component: J104    C4 440 V3   0015  
   Revizie: --025---    Numar serial: 00000104016806
   Codare: 0008467
   Atelier: WSC 05311 000 00000
   VCID: 63CFC0B5A2F2855EF7-8036

Nu a gasit coduri.

-------------------------------------------------------------------------------
Adresa 08: Clima automata (J255)       Eticheta:| ROJ\5K0-907-044.clb
   Numar VAG SW: 5K0 907 044 CC    HW: 5K0 907 044 CC
   Component: Climatronic   H15 0709  
   Revizie: 00003001    
   Codare: 0000000002
   Atelier: WSC 05311 115 00000
   Pachet ASAM: EV_Climatronic A01006
   ROD: EV_ClimaAutoBasis_VW36.rod
   VCID: 6ED9A181B130383668-803A

Nu a gasit coduri.

-------------------------------------------------------------------------------
Adresa 09: Electr. centrala        Eticheta:. ROJ\3C0-937-049-30-H.lbl
   Numar VAG SW: 3C8 937 049 F    HW: 3C8 937 049 F
   Component: Bordnetz-SG     H54 2602  
   Revizie: 00H54000    Numar serial: 00000003638893
   Codare: E1888F0700041A00470A00000F000000000D5D435C000120000000000000
   Atelier: WSC 05124 000 00000
   VCID: 346D73E9579C52E65E-8060

   Subsistem 1 - Numar VAG: 3C1 955 419 B  Eticheta: ROJ\1KX-955-119.CLB
   Component: Wischer 150110 006  0208  
   Codare: 00046997
   Atelier: WSC 05124  

   Subsistem 2 - Numar VAG: 1K0 955 559 AH  Eticheta: ROJ\1K0-955-559-AG.CLB
   Component: RLS     040210 054  0403  
   Codare: 00208936
   Atelier: WSC 05124  

Nu a gasit coduri.

-------------------------------------------------------------------------------
Adresa 13: Distanta urmarire        Eticheta: ROJ\3C0-907-567.clb
   Numar VAG SW: 3C0 907 567 M    HW: 3C0 907 567 M
   Component: AC201  RDW M    031 0243  
   Revizie: 00031000    Numar serial: 00000000051649
   Codare: 0010100
   Atelier: WSC 05311 000 00000
   VCID: 356B4EED5CE64BEE69-8060

1 cod a gasit:
00532 - Tensiune de alimentare 
            002 - limita inferioarã depãºitã - intermitent
             împrejurari cod:
                    Stare defect: 00100010
                    Prioritate defect: 3
                    Frecventa defect: 7
                    Resetare contor: 98
                    rulaj: 239433 km
                    Indicator de timp: 0
                    Data: 2012.03.23
                    timp: 23:35:15

             împrejurari cod:
                    contor: 94


-------------------------------------------------------------------------------
Adresa 15: Airbaguri        Eticheta: ROJ\5N0-959-655.clb
   Numar VAG SW: 5N0 959 655 J    HW: 5N0 959 655 J
   Component: J234__00H VW10 HI   1916  
   Revizie: 20013000    Numar serial: 003E2P1MZJ4$  
   Codare: 0012360
   Atelier: WSC 05311 000 00000
   VCID: 448D2329073CE266EE-8010

   Subsistem 1 - Numar serial: 6332MTS623133449 

   Subsistem 2 - Numar serial: 6342MTS613853419 

   Subsistem 3 - Numar serial: 6351HTS6TV6986KR 

   Subsistem 4 - Numar serial: 6361HTS6FBF186KJ 

   Subsistem 5 - Numar serial: 00000000000000000

   Subsistem 6 - Numar serial: 00000000000000000

Nu a gasit coduri.

-------------------------------------------------------------------------------
Adresa 16: Electronica volan (J527)       Eticheta:| ROJ\3C0-953-569.clb
   Numar VAG SW: 3C9 953 501 BM    HW: 5K0 953 569 T
   Component: LENKS.MODUL   009 0122  
   Revizie: FF010035    Numar serial: 20100130200495
   Codare: 3182A70002
   Atelier: WSC 05311 115 00000
   Pachet ASAM: EV_VW360SteerWheelUDS A03002
   ROD: EV_VW360SteerWheelUDS.rod
   VCID: 75EB8EEDD4660BEEA9-8020

   Volan multifuncþional: 
   Subsistem 1 - Numar VAG SW: 3C8 959 537 D    HW: 3C8 959 537 D  Eticheta: ROJ\3C8-959-537.CLB
   Component: E221__MFL-TK6  H06 0022 
   Codare: E20000

1 cod a gasit:
365060 - Unitate comandã în volan;nu comunicã 
          U108E 00 [008] - -
          intermitent - Confirmat - Testat de la stergere de memorie
             împrejurari cod:
                    Stare defect: 00000001
                    Prioritate defect: 6
                    Frecventa defect: 1
                    Resetare contor: 98
                    rulaj: 239433 km
                    Data: 2017.11.21
                    timp: 13:33:20


-------------------------------------------------------------------------------
Adresa 17: Instrumente bord (J285)       Eticheta:| ROJ\3C8-920-xxx-17.clb
   Numar VAG SW: 3C0 920 872 G    HW: 3C0 920 872 G
   Component: KOMBI         H03 0305  
   Numar serial: 00000000000000
   Codare: 161F00
   Atelier: WSC 05314 115 00000
   Pachet ASAM: EV_Kombi_UDS_VDD_RM09 A04052
   ROD: EV_Kombi_UDS_VDD_RM09_A04_VW32.rod
   VCID: 2953929D485E1F0EFD-807C

Nu a gasit coduri.

-------------------------------------------------------------------------------
Adresa 19: Poarta CAN         Eticheta:. ROJ\3C0-907-530-V3.clb
   Numar VAG SW: 3C0 907 530 P    HW: 3C0 907 951 
   Component: J533  Gateway   H13 0172  
   Revizie:   H13       Numar serial: 3720Q101190129
   Codare: F9847F06000602002002
   Atelier: WSC 05314 000 00000
   VCID: 2E596181B9B0783628-807A

Nu a gasit coduri.

-------------------------------------------------------------------------------
Adresa 25: Blocare pornire        Eticheta: ROJ\3C0-959-433-25.clb
   Numar VAG SW: 3C0 959 433 AR    HW: 3C0 959 433 AR
   Component:    IMMO         043 0383  
   Revizie: 00043000    Numar serial: VWZCZ000000000
   Atelier: WSC 131071 1023 2097151
   VCID: 7AF19DD135786496C4-802E

   Subsistem 1 - Numar VAG: 3C0 905 861 H
   Component:    ELV          028 0380
   3C0905861H     ELV          028 0380   

Nu a gasit coduri.

-------------------------------------------------------------------------------
Adresa 42: Electr. usa sofer (J386)       Eticheta:| ROJ\3C0-959-70X-GEN4.clb
   Numar VAG SW: 3C0 959 701 A    HW: 3C0 959 793 A
   Component: TUER-SG FT    002 0305  
   Revizie: 12101005    Numar serial: 0000405933
   Codare: 0010B7
   Atelier: WSC 05311 115 00000
   Pachet ASAM: EV_DCU42BroseDriveSide A03004
   ROD: EV_DCU42BroseDriveSide.rod
   VCID: 264999A159403076D0-8072

   Slave ºofer: 
   Subsistem 1 - Numar VAG SW: 3C0 959 703     HW: 3C0 959 795   Eticheta: ROJ\1K0-959-70X-GEN4.CLB
   Component: J388__TSG-HL  004 0401 
   Numar serial: 00000001259477      
   Codare: 000090

1 cod a gasit:
66048 - Motor geam electric faþã 
          B11EC 54 [008] - necalibrat(ã)
          intermitent - Confirmat - Testat de la stergere de memorie
             împrejurari cod:
                    Stare defect: 00000001
                    Prioritate defect: 7
                    Frecventa defect: 1
                    Resetare contor: 98
                    rulaj: 239433 km
                    Data: 2017.10.11
                    timp: 00:40:48


-------------------------------------------------------------------------------
Adresa 44: Asistenta directie        Eticheta: ROJ\5N1-909-144.clb
   Numar VAG SW: 5N1 909 144 K    HW: 5N1 909 148 G
   Component: J500__APA-BS KL.147 0703  
   Revizie: 1AH03726    Numar serial: 00093210056102
   Codare: 0000258
   Atelier: WSC 05311 000 00000
   VCID: 3A715DD175F8A49684-806E

Nu a gasit coduri.

-------------------------------------------------------------------------------
Adresa 46: Confort        Eticheta:. ROJ\3C0-959-433-46.clb
   Numar VAG SW: 3C0 959 433 AR    HW: 3C0 959 433 AR
   Component:    KSG PQ46 ELV 043 0612  
   Revizie: 00043000    Numar serial: VWZCZ000000000
   Codare: 0091020051030E763004941570084F0E707C01
   Atelier: WSC 05311 000 00000
   VCID: 7AF19DD135786496C4-802E

   Subsistem 1 - Numar VAG: 1K8 951 605 
   Component: LIN BACKUP HORN H09 9002

   Subsistem 2 - Component:       NGS n.mounted     

   Subsistem 3 - Component:      IRUE n.mounted     

Nu a gasit coduri.

-------------------------------------------------------------------------------
Adresa 52: Electr. usa pasag (J387)       Eticheta:| ROJ\3C0-959-70X-GEN4.clb
   Numar VAG SW: 3C0 959 702 A    HW: 3C0 959 792 A
   Component: TUER-SG BT    002 0305  
   Revizie: 14101005    Numar serial: 0000381050
   Codare: 0010B6
   Atelier: WSC 05311 115 00000
   Pachet ASAM: EV_DCU52BrosePasseSide A03004
   ROD: EV_DCU52BrosePasseSide.rod
   VCID: 275794A55E4A297EEB-8072

   Slave pasager: 
   Subsistem 1 - Numar VAG SW: 3C0 959 704     HW: 3C0 959 794   Eticheta: ROJ\1K0-959-70X-GEN4.CLB
   Component: J389__TSG-HR  004 0401 
   Numar serial: 00000001274715      
   Codare: 000090

Nu a gasit coduri.

-------------------------------------------------------------------------------
Adresa 53: Frâna de parcare        Eticheta: ROJ\5N0-907-801.clb
   Numar VAG SW: 3C8 907 801 E    HW: 3C8 907 801 E
   Component: J540 EPB3  VW-15417 0007  
   Revizie:   010       Numar serial: 00000000157427
   Codare: 0000056
   Atelier: WSC 05311 000 00000
   VCID: 2C5D6B898FAC0A2606-8078

Nu a gasit coduri.

-------------------------------------------------------------------------------
Adresa 56: Radio (J503)       Eticheta:. ROJ\5M0-035-1xx-56.clb
   Numar VAG SW: 1K0 035 186 AA    HW: 1K0 035 186 AA
   Component: Radio RCD310  016 0049  
   Revizie: 01000000    Numar serial: VWZ1Z2K8048459
   Codare: 0500040004
   Atelier: WSC 05314 000 00000
   VCID: 65CBDEAD6CC6FB6E19-8030

1 cod a gasit:
00874 - Difuzor inalte stânga faþã -R20- 
            011 - întrerupt(ã)
             împrejurari cod:
                    Stare defect: 01101011
                    Prioritate defect: 5
                    Frecventa defect: 1
                    Resetare contor: 58
                    rulaj: 239433 km
                    Indicator de timp: 0
                    Data: 2012.03.03
                    timp: 00:40:52


-------------------------------------------------------------------------------
Adresa 77: Telefon (J738)       Eticheta:. ROJ\1K8-035-730.clb
   Numar VAG SW: 1K8 035 730 D    HW: 1K8 035 730 D
   Component: Telefon       H08 6900  
   Revizie: 00008000    Numar serial: 00000330061637
   Codare: 012120
   Atelier: WSC 05314 000 00000
   VCID: 2A516D9145581416F4-807E

1 cod a gasit:
01524 - Antena pentru telefon 
            007 - scurt la masã
             împrejurari cod:
                    Stare defect: 01100111
                    Prioritate defect: 3
                    Frecventa defect: 1
                    Resetare contor: 58
                    rulaj: 239433 km
                    Indicator de timp: 0
                    Data: 2012.03.03
                    timp: 00:40:39


Sfârsit------------------------(Timp scurs: 02:19)-------------------------
 

Modificat de ForceTurbo
Quote la postul anterior. Atentie, se sanctioneaza!
Link către comentariu
Distribuie pe alte siteuri

verifica cu o lampa de control si apart de masura ce tensiuni ajung in mufa ACC-ului, raman aceleasi sugestii, sigurante sau fire.

Link către comentariu
Distribuie pe alte siteuri

  • Aerofan changed the title to Scanarea cu VCDS - erori aparute
  • Aerofan locked, unlocked şi locked this topic
  • R_a_z_v_a_n a deschis acest topic
  • vdragos a închis acest topic
  • Aerofan locked, unlocked şi locked this topic
  • Aerofan unpinned şi pinned this topic
  • Aerofan pinned this topic

Pentru a adăuga comentarii este necesară înregistrarea sau autentificarea

Trebuie să aveţi un cont de membru pentru a adăuga comentarii

Înregistrare membru

Înscrierea unui nou cont de membru. Este foarte uşor!

Înregistrare cont nou

Autentificare

Aveţi deja un cont de membru? Conectaţi-vă aici.

Autentificare în cont
 Share

  • Activi pe această pagină   0 membri

    • Niciun utilizator înregistrat nu vizualizează această pagină acum.
×
×
  • Create New...

 Functionarea acestui site este sustinuta de cele cateva bannere afisate intre posturi. Ar fi o placere pentru noi daca ar fi adaugat site-ul nostru in lista de exceptii ad-block in browserul tau. Promitem si veti vedea ca nu avem reclame intruzive si nici deranjante (nimic cu sunet,video sau all-screen). Multumim!