Jump to content

Scanarea cu VCDS - erori aparute


zorg
 Share

Postare recomandată

pentru o eroare de asta am inlocuit acum ceva vreme, tot EGR.. 17 mil si demontezi 1 zi intreaga la el.... este tot ansamblul EGR, in spatele motorului

 

Modificat de andrei_221
Link către comentariu
Distribuie pe alte siteuri

Salut,

Am o problema mai ciudata cu inchiderea centralizata, daca incerc sa inchid masina din telecomanda incepe sa se auda o alarma din partea dreapta a masinii si nu se inchide.

 

 

Address 03: ABS Brakes        Labels: 3C0-614-095-C2.clb

   Part No SW: 3C0 614 095 P    HW: 3C0 614 095 P

   Component: ESP 440 C2     H015 0003  

   Revision:  H015       Serial number: 0658135465

   Coding: 0013569

   Shop #: WSC 10175 599 88958

   VCID: 2F66A4D6BECA5A6626F

 

1 Fault Found 

00474 - Control Module for Immobilizer 

            004 - No Signal/Communication

             Freeze Frame:

                    Fault Status: 01100100

                    Fault Priority: 3

                    Fault Frequency: 1

                    Reset counter: 236

                    Mileage: 210072 km

                    Time Indication: 0

                    Date: 2013.12.05

                    Time: 22:00:02


Address 16: Steering wheel        Labels: 3C0-953-549-SW20.lbl

   Part No SW: 3C0 953 549 A    HW: 3C0 953 549 A

   Component: Lenksäulenmodul 005 0010  

   Revision: 00005000    Serial number: 3C5953507C    

   Coding: 0000013

   Shop #: WSC 00028 028 00001

   VCID: 2A50B5C285283F4EF11

 

1 Fault Found 

01299 - Diagnostic Interface for Data Bus (J533) 

            004 - No Signal/Communication - Intermittent


Address 17: Instruments        Labels: 3C0-920-xxx-17.lbl

   Part No SW: 3C0 920 870 G    HW: 3C0 920 870 G

   Component: KOMBIINSTRUMENT VD1 4038  

   Revision: V0033000    Serial number: 00000000000000

   Coding: 0007105

   Shop #: WSC 00011 888 96745

   VCID: 27564CF6963A0226EEF

 

1 Fault Found 

00474 - Control Module for Immobilizer 

            004 - No Signal/Communication - Intermittent

             Freeze Frame:

                    Fault Status: 00100100

                    Fault Priority: 2

                    Fault Frequency: 4

                    Reset counter: 22

                    Mileage: 210072 km

                    Time Indication: 0

                    Date: 2013.12.05

                    Time: 22:01:05

 


Address 52: Door Elect, Pass.        Labels: 1K0-959-702-MIN2.lbl

   Part No: 1K0 959 702 K

   Component: Tuer-SG         024 2365  

   Coding: 0000180

   Shop #: WSC 00028 028 00001

   VCID: 37769CB6469A92A67EF

 

1 Fault Found 

01330 - Central Control Module for Central Convenience (J393) 

            004 - No Signal/Communication

 


Address 62: Door, Rear Left

Cannot be reached

 




Link către comentariu
Distribuie pe alte siteuri

de ce nu postezi intregul autoscan ?

Link către comentariu
Distribuie pe alte siteuri

salutare.am facut o scanare cu vag com si mi-au aparut urmatoarele erori: 2 Faults Found:

17672 - PD Unit Injector: Cylinder 2 (N241) 
            P1264 - 006 - Regulation Range Exceeded - Intermittent
             Freeze Frame:
                    Fault Status: 00100001
                    Fault Priority: 0
                    Fault Frequency: 8
                    Reset counter: 126
                    Mileage: 172151 km
                    Time Indication: 0
                    Date: 2000.00.00
                    Time: 08:41:58
 
             Freeze Frame:
                    RPM: 2176 /min
                    Text:    216    Nm            
                    Speed: 0.0 km/h
                    Load: 77.6 %
                    Text:  5.000    uF            
                    Text: 13.75    mJ             
                    Text:      9    mJ            
                    Raw, Form. N/A: 000 000 000
 
16618 - Boost Pressure Regulation 
            P0234 - 006 - Limit Exceeded (Overboost Condition) - Intermittent
             Freeze Frame:
                    Fault Status: 00000001
                    Fault Priority: 5
                    Fault Frequency: 5
                    Reset counter: 163
                    Mileage: 172918 km
                    Time Indication: 0
                    Date: 2000.00.00
                    Time: 19:31:33
 
             Freeze Frame:
                    RPM: 3168 /min
                    Text:    360    Nm            
                    Speed: 122.0 km/h
                    Text: 59.4    %               
                    Voltage: 14.35 V
                    Text:   2038    hPa           
                    Text:   2377    hPa           
 
Readiness: N/A
 

am un passat din 2006 motor de 2000 ,140 cp,BKP la care am schimbat toate injectoarele.

Link către comentariu
Distribuie pe alte siteuri

pentru o eroare de asta am inlocuit acum ceva vreme, tot EGR.. 17 mil si demontezi 1 zi intreaga la el.... este tot ansamblul EGR, in spatele motorului

 

ma poti ajuta cu un cod de piesa ? ca nu o gasesc. multumesc

Link către comentariu
Distribuie pe alte siteuri

Salutare ! Am un prieten cu un Golf 5 care nu-i porneste. Cat am stat sa-i fac scanul au clipocit niste relee-n bord. Cand dau cheie clipesc martorii, i-am dat curent cu cabluri sanatoase facute de mine, parca invarte cam greu electromotorul si continua sa clipeasca luminile.

Poate va dati cu parerea la scanul de mai jos.

 

Tuesday,17,December,2013,16:38:42:62939
VCDS -- Windows Based VAG/VAS Emulator
VCDS Version: 12.12.0.0
Data version: 20130910

VIN: WVWZZZ1KZ7B079427   License Plate: 12GTY
Mileage: 155920km-96884mi   Repair Order:

-------------------------------------------------------------
Chassis Type: 1K (1K0)
Scan: 01 02 03 08 09 15 16 17 19 25 37 42 44 46 52 56 76 7D

VIN: WVWZZZ1KZ7B079427   Mileage: 155920km/96884miles

02-Auto Trans -- Status: Malfunction 0010
09-Cent. Elect. -- Status: Malfunction 0010
17-Instruments -- Status: Malfunction 0010
-------------------------------------------------------
Address 02: Auto Trans        Labels: 02E-300-0xx.lbl
   Part No SW: 02E 300 043     HW: 02E 927 770 AE
   Component: GSG DSG         070 1106  
   Revision: 04507000    Serial number: 00000609140015
   Coding: 0000020
   Shop #: WSC 00046 412 1900544
   VCID: D1A913CF481C6196CBD-8084

1 Fault Found:
17252 - Transmission Fluid Pressure Adaptation at Limit
            P0868 - 001 -  - Intermittent
             Freeze Frame:
                    Fault Status: 00100001
                    Fault Priority: 0
                    Fault Frequency: 255
                    Reset counter: 2
                    Mileage: 145963 km
                    Time Indication: 0

----------------------------------------------------------------
Address 09: Cent. Elect.        Labels: 3C0-937-049-23-M.lbl
   Part No SW: 3C0 937 049 D    HW: 3C0 937 049 D
   Component: Bordnetz-SG     H37 1002  
   Revision: 00H37000    Serial number: 00000004462262
   Coding: 00890F2700041500001400001400000000097B075C
   Shop #: WSC 00046 412 1908736
   VCID: 2A5BE423850AF24EEA7-807F

   Subsystem 1 - Part No: 1K1 955 119 E  Labels: 1KX-955-119.CLB
   Component: Wischer 101006 020  0501  
   Coding: 00038805
   Shop #: WSC 00046  

1 Fault Found:
01497 - Bulb for Blinkers; Front Right (M7)
            012 - Electrical Fault in Circuit - Intermittent
             Freeze Frame:
                    Fault Status: 00101100
                    Fault Priority: 2
                    Fault Frequency: 1
                    Reset counter: 130
                    Mileage: 153541 km
                    Time Indication: 0

             Freeze Frame:
                        ON
                    Voltage: 14.40 V
                        ON
                        ON
                        OFF
                        OFF
                        ON
----------------------------------------------------------
Address 17: Instruments        Labels: 1K0-920-xxx-17.lbl
   Part No SW: 1K0 920 863 B    HW: 1K0 920 863 B
   Component: KOMBIINSTRUMENT VDD 1610  
   Revision: V0003000    Serial number: VWZ7Z0F7151422
   Coding: 0003103
   Shop #: WSC 65536 645 977737
   VCID: 2A5BE423850AF24EEA7-807F

1 Fault Found:
00446 - Function Limitation due to Under-Voltage
            002 - Lower Limit Exceeded - Intermittent
             Freeze Frame:
                    Fault Status: 00100010
                    Fault Priority: 2
                    Fault Frequency: 2
                    Reset counter: 161
                    Mileage: 155922 km
                    Time Indication: 0
                    Date: 2000.00.00
                    Time: 16:36:28
 

Link către comentariu
Distribuie pe alte siteuri

scanarea nu este completa.

 

verifica-i alimentarile, deoarece nu-ti vede nici ECU, deci nu are cum sa porneasca

Link către comentariu
Distribuie pe alte siteuri

Salut.

 

Revin cu loguriile in mers ,facute corect si 2 erori de scanare .

 

Problema totala e un consum care din cate am citit aici nu e foarte normal si al meu e destul de mare.

 

Cine ma poate ajuta raman dator cu o bere.

 

Atasate is loguriile in mers.

 

Mersi mult anticipat.

 

Ps : erori de scan. :

 

 

1 Fault Found:

 
008598 - Oxygen (Lambda) Sensor B1 S1
P2196 - 000 - Signal too High (Rich) - Intermittent
Freeze Frame:
Fault Status: 00100000
Fault Priority: 2
Fault Frequency: 1
Mileage: 141027 km
Time Indication: 0
Date: 2120.14.27
Time: 18:26:15
Freeze Frame:
RPM: 2093 /min
Speed: 68.0 km/h
Lambda: 51.3 %
Mass Air / Rev.: 585.0 mg/str
Voltage: 0.825 V
(no units): 16.0
Voltage: 0.975 V
Readiness: 0 0 0 0 0
 
 
 

eroarea nr 2:

 

 

Address 17: Instruments (J285) Labels: 3C8-920-xxx-17.clb

PartNoSW:3C0920871T HW:3C0920871T

Component: KOMBI         X04 0107
Serial number: 00000000000000
Coding: 160F00
Shop #: WSC 00028 028 00165

ASAM Dataset: EV_Kombi_UDS_VDD_RM09 A04040

VCID: 356B3F0D945A571
1 Fault Found:

10485833 - Internal Control Module Memory Check Sum Error

B2000 49 [137] - Internal electronic failure
MIL ON - Confirmed - Tested Since Memory Clear
Freeze Frame:
Fault Status: 00000001
Fault Priority: 2
Fault Frequency: 1Mileage: 119919 km
Date: 2047.14.09
Time: 20:11:45
 

-------------------------------------------------------------------------------

 
Address 18: Aux. Heat
 

 

 
 
 
Modificat de makavellu
Link către comentariu
Distribuie pe alte siteuri

scanarea nu este completa.

 

verifica-i alimentarile, deoarece nu-ti vede nici ECU, deci nu are cum sa porneasca

Am sters din logul postat modulele fara erori ca sa fie postul mai scurt.

 

Astazi i-am pus din nou cablurile si a pornit cu spray (cheie lunga). Dupa aceea a pornit normal.

Link către comentariu
Distribuie pe alte siteuri

daca vede si Engine si restul, plus ca nu ai erori pe engine - e posibil sa fie de  la alimentare - mai ales ca a pornit la spray.

 

oringuri injectoare, pompa tandem.....

Link către comentariu
Distribuie pe alte siteuri

Ok, Mersi, desi e cam ciudat la km si anii care-i are.

Link către comentariu
Distribuie pe alte siteuri

km...ceva relativ....

 

daca electromotorul nu invarte cum trebuie, nu porneste.....

Link către comentariu
Distribuie pe alte siteuri

La elecromotor ma gandesc si eu pt. ca ia curent mare cand dau cheie...

Link către comentariu
Distribuie pe alte siteuri

As avea o intrebare.sunt corecte aceste valori la webasto? Ca webasto se pare ca nu mai vrea sa functioneze pt ca apate permanent aceasta eroare pe care o sterg si apare din nou.

post-19256-13876186804609_thumb.jpg

post-19256-13876187353867_thumb.jpg

Link către comentariu
Distribuie pe alte siteuri

17946/P1538 - Fuel Shutoff Solenoid (N109) 

17946/P1538 - Fuel Shutoff Solenoid (N109): Open or Short to Ground 

Possible Causes 

  • Fuel Shutoff Solenoid (N109) Faulty
  • Wiring to / from Fuel Shutoff Solenoid (N109) Faulty
  • Engine Control Module Faulty

Possible Solutions 

  • Check Fuel Shutoff Solenoid (N109) using Output Tests
  • Check wiring to/from Fuel Shutoff Solenoid (N109)

 

din cate am citit ar fi doar din cauza cablului, mai trebuie verificat ceva?

masina porneste foarte bine, doar ce am schimbat bujiile incandescente, la oprire am trepidati decat

Modificat de allyn87
Link către comentariu
Distribuie pe alte siteuri

salutare cine ma ajuta cu explicatii aici...,masina merge ok nu am probleme dar am gasit erorile astea:VCDS Version: Beta 12.10.3

Data version: 20130228

Thursday,26,December,2013,15:27:23:55062

Chassis Type: 6Y - Skoda Fabia I

Scan: 01 02 03 08 09 15 17 19 25 37 44 46 55 56 76

 

VIN: TMBJY16Y533862150   Mileage: 142100km/88296miles

-------------------------------------------------------------------------------

Address 01: Engine        Labels: Redir Fail!

   Part No: 03E 906 033 A

   Component: 1.2l/4V SIMOS3  00HS4672 

   Coding: 00061

   Shop #: WSC 13765 

   VCID: 1E3869129A60C3EE9D9

   TMBJY16Y533862150     SKZ7Z0C2051534

 

5 Faults Found

17925 - Power Supply Relay for ECU (J271 or J363)

            P1517 - 35-10 - Electrical Malfunction - Intermittent

16804 - Catalyst System; Bank 1

            P0420 - 35-00 - Efficiency Below Threshold

17511 - Oxygen (Lambda) Sensor Heating; B1 S1

            P1103 - 35-10 - Performance too Low - Intermittent

18043 - Powertrain Data Bus

            P1635 - 35-10 - Missing Message from A/C Controller - Intermittent

18058 - Powertrain Data Bus

            P1650 - 35-10 - Missing Message from Instrument Cluster - Intermittent

Readiness: 0000 0001

-------------------------------------------------------------------------------

Address 08: Auto HVAC        Labels: 6Q0-820-045.lbl

   Part No: 6Y0 820 045

   Component: Klimaanlage        X0830 

   VCID: F2E0EDA2BE78B78E091

4 Faults Found

01596 - Motor for Outside/Recirculated Air Flap (V154)

            30-10 - Open or Short to Plus - Intermittent

01596 - Motor for Outside/Recirculated Air Flap (V154)

            29-10 - Short to Ground - Intermittent

01596 - Motor for Outside/Recirculated Air Flap (V154)

            09-00 - Adaptation Limit Surpassed

01596 - Motor for Outside/Recirculated Air Flap (V154)

            55-00 - Adaptation Not Successful

-------------------------------------------------------------------------------

Address 09: Cent. Elect.        Labels: 6Qx-937-049-C.lbl

   Part No: 6Q1 937 049 C

   Component: 00 BN-SG.           1S33 

   Coding: 25610

   Shop #: WSC 13765 

   VCID: 3B7E808629B2B6C69A7

4 Faults Found

00975 - Heated Rear Window (Z1)

            28-10 - Short to Plus - Intermittent

01598 - Drive Battery Voltage

            07-10 - Signal too Low - Intermittent

00906 - Horn (H1)

            28-10 - Short to Plus - Intermittent

01054 - Power Supply Relay; Terminal 30 (J317)

            28-00 - Short to Plus

-------------------------------------------------------------------------------

Address 15: Airbags        Labels: 6Q0-909-605-VW5.lbl

   Part No: 1C0 909 601 A

   Component: 0T AIRBAG VW51      0008 

   Coding: 12372

   Shop #: WSC 13765 

   VCID: 1E3869129A60C3EE9D9

2 Faults Found

00532 - Supply Voltage B+

            07-10 - Signal too Low - Intermittent

01317 - Control Module in Instrument Cluster (J285)

            49-10 - No Communications - Intermittent

-------------------------------------------------------------------------------

Address 17: Instruments        Labels: 6Y0-920-xx0-17.lbl

   Part No: 6Y0 920 880 M

   Component: KOMBI+WEGFAHRSP VDO V07 

   Coding: 00102

   Shop #: WSC 13765 

   VCID: 4796EC76657AE2260EF

   TMBJY16Y533862150     SKZ7Z0C2051534

 

No fault code found.

 

-------------------------------------------------------------------------------

Address 19: CAN Gateway        Labels: 6N0-909-901-19.lbl

   Part No: 6N0 909 901

   Component: 34 GATEWAY  CAN    1S33 

   Coding: 00012

   Shop #: WSC 13765 

   VCID: F0E4E7AAB074859EFF5

 

No fault code found.

 

-------------------------------------------------------------------------------

Address 44: Steering Assist        Labels: None

   Part No: 6Q0 423 156 R

   Component: LenkhilfeKYO        V913 

   Coding: 10140

   Shop #: WSC 13765 

   VCID: 3E7889923AA0A3EEBD9

 

No fault code found.

 

-------------------------------------------------------------------------------

Address 46: Central Conv.        Labels: 6Q0-959-433.lbl

   Part No: 6Q0 959 433 H

   Component: 2Q Komfortgerát     0002 

   Coding: 00067

   Shop #: WSC 13765 

   VCID: 4084F76A4054D51ECF5

 

   Subsystem 1 - Part No: 6Q1959801A

   Component: 2Q Tõrsteuer.FS TFK 0004 

   Subsystem 2 - Part No: 6Q1959802A

   Component: 2Q Tõrsteuer.BF TFK 0004 

 

No fault code found.

 

End   ---------------------------------------------------------------------

Link către comentariu
Distribuie pe alte siteuri

Dupa ce le stergi, ce mai apar la prima pornire ?

Link către comentariu
Distribuie pe alte siteuri

nimiC nu a mai aparut,eu sant plecat cam 3 luni din tara si in acest timp sotia mai porneste masina la relatiu..ca nu are carnet,oricum nu incarca corect bateria,si a fost bateria moarta de 2 ori ...a fost pornita cu cabluri 1 data si o data a fost data jos de fratele meu si pusa la redresor,ma gandesc ca toate aceste erori se obtin dupa cauza acestui fapt..voi merge cu ea azi kam 300km si maine o scanez iar si revin...sa vedem daca vor mai fi toate acele erori..multumesc colegu pt raspuns,LA MULTI ANI!!

Link către comentariu
Distribuie pe alte siteuri

Nu e neaparat o problema cu incarcarea daca moare bateria. Poate sa fie bateria slaba sau timpul in carea stat la ralanti sa fi fost prea scurt incat nu a reusit alternatorul sa incarce complet bateria.

Sent from my MID705 using Tapatalk

Link către comentariu
Distribuie pe alte siteuri

Salut. Ma poate lamuri si pe mine cineva de ce nu mai pot scana golful meu cu Vag-Com-ul desi in vara a mers? In vara mi-am sters eroarea la airbag dar acum nu mai recunoaste masina. Sigurantele le-am verificat iar casetofonul nu e original dar in vara cand i-am srers eroarea la airbag nu a fost nevoie sa deconectez casetofonul. Multumesc

Link către comentariu
Distribuie pe alte siteuri

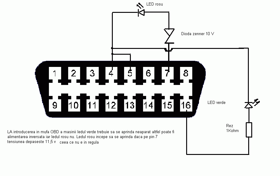
Se alimentează interfaţa?

Mai demult am găsit pe net poza ataşată despre cum să verifici tensiunile de alimentare. Se poate verifica şi cu instrumentul de măsură, nu trebuie făcut neapărat montajul ăla.

 

post-40889-0-09078100-1388250258_thumb.g

Link către comentariu
Distribuie pe alte siteuri

revin cu noile erori...am facut ieri vreo 350 km...acum am erorile astea binenteles am bagat in valcea bezina de la nenorocitii de la petrom,de obicei bag de la rompetrol...si se aprinsase check engine....dar astea sant noile erori.....

VCDS Version: Beta 12.10.3

Data version: 20130228

Sunday,29,December,2013,08:40:27:55062

Chassis Type: 6Y - Skoda Fabia I

Scan: 01 02 03 08 09 15 17 19 25 37 44 46 55 56 76

 

VIN: TMBJY16Y533862150   Mileage: 142600km/88607miles

-------------------------------------------------------------------------------

Address 01: Engine        Labels: Redir Fail!

   Part No: 03E 906 033 A

   Component: 1.2l/4V SIMOS3  00HS4672 

   Coding: 00061

   Shop #: WSC 13765 

   VCID: 1E3869129A60C3EE9D9

   TMBJY16Y533862150     SKZ7Z0C2051534

 

2 Faults Found

16804 - Catalyst System; Bank 1

            P0420 - 35-00 - Efficiency Below Threshold

16555 - Fuel Trim; Bank 1

            P0171 - 35-10 - System Too Lean - Intermittent

Readiness: 0000 0000

-------------------------------------------------------------------------------

Address 08: Auto HVAC        Labels: 6Q0-820-045.lbl

   Part No: 6Y0 820 045

   Component: Klimaanlage        X0830 

   VCID: F2E0EDA2BE78B78E091

8 Faults Found

01271 - Positioning Motor for Temperature Flap (V68)

            30-10 - Open or Short to Plus - Intermittent

01596 - Motor for Outside/Recirculated Air Flap (V154)

            30-10 - Open or Short to Plus - Intermittent

01271 - Positioning Motor for Temperature Flap (V68)

            29-10 - Short to Ground - Intermittent

01271 - Positioning Motor for Temperature Flap (V68)

            28-10 - Short to Plus - Intermittent

01596 - Motor for Outside/Recirculated Air Flap (V154)

            41-10 - Blocked or No Voltage - Intermittent

01596 - Motor for Outside/Recirculated Air Flap (V154)

            29-10 - Short to Ground - Intermittent

01596 - Motor for Outside/Recirculated Air Flap (V154)

            09-00 - Adaptation Limit Surpassed

01596 - Motor for Outside/Recirculated Air Flap (V154)

            55-00 - Adaptation Not Successful

-------------------------------------------------------------------------------

Address 09: Cent. Elect.        Labels: 6Qx-937-049-C.lbl

   Part No: 6Q1 937 049 C

   Component: 00 BN-SG.           1S33 

   Coding: 25610

   Shop #: WSC 13765 

   VCID: 3B7E808629B2B6C69A7

1 Fault Found

01054 - Power Supply Relay; Terminal 30 (J317)

            28-00 - Short to Plus

-------------------------------------------------------------------------------

Address 15: Airbags        Labels: 6Q0-909-605-VW5.lbl

   Part No: 1C0 909 601 A

   Component: 0T AIRBAG VW51      0008 

   Coding: 12372

   Shop #: WSC 13765 

   VCID: 1E3869129A60C3EE9D9

No fault code found.

-------------------------------------------------------------------------------

Address 17: Instruments        Labels: 6Y0-920-xx0-17.lbl

   Part No: 6Y0 920 880 M

   Component: KOMBI+WEGFAHRSP VDO V07 

   Coding: 00102

   Shop #: WSC 13765 

   VCID: 4796EC76657AE2260EF

   TMBJY16Y533862150     SKZ7Z0C2051534

 

No fault code found.

 

-------------------------------------------------------------------------------

Address 19: CAN Gateway        Labels: 6N0-909-901-19.lbl

   Part No: 6N0 909 901

   Component: 34 GATEWAY  CAN    1S33 

   Coding: 00012

   Shop #: WSC 13765 

   VCID: F0E4E7AAB074859EFF5

 

No fault code found.

 

-------------------------------------------------------------------------------

Address 44: Steering Assist        Labels: None

   Part No: 6Q0 423 156 R

   Component: LenkhilfeKYO        V913 

   Coding: 10140

   Shop #: WSC 13765 

   VCID: 3E7889923AA0A3EEBD9

 

No fault code found.

 

-------------------------------------------------------------------------------

Address 46: Central Conv.        Labels: 6Q0-959-433.lbl

   Part No: 6Q0 959 433 H

   Component: 2Q Komfortgerát     0002 

   Coding: 00067

   Shop #: WSC 13765 

   VCID: 4084F76A4054D51ECF5

 

   Subsystem 1 - Part No: 6Q1959801A

   Component: 2Q Tõrsteuer.FS TFK 0004 

   Subsystem 2 - Part No: 6Q1959802A

   Component: 2Q Tõrsteuer.BF TFK 0004 

 

No fault code found.

 

End   ---------------------------------------------------------------------

ce parere ave-ti?multumesc

Link către comentariu
Distribuie pe alte siteuri

cum pot coda MDF2 DVD ? aceasta este eroarea

 

Address 56: Radio        Labels: 1K0-035-095.lbl
   Part No: 1K0 035 095 E
   Component:        Radio        0030 
   Coding: 0040400
   Shop #: WSC 00028 028 00001
   VCID: 27564CF6963A0226EEF

1 Fault Found
01044 - Control Module Incorrectly Coded
            000 - -

Link către comentariu
Distribuie pe alte siteuri

  • Aerofan changed the title to Scanarea cu VCDS - erori aparute
  • Aerofan locked, unlocked şi pinned this topic
  • Aerofan locked, unlocked şi locked this topic
  • R_a_z_v_a_n a deschis acest topic
  • vdragos a închis acest topic
  • Aerofan locked, unlocked şi locked this topic
  • Aerofan unpinned şi pinned this topic
  • Aerofan pinned this topic

Pentru a adăuga comentarii este necesară înregistrarea sau autentificarea

Trebuie să aveţi un cont de membru pentru a adăuga comentarii

Înregistrare membru

Înscrierea unui nou cont de membru. Este foarte uşor!

Înregistrare cont nou

Autentificare

Aveţi deja un cont de membru? Conectaţi-vă aici.

Autentificare în cont
 Share

  • Activi pe această pagină   0 membri

    • Niciun utilizator înregistrat nu vizualizează această pagină acum.
×
×
  • Create New...

 Functionarea acestui site este sustinuta de cele cateva bannere afisate intre posturi. Ar fi o placere pentru noi daca ar fi adaugat site-ul nostru in lista de exceptii ad-block in browserul tau. Promitem si veti vedea ca nu avem reclame intruzive si nici deranjante (nimic cu sunet,video sau all-screen). Multumim!