Jump to content

Probleme electrice


dflorin3
 Share

Postare recomandată

cu mare placere, ma bucur ca te-am putut ajuta

Link către comentariu
Distribuie pe alte siteuri

  • 1 year later...
  • Replies 67
  • Created
  • Last Reply

Top Posters In This Topic

  • F l o r i n

    18

  • Sebi.Bogdan

    6

  • Al Bundy

    5

  • alinfa

    5

Top Posters In This Topic

Posted Images

Salutare !

Problema sta in felul urmator ( VW golf4 AXR 1.9 )  : Geamul de la usa dreapta spate nu se inchide complect sau nu functioneaza , usa dreapta fata ramane incuiata cateodata .. mai nou tot mai des ! Am verificat cablurile din fata ce vin de la modulul de confort la usa nu vad nimic intrerupt sau oxidat! Atasez mai jos un scan , posibil sa fie dus modulul de confort ? MUltumesc anticipat !

 

VCDS Version: Release 12.12.3 (x64)
Data version: 20140905

Sunday,26,July,2020,21:10:45:33490

Chassis Type: 1J (1J - VW Golf/Bora IV (1998 > 2006))
Scan: 01 02 03 08 15 16 17 19 22 29 35 36 37 39 46 47 55 56 57 75
          76
 
VIN: WVWZZZ1JZ3W292428   Mileage: 345980km/214982miles
-------------------------------------------------------------------------------
Address 01: Engine        Labels: 038-906-019-AXR.lbl
   Part No: 038 906 019 AT
   Component: 1,9l R4 EDC 0000SG  1575  
   Coding: 00002
   Shop #: WSC 01266  
   VCID: 69DFCBFF13FB30562C3-4A3A
   WVWZZZ1JZ3W292428     VWZ7Z0B6128392

No fault code found.
Readiness: 0 0 X X X

-------------------------------------------------------------------------------
Address 03: ABS Brakes        Labels: 1C0-907-37x-ESP-F.lbl
   Part No: 1C0 907 379 M
   Component: ESP FRONT MK60      0102  
   Coding: 0019458
   Shop #: WSC 01266 785 00200
   VCID: 34616A8B54B9BDBE4F5-5000

No fault code found.

-------------------------------------------------------------------------------
Address 15: Airbags        Labels: 6Q0-909-605-VW5.lbl
   Part No: 1C0 909 605 F
   Component: 02 AIRBAG VW61 0101 0001  
   Coding: 12338
   Shop #: WSC 01266  
   VCID: 275B8DC7C56FC626FA7-5000

No fault code found.

-------------------------------------------------------------------------------
Address 17: Instruments        Labels: 1J0-920-xx5-17.lbl
   Part No: 1J0 920 826 C
   Component: KOMBI+WEGFAHRSP VDO V13  
   Coding: 01112
   Shop #: WSC 00000  
   VCID: 295F8BFFD37BF056EC3-5072
   WVWZZZ1JZ3W292428     VWZ7Z0B6128392

No fault code found.

-------------------------------------------------------------------------------
Address 19: CAN Gateway        Labels: 6N0-909-901-19.lbl
   Part No: 6N0 909 901
   Component: Gateway K<->CAN    0001  
   Coding: 00006
   Shop #: WSC 01266  
   VCID: F0E9269BB021419EEBD-5000

No fault code found.

-------------------------------------------------------------------------------
Address 46: Central Conv.        Labels: 1C0-959-799.lbl
   Part No: 1C0 959 799 B
   Component: 1A Komfortgerát HLO 0003  
   Coding: 00259
   Shop #: WSC 01266  
   VCID: 3665508312C5AFAE711-49D8

   Subsystem 1 - Part No: 1C1959801A
   Component: 1A Tõrsteuer.FS KLO 0004  

   Subsystem 2 - Part No: 1C1959802A
   Component: 1A Tõrsteuer.BF KLO 0004  

   Subsystem 3 - Part No: 1C0959811A
   Component: 1A Tõrsteuer.HL KLO 0004  

   Subsystem 4 - Part No: 1C0959812A
   Component: 1A Tõrsteuer.HR KLO 0004  

3 Faults Found:
00929 - Locking Module for Central Locking; Front Passenger Side (F221)
            27-00 - Implausible Signal
00935 - Electric Window Motor; Rear Right (V27)
            62-00 - No or Incorrect Adjustment
01037 - Electric Window Thermal Protection Active; Rear Right
            35-10 - - - Intermittent

End   ---------------------------------------------------------------------

 

Link către comentariu
Distribuie pe alte siteuri

in primul rand trebuie reconditionata yala fata dreapta. Exista multe topic-uri pe forum despre ce si cum....

Modificat de F l o r i n
Link către comentariu
Distribuie pe alte siteuri

Vă salut cu respect. Problema sta in felul următor. Am un golf 4  1.9 tdi cod motor ATD. Ieri dimineață la pornire a ieșit puțin fum negru mai jos de volan in zona releelor sau a switch ului de pedala frână. După asta turometrul nu mai funcționează tremura undeva până în 500 turații indicatorul de apa când stă la zero când urcă la maxim și pornește ventilatorul de răcire doar cu contactul pus și indicatorul de motorina sta la zero. Nici maxidotul nu indică f bine ( nu indică nici înainte f clar. Am observat că apare pe el ceva eroare de presiune ulei sau ceva de genul (scrie  in germana). Oare care sa fie cauza. Precizez că switc ul de la pedala de frana mai se bloca in sensul că rămâneau aprinse stopurile pe spate . Dar stopurile funcționează normal.Mulțumesc

20200802_071636.jpg

20200802_071607.jpg

Modificat de Laurentiu32
Adăugat de text
Link către comentariu
Distribuie pe alte siteuri

desfa ceasurile si verifica placa de baza, daca nu cumva ai circuite arse

Verifica si partea electrica a contactului

Link către comentariu
Distribuie pe alte siteuri

Mașina pornește fara probleme doar de ieri după acel fum nu mai merg in parametrii.

 

Link către comentariu
Distribuie pe alte siteuri

desfa si verifica ce ti-am specificat

Link către comentariu
Distribuie pe alte siteuri

Mulțumesc Florin mâine la prima ora merg la un electrician sa verifice

 

Link către comentariu
Distribuie pe alte siteuri

La rece incarca 14.2,  la cald ..apa 90 grade incarca 13.9 Daca pun consumatori e gata...face 13.5

Ce sa ii mai fac?

1. Baterie noua 2. Pus regulator de tensiune nou  https://www.autokarma.ro/piese-auto-vw-golf-iv-hatchback-1j1-1997-2005-1-6-16v-77-kw/electrice-auto-regulator-tensiune/regulator-alternator-130570-huco?manufacturer_filter=245&name_filter=Regulator%20alternator&grupa_produse=VW%20GOLF%20IV%20Hatchback%20%281J1%29%20%2808.1997%20-%2006.2005%29%20%201.6%2016V%2C%2077%20KW%20-%20Cautare%20catalog%20piese%20auto&grupa_order=1

3. curatat ground ul de sub baterie toate toate...

A mai ramas sa schimb alternatorul ..si mi-a zis cineva sa punm de passat b6 180A.

Poate sa fie defect mecanic in alternator?

 

 

Link către comentariu
Distribuie pe alte siteuri

ce cod motor ai?

Link către comentariu
Distribuie pe alte siteuri

Benzinar, motor cald, uzuri, etc....cam asa face.

Link către comentariu
Distribuie pe alte siteuri

Unii zic că Huco face regulatoare nașpa..oare să cumpăr un Bosch și să testez? Vad că e 150 lei. Oem nu intră în discuție..

Modificat de aditzu'
Link către comentariu
Distribuie pe alte siteuri

Cel mai bine.

Link către comentariu
Distribuie pe alte siteuri

Salut,

atunci cind nu incarca destul cu consumatorii porniti eu stiu ca uneori poate fi puntea de diode defecta.

Link către comentariu
Distribuie pe alte siteuri

Nu este...in cazul lui.

Link către comentariu
Distribuie pe alte siteuri

Salutare, am cumparat recent un Golf 4 1.9TDI ALH din 2001, la masina de cand am cumparat-o nu mergeau Geamurile electrice de pe partea soferului, restul mergeau dar doar fiecare in parte, de la sofer nu se poate controla nimic, am pus alte butoane, tot nu merg, am pus butoanele mele pe alt golf si functioneaza , am schimbat modulu ce vine pe motoras ca mi-a zis un electrician ca ala e, am cautat dupa cod, abea am gasit unul...tot nu merge, ieri am fost sa probez alt Calculator de Confort ca am crezut ca e ala si tot nu merge, daca scot mufa din modulu de la sofer ce vine pe motoras si o bag inapoie, geamul de la sofer merge de cateva ori, pana iau contactul jos, dar restul geamurilor nu se pot controla de la sofer, doar fiecare in parte, nu imi merg nici oglinzile electrice...nici inchiderea centralizata nu merge cum trebuie...usa soferului se incuie din telecomanda...iar celelalte 3+portbagajul se incuie de la usa pasagerului manual, are cineva idee ce probleme poate sa aiba? Ca m-am saturat de cand tot caut, am tot umblat dupa piese sa vad daca is alea si defapt toate sunt functionale...e de altundeva problema...

Link către comentariu
Distribuie pe alte siteuri

Salut,

verifica daca la modulul de confort (cel care se ocupa cu ridicarea geamurilor) vine plus in pinii urmatori (cu contactul pus):

- pinul 3 (este un fir galben/rosu)

- pinul 5 (fir negru/violet)

- pinul 22 (fir rosu/negru)

In pinul 23 (fir maro) trebuie sa ai  minus.

Comunicarea intre modulele de pe usi si modulul de confort se face prin date (sint doua fire, unul portocaliu/maro si celalat portocaliu/verde),

din cite stiu un defect pe aceste magistrale il gasesti daca faci diagnoza, si asa pare, un defect pe acestea (poate sint intrerupte aceste  fire in mansoanele de cauciuc de la usi;

daca e vreunul din aceste fire doua fire intrerupt trebuie sa se urmeze o anumita procedura, nu se leaga pur si simplu.

Aceasta este parerea mea, poate mai intervine si altcineva.

 

 

Modificat de alinfa
Link către comentariu
Distribuie pe alte siteuri

Salut, multumesc pentru raspuns, am sa verific acei pini sa vad ce e acolo si revin cu un update...la inchidere, daca e vreunul din acele 2 fire intrerupt, ce se poate face? Cum se poate lega?

Link către comentariu
Distribuie pe alte siteuri

La 2001...daca are modul confort cu 1j0 959 799x...nu se face comunicarea intre calc usi si confort, pe can... doar la cele dupa 2001, care au modul confort 3c0 959 799x

Posteaza cod modul confort si calculatoare de usi 

Link către comentariu
Distribuie pe alte siteuri

Codu de la calculatoru de confort e 1j0 959 799Q, am pus altul cu acelasi cod si tot asa facereceived_1021758418294055.thumb.jpeg.d412061df209017b655e481be07d69f3.jpeg

Link către comentariu
Distribuie pe alte siteuri

schema pe care m-am uitat era valabila pentru modelele fabricate dupa luna 05/2001.

L.E. am vazut si postarea ta, e cum a zis @F l o r i n, insa poti sa te asiguri ca ai acele plusuri si minusul de care am zis mai sus (partea aceea vad ca ramine valabila pentru modelele de dinainte de 05/2001.

Modificat de alinfa
Link către comentariu
Distribuie pe alte siteuri

19 minute în urmă, alinfa a scris:

schema pe care m-am uitat era valabila pentru modelele fabricate dupa luna 05/2001.

L.E. am vazut si postarea ta, e cum a zis @F l o r i n, insa poti sa te asiguri ca ai acele plusuri si minusul de care am zis mai sus (partea aceea vad ca ramine valabila pentru modelele de dinainte de 05/2001.

Multumesc, am sa verific maine mufa, cea de la modulul de la motoras trebuie sa o verific, nu? (Golfu meu e 06/2001)

Modificat de Sebi.Bogdan
Link către comentariu
Distribuie pe alte siteuri

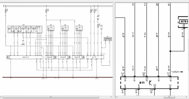
Uite schema mai jos.

In stinga sus este butonul sofer iar in stinga jos este modulul de la usa sofer.

Apoi vin usa pasager si cele doua usi spate.

In dreapta imaginii este o lupa aplicata modulului confort (pe schema este cel din dreapta jos).

La modulul de la sofer (mufa lui) verifica plusul acela care vine din siguranta din stinga sus F8 de 30 A (prima), este un fir alb /rosu care ajunge in pinul 20 de la modulul sofer si care apoi ajunge la fiecare din celelalte module si pe cel rosu galben care vine din F38 (a doua siguranta de sus) care ajunge in pinul 19 de la modulul usa sofer.

Verificarile de care ti-am zis in postul celalalt se fac la mufa de la modulul confort - pinii 3,5,22,23 (cel din poza ta).

Nu inteleg cum pe schema apare data de 05/01 cu can iar tu cu masina din 06/01 ai fara... Oricum alta schema nu am.

Screenshot_20.png

Modificat de alinfa
Link către comentariu
Distribuie pe alte siteuri

On 13.08.2020 at 22:45, alinfa a scris:

Uite schema mai jos.

In stinga sus este butonul sofer iar in stinga jos este modulul de la usa sofer.

Apoi vin usa pasager si cele doua usi spate.

In dreapta imaginii este o lupa aplicata modulului confort (pe schema este cel din dreapta jos).

La modulul de la sofer (mufa lui) verifica plusul acela care vine din siguranta din stinga sus F8 de 30 A (prima), este un fir alb /rosu care ajunge in pinul 20 de la modulul sofer si care apoi ajunge la fiecare din celelalte module si pe cel rosu galben care vine din F38 (a doua siguranta de sus) care ajunge in pinul 19 de la modulul usa sofer.

Verificarile de care ti-am zis in postul celalalt se fac la mufa de la modulul confort - pinii 3,5,22,23 (cel din poza ta).

Nu inteleg cum pe schema apare data de 05/01 cu can iar tu cu masina din 06/01 ai fara... Oricum alta schema nu am.

Screenshot_20.png

Salutare, revin cu un update, am verificat mufa de la calculatorul de confort, am acele 3 plusuri si acel minus, ce nu am apucat sa verific au fost restul, cele de la modulu de confort pentru ca nu am mai avut timp, mai am o intrebare, care sunt sigurantele F8 si F38? 

Link către comentariu
Distribuie pe alte siteuri

Pentru a adăuga comentarii este necesară înregistrarea sau autentificarea

Trebuie să aveţi un cont de membru pentru a adăuga comentarii

Înregistrare membru

Înscrierea unui nou cont de membru. Este foarte uşor!

Înregistrare cont nou

Autentificare

Aveţi deja un cont de membru? Conectaţi-vă aici.

Autentificare în cont
 Share

  • Activi pe această pagină   0 membri

    • Niciun utilizator înregistrat nu vizualizează această pagină acum.
×
×
  • Create New...

 Functionarea acestui site este sustinuta de cele cateva bannere afisate intre posturi. Ar fi o placere pentru noi daca ar fi adaugat site-ul nostru in lista de exceptii ad-block in browserul tau. Promitem si veti vedea ca nu avem reclame intruzive si nici deranjante (nimic cu sunet,video sau all-screen). Multumim!