Jump to content

Probleme Climatronic


OvidiuV
 Share

Postare recomandată

On 6/14/2020 at 12:26 AM, valentinsen said:

Salut !
Daca nu mai exista freon in instalatie, compresorul cupleaza? Setez temperatura pe low si imi baga aerul de afara.

 

On 6/15/2020 at 11:05 AM, F l o r i n said:

nu, nu merge...fara freon.

Am fost la un service si compresorul are freon in el, dar pe aparat presiunea ramane aceeasi si daca pornesc instalatia de clima.
Sigurantele au fost si ele verificate.
Ce as mai putea lua in vedere ca posibil defect? Compresorul,electrovalva? Cum as putea sa le verific mecanic / cu diagnoza ? Electrovalva se poate verifica cu diagnoza daca functioneaza bine?

Link către comentariu
Distribuie pe alte siteuri

salut,

 

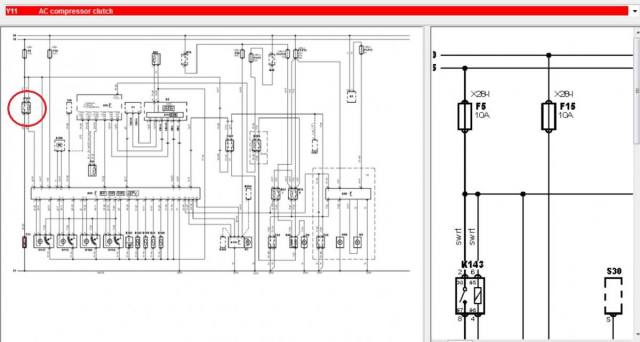
din cite stiu ar trebui sa ai un releu care cupleaza bobina ambreiajului compresorului (la clima cu controlul automat al temperaturii, nu la ac manual). pe schema este cel incercuit cu rosu, in stinga.

ar trebui sa vezi daca releul asta are circuitul de forta si cel de comanda in regula.

nu stiu sa-ti spun unde se afla dar daca il gasesti il scoti afara si faci un strap intre pinii 30 si 87, cu contactul pus.

daca porneste compresorul inseamna ca bobina ambreiajului este buna.

poti urmari si daca asa face rece.

daca nu cupleaza bobina compresorului trebuie masurat daca pe 30 de la releu vine plus din siguranta de sus, F5.

Verifica si posteaza rezultatul.

200.JPG

Link către comentariu
Distribuie pe alte siteuri

Salut, fratele meu are următoare problema la un golf5 tdi, senzorul de temperatura exterioara ii arata în bord temperaturi de - 18 pana la - 25 de grade. A schimbat senzorul și nimic, nici o diferență. A verificat cablu de la senzor crezând ca ar fi rupt. Problema grava ar fi ca nu merge climatronicul decât când temperatura arata doar de la - 2 grade în sus. Are impresia ca atunci când mașina se zdruncina la gropi ca ar baga răcoare...si spune ca atunci cuplează și compresorul doar la zdruncinaturi

Pe tester nu i apare nimic nici o eroare.unde ar trebui sa se uite. Mulțumesc pentru orice părere! 

Link către comentariu
Distribuie pe alte siteuri

9 hours ago, Mihaimiron said:

A verificat cablu de la senzor

De unde pana unde? Sa verifice pana in masina

Link către comentariu
Distribuie pe alte siteuri

Am verificat parametrii folosind butonul ECON, fără VCDS și am următoarele valori :

10.0 -> 18.3 la pornire și după 1 minut a crescut la 19,3. Mai departe n am mai verificat

10.1 -> 51 ( rămâne constant) 

11.0 și 11.1 -> ambele cu valoarea zero.

de aici sa înțeleg ca nu funcționează compresorul deloc?

Link către comentariu
Distribuie pe alte siteuri

Si ce reprezinta acei parametri ?

 

Link către comentariu
Distribuie pe alte siteuri

Main channel: 10 - Effective temperature evaporator
0 Effective temperature evaporator (°C)
1 Pressure coolant climate (bar)
2 Medium temperature coolant climate (°C)

Main channel:11 - Climate control compressor
0 Power theoretical electrical worker
1 Power effective electrical worker
2 Power electrical worker max
3 Kompressor PWM (0... 200) (Dig)
4 Power electrical worker offset compressor
5 Values power electrical worker
6 Code disinserito compressor (you see system)

Link către comentariu
Distribuie pe alte siteuri

de ce nu scoti releul incercuit cu rosu si dai pe direct plus catre compresor (pui un strap intre 30 si 87)?

Asa vezi daca porneste compresorul si daca face rece.

daca asa functioneaza bine inseamna ca nu ai comanda pe releu si aia vine din panoul comanda (minusul), daca sint indeplinite conditiile de presiune si temperatura -> senzori + fire)

Link către comentariu
Distribuie pe alte siteuri

Salutare! 

Am următoarea speta

Golf 5 2.0 TDI, 2008

Nu merge AC ul. 

Am schimbat compresorul cu unul nou pt ca cel vechi aparent era defect. 

Teste presiune, teste scurgeri, totul ok. 

Ura! Am AC... Pentru 2 zile

AC ul a început sa funcționeze defectuos a doua zi, pana când a început sa dea doar ceea ce vine pe ventilație... Adică fără AC. 

OK, ZIC! 

Las mașina pornita cu AC ul la maxim 20 de minute. Deschid portiera, cuptor! 

OK, zic... 

Pornesc la drum, accelerez pana pe la 100km, după care am simțit puțin miros specific instalației de ac. Las ca merge, zic. Specific faptul ca nu a dat aer rece, sau dacă a dat ceva, a fost, probabil, insesizabil. Opresc masina pe dreapta, iar ventilație. 

Ceva păreri? 

 

Link către comentariu
Distribuie pe alte siteuri

Fa o diagnoza,  verificati in blocurile de masura, etc

Link către comentariu
Distribuie pe alte siteuri

Momentan nu pot face o diagnoza... Este posibil sa fie de la vreo siguranță, releu? 

Link către comentariu
Distribuie pe alte siteuri

5 hours ago, alinfa said:

de ce nu scoti releul incercuit cu rosu si dai pe direct plus catre compresor (pui un strap intre 30 si 87)?

Asa vezi daca porneste compresorul si daca face rece.

daca asa functioneaza bine inseamna ca nu ai comanda pe releu si aia vine din panoul comanda (minusul), daca sint indeplinite conditiile de presiune si temperatura -> senzori + fire)

Nu stiu unde se afla acest releu. Daca stie cineva sa mi spuna..

Link către comentariu
Distribuie pe alte siteuri

daca ai un tablou pe aici probabil ca unul dintre acele relee.

 

Capture.JPG

Link către comentariu
Distribuie pe alte siteuri

Am făcut o scanare cu Delphi și a găsit asta 

https://ibb.co/N2NxxJ8

https://ibb.co/RYnCKWn

https://ibb.co/VNKmpn6

https://ibb.co/sQfNG9T

Sa înțeleg ca scap ieftin,doar cu senzorul de presiune? Vreo recomandare pentru piesa?

 

Link către comentariu
Distribuie pe alte siteuri

Posteaza erorile sa le vedem si noi.

Link către comentariu
Distribuie pe alte siteuri

A/C compresor status: clutch off

A/C pressure: 51.0 bar

A/C compresor control duty cycle: 0%

00819 A/C pressure sensor

Short circuit to ground or open circuit 

Permanent 

00229 refrigerant pressure 

Below lower regulation limit threshold 

Intermittent 

 

Link către comentariu
Distribuie pe alte siteuri

verifica firele de la senzor cat si alimentarea lui. Daca totul este ok, schimba senzorul.

Modificat de Al Bundy
Link către comentariu
Distribuie pe alte siteuri

Cablurile par sa fie intregi.
Ce marca sa fie senzorul ?  Cel mai ieftin l am gasit NRF la 75 de lei,Hella pe la 150 de lei. Merita diferenta de pret ?

Link către comentariu
Distribuie pe alte siteuri

Cumpăra  hella.... 

Link către comentariu
Distribuie pe alte siteuri

Salut, am o eroare la senzorul de soare de pe bord:00709 Fotosenzor 2-G134 007 scurt la masa, am verificat cablajul și e ok.Ar putea fi defect senzorul? 

Link către comentariu
Distribuie pe alte siteuri

da. Sau unitate de comanda clima. Probeaza cu alt senzor

Link către comentariu
Distribuie pe alte siteuri

  • 2 weeks later...

Salutare,

Masina: Golf V , 2.0 TDI, 2004. Ma puteti ajuta va rog, cu sugestii sau solutie de rezolvare la climatronic?

Problema este de cativa ani, dar cu timpul s-a agravat. Acum se prezinta cam asa:

Cand pornesc clima, baga aer rece 1,2,3 minute (nu exista un timp exact), apoi parca se "infunda"/"blocheaza" gurile de aerisire, nu mai vine debit de aer in habitaclu (nici cald, nici rece); climatronicul pare ca merge in continuare (dupa zgomot).

Daca ii dau "restart" (adica ori apas butonul "ECO" , si apoi il apas din nou (il trec iar pe AC)   sau  opresc de tot si pornesc din nou clima) iar baga aer rece 1,2,3 minute si apoi iar, se "blocheaza". Si tot asa, merge cat de cat doar daca ii dau "restart" periodic :)

OBS:

1. Pe incalzire merge normal.

2. Pe modul "ECO" merge normal.

3. de asta nu sunt 100% sigur:  Daca am observat corect, problema e mai persistenta cu cat e mai cald/soare afara. La temperaturi mici (pana in 15-18 grade afara), pare ca merge bine pe racire AC, fara intrerupere.
 

Modificat de Ktalin_VW
Link către comentariu
Distribuie pe alte siteuri

Jos torpedou si inlocuit servomotor/ servomotoarele recirculare sau deconectate

Link către comentariu
Distribuie pe alte siteuri

cum/de unde il deconectez, sa verific cateva zile, daca e de vina motorasul de recirculare? V113.

 

 

Modificat de Ktalin_VW
Link către comentariu
Distribuie pe alte siteuri

Ti-am scris mai sus. Jos torpedoul si scoti mufa la servomotor. Acela este de vina....

Link către comentariu
Distribuie pe alte siteuri

  • Aerofan pinned şi locked this topic
Vizitator
Acest subiect este închis acum şi nu mai pot fi adăugate alte postări.
 Share

  • Activi pe această pagină   0 membri

    • Niciun utilizator înregistrat nu vizualizează această pagină acum.
×
×
  • Create New...

 Functionarea acestui site este sustinuta de cele cateva bannere afisate intre posturi. Ar fi o placere pentru noi daca ar fi adaugat site-ul nostru in lista de exceptii ad-block in browserul tau. Promitem si veti vedea ca nu avem reclame intruzive si nici deranjante (nimic cu sunet,video sau all-screen). Multumim!