Jump to content

hpdaniel
 Share

Postare recomandată

Salut,

Am si eu o problema cu incalzirea in parbriz. Orice parere este binevenita.

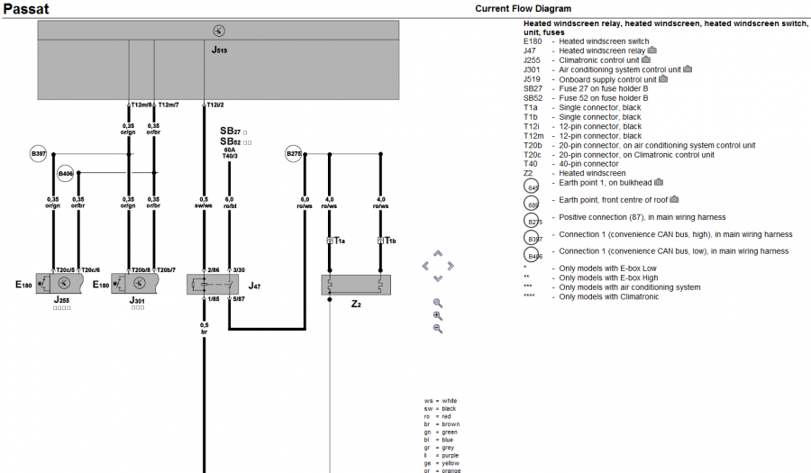
Acum ceva timp o piatra sarita de la alta masina mi-a spart parbrizul, crapatura nu s-a mai putut repara si am fost nevoit sa schimb parbrizul, am pus unul cu incalzire, mi-am comandat un panou climatronic nou (modelul nou, cel montat pe Passat B7), am montat releul pentru comanda incalzirii in parbriz, am facut conexiunile electrice necesare (montat siguranta 60A, tras cablu alimentare rezistenta, conectare parte de comanda releu - la masa si comanda in CECM (J519 - Address 09: Cent. Elect.       Labels: 3C0-937-049-30-H.lbl), toate conexiunile facute conform cu schema electrica din ELSA). Apoi am activat cu VAG COM (VCDS Version: 12.12.0.0, Clona) in modulul CECM bit-ul care seteaza activa incalzirea in parbriz.

Inainte de a conecta electric am testat incalzirea in parbriz prin actionarea releului, releul cupleaza iar parbrizul se incalzeste!

 

Dupa finalizarea conexiunilor electrice am actionat butonul pentru incalzire parbriz din panoul de clima,  pe navigatie imi confirma ca a pornit iar LED-ul de pe buton ramane pornit dar releul nu este actionat iar pe in CECM primesc urmatoarea eroare:

01593 - Heated Windshield (Z2) 
            007 - Short to Ground

Dupa aceasta am testat iar releul si incalzirea, merg atunci cand actionez releul prin aplicarea unei tensiuni de 12 V DC pe circuitul de comanda al acestuia.

Nu stiu de ce nu il actioneaza si prin comanda din CECM.

Am masurat tensiunea pe pin-ul care comanda incalzirea in parbriz iar aici nu primesc tensiune, mentionez ca am facut legaturile conform cu schema din ELSA.

Scanare module HVAC si CECM:

 

-------------------------------------------------------------------------------
Address 08: Auto HVAC (J255)       Labels: 5K0-907-044.clb
   Part No SW: 3AA 907 044 F    HW: 3AA 907 044 F
   Component: Climatronic   H03 0101  
   Revision: 00001K01    
   Coding: 0010000002
   Shop #: WSC 00015 115 12345
   ASAM Dataset: EV_Climatronic A01010
   ROD: EV_ClimaAutoBasis_SE36.rod
   VCID: 3365F9479AC0B386591-8066

1 Fault Found:
13701424 - Function Restricted due to Missing Message(s) 
          U1111 00 [009] - -
          Confirmed - Tested Since Memory Clear
             Freeze Frame:
                    Fault Status: 00000001
                    Fault Priority: 6
                    Fault Frequency: 30
                    Reset counter: 230
                    Mileage: 159300 km
                    Date: 2084.14.17
                    Time: 16:47:35


-------------------------------------------------------------------------------
Address 09: Cent. Elect.        Labels: 3C0-937-049-30-H.lbl
   Part No SW: 3C8 937 049 E    HW: 3C8 937 049 E
   Component: Bordnetz-SG     H54 2602  
   Revision: 00H54000    Serial number: 00000006037180
   Coding: EF808F0700041A00470000640F0000008A3FFF4300000121000000000000
   Shop #: WSC 00028 028 00001
   VCID: 3365F94752C0B386591-8066

   Subsystem 1 - Part No: 3C1 955 419 A  Labels: 1KX-955-119.CLB
   Component: Wischer 270109 004  0206  
   Coding: 00046997
   Shop #: WSC 00028  

   Subsystem 2 - Part No: 1K0 955 559 AH  Labels: 1K0-955-559-AG.CLB
   Component: RLS     020609 054  0402  
   Coding: 00469800
   Shop #: WSC 00028  

1 Fault Found:
01593 - Heated Windshield (Z2) 
            007 - Short to Ground
             Freeze Frame:
                    Fault Status: 01100111
                    Fault Priority: 5
                    Fault Frequency: 1
                    Reset counter: 230
                    Mileage: 159304 km
                    Time Indication: 0

             Freeze Frame:
                        ON
                    Voltage: 13.55 V
                        ON
                        ON
                        OFF
                        OFF
                        OFF


-------------------------------------------------------------------------------

Climatronic.jpg

Modificat de hpdaniel
Link către comentariu
Distribuie pe alte siteuri

Multumesc pentru informatii. Ciudat este ca m-a lasat sa activez bit-ul care ii spune ca am incalzire in parbriz.

 

Link către comentariu
Distribuie pe alte siteuri

Inseamna ca ar trebui sa montez pe cea cu codul 3C8 937 049 F – 30 Byte – Highend

Link către comentariu
Distribuie pe alte siteuri

sigur nu au aceeasi varianta de SW (difera, in functie de centrala - varianta) - banuiesc ca ai vrut sa zici ca apare in lista ca optiune la long coding (arata la fel), dar nu are componentele necesare pe placa - cum se intampla la foarte multe module - mai ales cele mai recente....

Link către comentariu
Distribuie pe alte siteuri

Da, asta voiam sa zic, ca in long coding apare si daca il activez si salvez il accepta. Asta am verificat prima oara cand am decis sa pun parbriz incalzit.

A fost foarte inteligent raspunsul celor de la reprezentanta: nu merge pentru ca nu a avut aceasta din fabrica.

Link către comentariu
Distribuie pe alte siteuri

bine, la ei cam asa este in general..... eu am facut retrofit la Polo 6C 2015 cu faruri halogen, la faruri LED oem 2016... inlocuire BCM, scoatere component protection de pe can gateway, bcm, scriere chei, telecomenzi, etc... ce crezi ca i-au zis cei de la reprezentanta ?... ca e imposibil.

Link către comentariu
Distribuie pe alte siteuri

Ai avut un pic de munca. Felicitari.

Eu mi-am facut retrofit la faruri de la halogen la bixenon si tot asa au zis ca nu se poate. Asa o fi in politica lor.

Link către comentariu
Distribuie pe alte siteuri

Salut,

Care au fost costurile acestui retrofit?

Multumesc.

L.E. La parbriz. Scuze de confuzie.

Modificat de identitate78
Link către comentariu
Distribuie pe alte siteuri

Te referi la farurile bixenon sau la parbriz incalzit?

Link către comentariu
Distribuie pe alte siteuri

As vrea să știu și eu cât a costat parbrizul și ce marca ai pus ?

Modificat de @DRI@N
Link către comentariu
Distribuie pe alte siteuri

Merci. Poate mi-a scapat dar panoul climatronic cat a costat? SH sau OEM/Reprezentanta?

Link către comentariu
Distribuie pe alte siteuri

Panoul climatronic a costat 70 euro cumparat de pe Ebay (gasesti mai greu cu buton pentru incalzire parbriz) si este OEM SH, rama la climatronic 200 RON, releu + cablaj cu soclu releu 100 ron din dezmembrari.

Trebuie sa conectezi alimentarea rezistentei parbrizului in panoul de sigurante de langa baterie, pentru asta iti mai trebuie un pin (gasit la dezmembrari), pinul se monteaza in conectorul mare de sub E-Box (panoul cu sigurante) + o siguranta de 60 A.

Dar verifica intai daca ai CECM corespunzator...

Link către comentariu
Distribuie pe alte siteuri

Iti multumesc pentru detalii. CECM=CentralElectronicModule.

L.E. Am gasit semnificatia CECM. Ai un cod al centralei cu care ar trebui sa mearga acest retrofit?

Modificat de identitate78
Link către comentariu
Distribuie pe alte siteuri

CECM - Central Electric Module. Actioneaza unele dintre sistemele masinii (Ex.: Lumini, incalzirea in scaune, incalzire luneta, etc.)

In link-ul de mai jos gasesti lista. Cele care suporta si incalzire parbriz trebuie sa aiba + FWH

 

Link către comentariu
Distribuie pe alte siteuri

Din pacate centrala mea nu se incadreaza in lista si prin urmare acest retrofit ar fi mult prea scump si ar implica mult prea multe modificari...

Address 09: Cent. Elect. (J519)       Labels: 3AA-937-087.clb
   Part No SW: 3AA 937 087 F    HW: 3AA 937 087 F
   Component: BCM PQ47 M    421 0464  
   Revision: BA421001   

Inca o data, multumesc pentru detalii.

Link către comentariu
Distribuie pe alte siteuri

Un buton separat cu temporizare nu ar merge? Stiu ca nu e pe butonul de climatronic, dar poate exista o solutie desteapta... Poate sa ia comanda de la butonul de incalzire oglinzi... Decat sa schimbi jumate de masina...

Ce este FY, daca stiti?

Am gasit ca ar putea fi FUJIAN YANHUA sau FUYAO Glass, parte a SAINT-GOBAIN SEKURIT.

Modificat de valioglu
Link către comentariu
Distribuie pe alte siteuri

Da, la parbriz se referea abrevierea.

In legatura cu un buton separat tehnic probabil se poate dar daca tot faci un retrofit macar sa il faci ca la carte...parerea mea.

Link către comentariu
Distribuie pe alte siteuri

Ai dreptate, dar e destul de ok si pe buton. Pana la urma, ca sa fim sinceri, efectul e important, scapi de dat la racleta pe ger.

Nu e vreun retrofit de design, iar Passatul e o masina de serie mare, nu planuiesc sa o las mostenire la nepoti. 

Link către comentariu
Distribuie pe alte siteuri

Solutii alternative se gasesc pentru a porni incalzirea in parbriz. Ma gandisem sa desfac panoul de climatronic si sa montez un fototransistor  care sa imi inchida un circuit atunci cand LED -ul de la incalzirea in parbriz.

Puntru colegul care are CECM-ul 

Address 09: Cent. Elect. (J519)       Labels: 3AA-937-087.clb
   Part No SW: 3AA 937 087 F    HW: 3AA 937 087 F

 

Eu cred ca iti merge sa faci retrofitul pentru ca in lista de module CECM de la B6 cele cu terminatia "F" suporta incalzire in parbriz. Incearca sa te documentezi in legatura cu asta.

Link către comentariu
Distribuie pe alte siteuri

On 11/14/2016 at 11:50 PM, hpdaniel said:

 

Acum ceva timp o piatra sarita de la alta masina mi-a spart parbrizul, crapatura nu s-a mai putut repara si am fost nevoit sa schimb parbrizul, am pus unul cu incalzire, mi-am comandat un panou climatronic nou (modelul nou, cel montat pe Passat B7), am montat releul pentru comanda incalzirii in parbriz, am facut conexiunile electrice necesare (montat siguranta 60A, tras cablu alimentare rezistenta, conectare parte de comanda releu - la masa si comanda in CECM (J519 - Address 09: Cent. Elect.       Labels: 3C0-937-049-30-H.lbl), toate conexiunile facute conform cu schema electrica din ELSA). Apoi am activat cu VAG COM (VCDS Version: 12.12.0.0, Clona) in modulul CECM bit-ul care seteaza activa incalzirea in parbriz.

 

E normal sa apara acea eroare si sa nu functioneze , atata timp cat nu ai facut legaturile corect, majoritatea modulelor de pe masina dau comanda prin punere la masa, deci tu trebuie sa legi bobina releului la BCM si celalalt fir la 12V , la sig SC15,

Modificat de Al Bundy
Link către comentariu
Distribuie pe alte siteuri

Am facut toate legaturile electrice conform cu schema din ELSA, deci nu ar trebui sa fie nici o problema din acest punct de vedere. Comanda releului este legata in BCM in conectorul si pin-ul specificat in ELSA iar circuitul care alimenteaza rezistenta este trecut prin siguranta SB27, masa este legata tot conform schemei.

Daca masor tensiune pe iesirea din BCM care comanda releul de incalzire parbriz nu da tensiune, nici macar pentru scurt timp pana cand ar sesiza ca este o eroare.

In BCM este problema pentru ca nu are codul corespunzator pentru incalzirea in parbriz.

Capturew.PNG

Link către comentariu
Distribuie pe alte siteuri

Este bine la tine (care ai B6 si centrala electrica), pe SB27 - SC52 - in functie de E box 

La B7 - dupa 2011, care are BCM - acolo vine pe SC15

Modificat de F l o r i n
Link către comentariu
Distribuie pe alte siteuri

Pentru a adăuga comentarii este necesară înregistrarea sau autentificarea

Trebuie să aveţi un cont de membru pentru a adăuga comentarii

Înregistrare membru

Înscrierea unui nou cont de membru. Este foarte uşor!

Înregistrare cont nou

Autentificare

Aveţi deja un cont de membru? Conectaţi-vă aici.

Autentificare în cont
 Share

  • Activi pe această pagină   0 membri

    • Niciun utilizator înregistrat nu vizualizează această pagină acum.
×
×
  • Create New...

 Functionarea acestui site este sustinuta de cele cateva bannere afisate intre posturi. Ar fi o placere pentru noi daca ar fi adaugat site-ul nostru in lista de exceptii ad-block in browserul tau. Promitem si veti vedea ca nu avem reclame intruzive si nici deranjante (nimic cu sunet,video sau all-screen). Multumim!