Jump to content

[DIY] - XDS -Sistemul de blocare electronica a diferentialului


Stormlord
 Share

Postare recomandată

Pai ma refeream la centrala de ABS, incercam cand ajung si pentru toate alea care au ramas de facut, poate saptamana asta chiar.

Link către comentariu
Distribuie pe alte siteuri

Pe octavia 1,2 tsi din Iunie 2010 oare ar merge?

Unde vad ce varianta de modul abs(esp) am? Imi trebuie interfata sau scrie pe el?

Link către comentariu
Distribuie pe alte siteuri

Cu interfata ar fi cel mai simplu de aflat, doar un auto-scan si ai toate informatiile, Poti gasi versiunea scrisa si pe modulul de ABS, cu conditia sa stii pe unde sa il cauti :)

Link către comentariu
Distribuie pe alte siteuri

La noi, la polo, unde este ? Sa stiu unde sa-l caut cand vreau sa-l imprumut de la unul mai tinerel :D

Link către comentariu
Distribuie pe alte siteuri

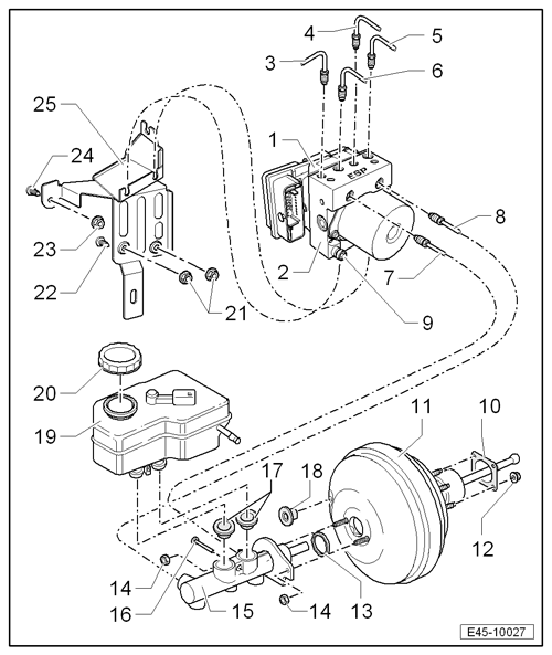
In compartimentul motor, cam pe aici (numarul 1):

 

post-67777-0-58630500-1383000750_thumb.p

 

post-67777-0-27271500-1383000787_thumb.p

 

Unitatea de comandă  şi unitatea hidraulică alcătuiesc un ansamblu unitar. 

Modificat de Stormlord
Link către comentariu
Distribuie pe alte siteuri

  • 4 years later...

Pentru a adăuga comentarii este necesară înregistrarea sau autentificarea

Trebuie să aveţi un cont de membru pentru a adăuga comentarii

Înregistrare membru

Înscrierea unui nou cont de membru. Este foarte uşor!

Înregistrare cont nou

Autentificare

Aveţi deja un cont de membru? Conectaţi-vă aici.

Autentificare în cont
 Share

  • Activi pe această pagină   0 membri

    • Niciun utilizator înregistrat nu vizualizează această pagină acum.
×
×
  • Create New...

 Functionarea acestui site este sustinuta de cele cateva bannere afisate intre posturi. Ar fi o placere pentru noi daca ar fi adaugat site-ul nostru in lista de exceptii ad-block in browserul tau. Promitem si veti vedea ca nu avem reclame intruzive si nici deranjante (nimic cu sunet,video sau all-screen). Multumim!