Jump to content

Probleme la pompa de inalta presiune a motoarelor CR


hallucinogen
 Share

Postare recomandată

Revin cu rezolvarea P0087, cel putin in cazul meu! Se slabise surubul care tinea injectoarele 3-4! Le-am curatat pe toate 4, generat noi coduri de calibrare! Totul ok acum !

Link către comentariu
Distribuie pe alte siteuri

1 minute ago, OvYd3L said:

Se slabise surubul

Suruburile nu se slabesc singure ,tin 200-300.000 km lejer.

NU au fost stranse corespunzator ,defectiune aparuta in urma “reparatiei” .

Link către comentariu
Distribuie pe alte siteuri

Cum adica,pierde presiune sistemul de injectie pentru ca injectoarele nu mai sunt fixe pe pozitia lor?

Link către comentariu
Distribuie pe alte siteuri

Posibil ,daca si conductele de la injectoare s-au “slabit” 

Link către comentariu
Distribuie pe alte siteuri

Salutare tuturor! 

In ajunul revelionului în turatie a început sa întrerupă și am tras pe dreapta, iar la relanti s-a oprit motorul. A pornit la prima cheie și de-atunci până săptămâna aceasta nu a mai făcut nici o figură. Într-o zi mergând în coloană la aproximativ 1500-1800 de turații aveam ca o întrerupere fără a da nici o eroare în bord. Am zis sa verific și eu dacă nu cumva am span, iar după demontarea regulatorului de debit de pe pompă nu am mai reușit sa o pornesc. Am citit și am încercat cam tot ce s-a discutat aici, dar tot nu am reușit să mai pornesc. În rampă nu face decât 8 bari. Poate sa fie defect regulatorul de pe pompa fără sa dea cod de eroare? 

O duminică plăcută! 

Am uitat sa precizez ca după verificare am amorsat, a pornit la sfer de cheie, parcat mașina și dimineața la pornire s-a aprins spirala, nu aveam putere. Am prins barieră și am repornit motorul a dispărut, iar când am ajuns în parcare la servici s-a oprit și nu a mai vrut sa pornească 

Link către comentariu
Distribuie pe alte siteuri

Le-am citit și am verificat cam tot, dar nu reușesc nimic, ieri am adus mașina pe trailer la mine în garaj și am desfăcut și pompa ca să ma asigur ca axul cu cama și rola sunt okIMG_20240210_193639.thumb.jpg.f454a9fe479ad70676eaadfdd3e5f9f1.jpg

IMG_20240210_193619.jpg

Link către comentariu
Distribuie pe alte siteuri

Daca pe masina ai injectoare piezoelectrice,si asa cred,vazind tipul de pompa,probabil cp4,e posibil ca vreunul din ele sa piarda presiunea pe retur,care trebuie sa fie de aproximativ 10bar,altfel nu iti porneste masina.

Presiunea de 10 bar este asigurata  de o valva de antiretur de 10 bar,sau cum o numiti voi in RO,si indiferent cita de mult retur da un injector,acea valva asigura acea presiune,deci este mai probabil ca ea sa fie defecta decit un injector.

Presiunea minima la orice masina diesel,in rampa,pentru pornire,trebuie sa fie minim 250 bar.

Tu zici ca ai 8 bar,asa ca,ori senzorul de presiune din rampa este defect,ori ai vreun injector cu returul deschis complet si nu lasa sa creasca presiunea,dar in cazul piezoelectricelor ar trebui sa fie si/sau,doar valva anti retur defecta.

In rampa,trebuie sa mai ai un regulator de presiune,care da probleme din cauza mizeriei acumulate,si daca este cum cred eu,este mai posibil sa se fi stricat acest regulator,decit cel din pompa.

Asta este ce inteleg eu din tot ce ai scris,dar tot asa de bine,este posibil sa ai alta problema cu masina,care sa nu fie relationata cu sistemul de injectie,cum ar fi,puncte,puncte...fa diagnosis si spune ce rezultate ai.

In alta ordine de idei,de la revelion si pina acum,se puteau intimpla multe,si poate ai mai facut si alte interventii dar ai considerat ca nu este necesar sa ni le aduci la cunostinta,insa parerea mea este sa o faci,doar asa putem sa incercam sa te sfatuim cit de cit.

Cum se pot proba diferitele componente din sistemul de injectie.Daca ai ,,regulatoare false" astea sint niste dopuri metalice,cu forma unui regulator real,care obliga pompa de injectie sa urce presiunea la maxim,atunci poti folosi unul din acestea sa vezi daca pompa scoate presiune.

Daca scoate,atunci poti banui regulatorul din rampa.Daca nu scoate,ori pompa de injectie nu primeste suficient debit de combustibil,ori il primeste dar nu il scoate spre rampa.

Verificarea regulatorului din rampa:

Se scoate regulatorul,si se pune un dop metalic,sau regulator fals in locul lui,in asa fel incit pe returul rampei sa nu iasa nicio picatura.

Se conecteaza un multimetru pe firele de masa si de semnal,al senzorului de presiune,pentru asta este nevoie ca in prealabil sa se depisteze care sint aceste fire,dupa diagrama oferita de fabricant,sau masurind direct.Trebuie sa avem -5v(masa) pe un fir,+5v pe altul,iar cel ramas ultimul minim 0,5v la 0 bar de presiune.

In timp ce se da la cheie,pentru citeva secunde,cineva masoara tensiunea dintre masa si firul presupus de semnal din senzorul de presiune.

Daca tensiunea ramine la 0,5v(0,4v...0,6v) atunci ori senzorul este stricat,ori pompa nu baga presiune.

Daca tensiunea creste in jur de 1,2v,sau mai mult,(250bar....300bar) atunci problema poate fi in injectoare.

 

Ar fi bine daca ai spune ce numar de referinta au injectoarele,sau fa o poza cu ele si pune aici,asa e mai usor si nu ma confund cu altele.Daca sint injectoare PD uita tot ce am scris.

Modificat de vp44
etc
Link către comentariu
Distribuie pe alte siteuri

mishu achihaitei
în urmă cu 14 ore, EEXCALADE a scris:

Suruburile nu se slabesc singure ,tin 200-300.000 km lejer.

NU au fost stranse corespunzator ,defectiune aparuta in urma “reparatiei” .

suruburile de la injectoare,la motoarele 2,0 tdi se inlocuiesc deoarece se lungesc in timp cu 2mm, se modifica si pasul filetului.

Riscul de rupere este foarte mare la refolosire,fiindca il strangi cu 3nm si 270grade.

Link către comentariu
Distribuie pe alte siteuri

Până săptămâna aceasta când am demontat regulatorul de pe pompă nu am mai verificat nimic în afara de diagnoza care am făcut-o pe 2 Ianuarie. Acestea au fost în ordine codurile care le-am găsit, iar după ștergerea lor nu am în momentul de față nici un cod de eroare

IMG_20240102_114900.jpg

IMG-20240207-WA0000.jpg

IMG-20240207-WA0001_127420101831077.jpg

Acum de când nu mai pornește am verificat asa:

Măsurat presiune pompa joasa înainte de întrare în pompa de inalte 4,4 bar

Dat la automat pe returul din rampa comună nu vine deloc motorină la fel și dinspre injectoare 0 motorină pe retur (aici specific ca am verificat doar după valva aceea care e pe retur) 

Ulterior am desfăcut șurubul cu tubulatura E de pe pompa de inalte și verificat acea supapa (totul părea ok) 

In final aseară am desfăcut și cele 4 șuruburi și am scos sa văd cum arată cama și rola, am montat tot la loc, aerisit și tot nu pornește 

Link către comentariu
Distribuie pe alte siteuri

@mishu achihaitei

Normal ca se inlocuiesc cand se umbla la ele ,dar pana atunci nu se slabesc/desfileteaza singure ,atat cat sa genereze erori sau valori mari.

Modificat de EEXCALADE
Link către comentariu
Distribuie pe alte siteuri

în urmă cu 5 ore, mishu achihaitei a scris:

suruburile de la injectoare,la motoarele 2,0 tdi se inlocuiesc deoarece se lungesc in timp cu 2mm, se modifica si pasul filetului.

Riscul de rupere este foarte mare la refolosire,fiindca il strangi cu 3nm si 270grade.

Dacă este așa, există recomandare de la vw să se înlocuiască după un anumit număr de ani ori km?

Link către comentariu
Distribuie pe alte siteuri

Nu ,nu exista interval de schimb la suruburile stretch.

Exista doar mentiunea ca nu se refolosesc .

Link către comentariu
Distribuie pe alte siteuri

mishu achihaitei
în urmă cu 3 ore, EEXCALADE a scris:

@mishu achihaitei

Normal ca se inlocuiesc cand se umbla la ele ,dar pana atunci nu se slabesc/desfileteaza singure ,atat cat sa genereze erori sau valori mari.

cand umbli la injectoare se inlocuiesc cu altele noi.Asta zic.

De ce nu se masoara returul la injectoare piezo, cu furtunase si borcane ptr a se vedea daca e aceeasi cantitate la toate injectoarele?

Link către comentariu
Distribuie pe alte siteuri

daca se refolosesc exista riscul sa se reteze iar daca se reteza la turatie vor fi ceva costuri

Link către comentariu
Distribuie pe alte siteuri

La injectoarele piezo nu se poate masura returul cu eprubete,decit daca i se monteaza o valva de 10bar pe retur celui probat,si se asigura 10 bar retur pe restul sistemului,altfel masina nu mai porneste.

Eu as schimba senzorul de presiune din prima,nu as mai pierde timpul.

Modificat de vp44
Link către comentariu
Distribuie pe alte siteuri

14 hours ago, mishu achihaitei said:

De ce nu se masoara returul la injectoare piezo, cu furtunase si borcane

Testul asta nu are nici o relevanta atata timp cat eroarea apare doar in sarcina.

Link către comentariu
Distribuie pe alte siteuri

On 2/10/2024 at 9:49 PM, EEXCALADE said:

Suruburile nu se slabesc singure ,tin 200-300.000 km lejer.

NU au fost stranse corespunzator ,defectiune aparuta in urma “reparatiei” .

Am avut 4 astfel de cazuri. Toate pe CAY, nu stiu insa daca mai fusese umblat acolo sau nu.

Link către comentariu
Distribuie pe alte siteuri

mishu achihaitei
în urmă cu 2 ore, UNHleaSHD a scris:

Am avut 4 astfel de cazuri. Toate pe CAY, nu stiu insa daca mai fusese umblat acolo sau nu.

Se strange cu cheia dinamometrica la 3NM si 270 grade cu raportorul sau sdv-ul ptr masurare unghiuri surubul.

https://www.epiesa.ro/aparat-pentru-masurare-unghi-de-strangere-jbm-00312-1-2-inch-mstrnid-47087.htm

Daca nu pui surub nou risti sa se rupa la strangere.

Nu pune pasta blocat suruburi ca risti sa il rupi la desfacere 🤣 sau lasi filetul acolo in chiulasa :))

Modificat de mishu achihaitei
Link către comentariu
Distribuie pe alte siteuri

Poate să-mi spună cineva dacă conectez un injector mecanic la conductă ce iese din pompa de înalte trebuie sa producă presiunea necesară ca să-l deschidă sau dacă senzorul din rampă nu citește presiune nu da nici pompa? 

Am primit împrumut o pompă de înalte cu posibilitate de cumpărare dacă asta e vinovata , dar as vrea sa ma asigur ca e pompa înainte sa demontez distribuția 

Modificat de mauagariciu
Link către comentariu
Distribuie pe alte siteuri

1 hour ago, mishu achihaitei said:

3NM si 270

Asa se slabesc ,deoarece ala e cuplu de strangere pt injectoare PD.:)

Asta e cuplul pentru generatia  2 CR (cay ,cff...)

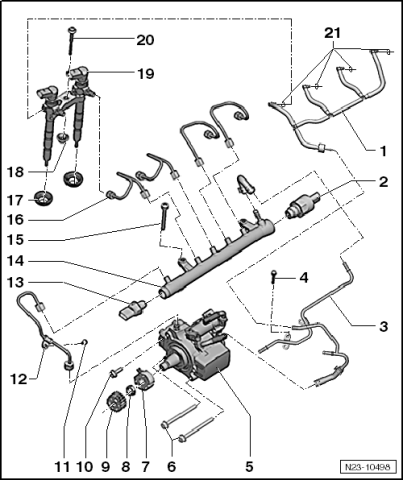
20 - Bolt for clamp

-  Renew

Tighten securing bolts to a maximum of 1 to 2 Nm at first.

After the high-pressure lines have been fitted.

Final specified torque: 8 Nm + turn 180° further 

N23-10498.png

Modificat de EEXCALADE
Link către comentariu
Distribuie pe alte siteuri

Generatia  3 CR 

8 Nm + 270° (3x 90° further)

Modificat de EEXCALADE
Link către comentariu
Distribuie pe alte siteuri

în urmă cu 15 ore, mauagariciu a scris:

Poate să-mi spună cineva dacă conectez un injector mecanic la conductă ce iese din pompa de înalte trebuie sa producă presiunea necesară ca să-l deschidă sau dacă senzorul din rampă nu citește presiune nu da nici pompa? 

Am primit împrumut o pompă de înalte cu posibilitate de cumpărare dacă asta e vinovata , dar as vrea sa ma asigur ca e pompa înainte sa demontez distribuția 

Da,daca conectezi un injector mecanic la conducta care iese din pompa,si daca pompa este ok,vei vedea cum si daca functioneaza pompa,numai ca,un injector mecanic functioneaza la presiuni mult mai mici,si de obicei se deschide duza la 150bar....200bar,si nu te ajuta prea mult ca sa vezi daca pompa suministreaza 250bar minim pentru pornire.

Apoi trebuie tinut cont de faptul ca senzorul de pe rampa de presiune,este cel care da startul pentru pornire,si daca nu trece de 0,4v...0,6v ECU va tine regulatorul de pe pompa deschis complet,ca sa nu se produca suprapresiune,si va trimite toata motorina spre retur.

Poti face urmatoarea chestie,cu un instrument de masura,citesti tensiunea pe cele trei fire ale senzorului de presiune de pe rampa,ca sa afli firul de semnal,acesta in mod normal arata 0,4...0,6v cu contactul pus,si apoi conectezi o baterie de lanterna,de 1,5v cu minusul pe firul de masa al senzorului,si cu plusul pe firul de semnal al acestuia.

Tensiunea de 1,5v va transmite la ECU ca ai 300bar aprox in rampa,si va lasa regulatorul de pe pompa sa lucreze,si asa vei putea probezi cu injectorul mecanic.

Atentie cu presiunea care se va forma in pompa,testul asta trebuie facut citeva secunde,de preferat cu injectoarele fara sa fie conectate la mufe...doar la tevile de inainta presiune.

Alt mod de a proba pompa,este sa faci rost de tevi de alimentare cu combustibil cum sint cele de la injectoare,si sa le tai,apoi sa le sudezi unde ai taiat,in asa fel incit sa le transformi in dopuri,cu care apoi ermetizezi rampa fara sa risti distrugerea injectoarelor.In comert se gasesc astfel de dopuri,M12...M14 concepute special pentru acest scop.

La sistemele common rail piezoelectrice,pompa poate suministra pina la 2000Bar,atentie mare cu inventiile,sint bune dar uneori pot provoca si accidente.

Daca ai pe returul injectoarelor,valva de 10 bar,si scoti injectoarele din circuit,punind dopuri la rampa,atunci ar trebui sa scoti si acea valva din circuit,altfel va ajunge la ea,peste 1000 bar si o pot distruge.Poti conecta returul rampei direct la rezervor trecind peste valva,sau il poti lasa liber,sa curga intrun vas,sticla,etc.

 

 

Modificat de vp44
orto
Link către comentariu
Distribuie pe alte siteuri

Mulțumesc frumos pentru răspuns, dar dacă eu conectez acel injector mecanic direct pe ieșirea din pompă înseamnă că rampa comună nu mai este alimentată nu? Deci presiune în rampa nu are de unde sa fie. Rămâne doar sa mintesc senzorul de presiune de pe rampă. Am înțeles corect? 

Link către comentariu
Distribuie pe alte siteuri

On 2/11/2024 at 12:25 PM, mishu achihaitei said:

suruburile de la injectoare,la motoarele 2,0 tdi se inlocuiesc deoarece se lungesc in timp cu 2mm, se modifica si pasul filetului.

Total gresit, doar daca folosesti suruburi neconforme. Suruburile originale au un grad de elasticitate calculat perfect pentru aplicatia respectiva la cuplul specificat. Ruperea la refolosire poate apare din cauza variatiilor termice si mecanice in timp la care este supus surubul (incalziri si raciri) cu oarecare pierdere a elasticitatii necesare.

 

17 hours ago, EEXCALADE said:

Asa se slabesc ,deoarece ala e cuplu de strangere pt injectoare PD.:)

Corect, stiu mai multe cazuri cand mecanicii habar n-aveau de procedura de strangere. Este principala cauza de slabire a suruburilor (pe langa vibratiile rezonante, dar este alta discutie).

Link către comentariu
Distribuie pe alte siteuri

Pentru a adăuga comentarii este necesară înregistrarea sau autentificarea

Trebuie să aveţi un cont de membru pentru a adăuga comentarii

Înregistrare membru

Înscrierea unui nou cont de membru. Este foarte uşor!

Înregistrare cont nou

Autentificare

Aveţi deja un cont de membru? Conectaţi-vă aici.

Autentificare în cont
 Share

  • Activi pe această pagină   0 membri

    • Niciun utilizator înregistrat nu vizualizează această pagină acum.
×
×
  • Create New...

 Functionarea acestui site este sustinuta de cele cateva bannere afisate intre posturi. Ar fi o placere pentru noi daca ar fi adaugat site-ul nostru in lista de exceptii ad-block in browserul tau. Promitem si veti vedea ca nu avem reclame intruzive si nici deranjante (nimic cu sunet,video sau all-screen). Multumim!