Jump to content

Are Cineva Un Seat Arosa / Vw Lupo Cu Motor Ald?


stefangelo
 Share

Postare recomandată

Vreau sa imi aduc din strainatate un Seat Arosa cu motor cu codul ALD. Am intrebat la RAR si nimeni nu stie ce norma EURO este. Multi isi dau cu presupusul. Mai are cineva un Arosa cu motor cu acelasi cod? daca da, la ce norme EURO vi s-a incadrat? Multumiri anticipate

Link către comentariu
Distribuie pe alte siteuri

Nu stiu daca te ajuta cu ceva, dar incerc :

- EURO 2 - codificarea data de ultimele doua caractere ale numarului de omologare: X1, X2, X3, X4, X5, X6, Y1, Y2, Y3

- EURO 3 - codificarea data de ultimele doua caractere ale numarului de omologare: D3, E3, R3

- EURO 4 - codificarea data de ultimele doua caractere ale numarului de omologare: E4, R4

Link către comentariu
Distribuie pe alte siteuri

Daca poti afla codurile de pe sticker-ul lipit in spate, la roata de rezerva sau pe cartea de service, atunci acceseaza site-ul asta si dupa ce le introduci, o sa vezi sigur ce norma de poluare are.

Link către comentariu
Distribuie pe alte siteuri

  • 3 weeks later...
Daca poti afla codurile de pe sticker-ul lipit in spate, la roata de rezerva sau pe cartea de service, atunci acceseaza site-ul asta si dupa ce le introduci, o sa vezi sigur ce norma de poluare are.
pe sticker sint scrise urmatoarele:VSSZZZ6HzYR0218756H1 OL4AROSA (MU5)EU 3 . 37 GCAT5GALD DXDLS7N AJX2B B0N MU5 G0C 1AL 8GMJ0R - - - H0C - - - 1G6 1NCB0M 8L3 8RJ 8BF - - - 8TD- - - - - - 1MZ - - - - - - 5SJ 5RUAm introdus codurile dar Euro nu este mentionat nicaieri
Nu stiu daca te ajuta cu ceva, dar incerc : - EURO 2 - codificarea data de ultimele doua caractere ale numarului de omologare: X1, X2, X3, X4, X5, X6, Y1, Y2, Y3 - EURO 3 - codificarea data de ultimele doua caractere ale numarului de omologare: D3, E3, R3 - EURO 4 - codificarea data de ultimele doua caractere ale numarului de omologare: E4, R4
Caracterele astea se regasesc cumva in seria de sasiu? Am seria VSSZZZ6HZYR021875, deci am gasit un Y in seria de sasiu, dar dupa ala e un R.
Link către comentariu
Distribuie pe alte siteuri

  • 1 month later...
Caracterele astea se regasesc cumva in seria de sasiu? Am seria VSSZZZ6HZYR021875, deci am gasit un Y in seria de sasiu, dar dupa ala e un R.

Cauta in talonul masinii la punctul 10.Numarul de omologare si uita-te la ultimele 2 caractere... ;)

Link către comentariu
Distribuie pe alte siteuri

  • 1 year later...

Are cineva cod motor AER 1.0 37kw

M-ar interesa daca e Euro 2 sau 3

VIN-ul e VSSZZZ6HZWW010112

Link către comentariu
Distribuie pe alte siteuri

  • 1 month later...

Am gasit ceva legat de motorele de 1.0 si coduri ALL si AHT (999cm si 37 kw) cum ca sunt ambele cu norma EURO 3.

Iar despre motoarele de 1.4 de pe Lupo ,ca toate au norma EURO 3.

Cel de 1.7 SDI este si el tot EURO 3.

Mai multe informatii sunt la " Manuale Lupo, cateva din manualele Lupo 3L scanate "...post.#26. SSP 201 LUPO design function .pdf

Modificat de wolfvw
Link către comentariu
Distribuie pe alte siteuri

....Iar despre motoarele de 1.4 de pe Lupo ,ca toate au norma EURO 3.

....

salut. Eu am 1.4 75CP AUH si este EURO4.

Link către comentariu
Distribuie pe alte siteuri

Daca deschizi manualul "SSP 201 Lupo design" de la pagina sitului :http://vwforum.ro/index.php?act=attach&type=post&id=179564......scrie ca toate cele de 1.4 sunt EURO3 textual:"All conform to exhaust emission standards EU III and D3".

Modificat de wolfvw
Link către comentariu
Distribuie pe alte siteuri

m-ar interesa ceva detalii despre motorul AUC 1.0 MPI, cutie si alte minuni. poti sa ma ajuti?

Link către comentariu
Distribuie pe alte siteuri

fireburn a scris deja ca :- EURO 3 - codificarea data de ultimele doua caractere ale numarului de omologare: D3, E3, R3

in consecinta toate cele fabricate intre 1999- 2005:"All conform to exhaust emission standards EU III and D3".( atentie : vorbim DOAR de LUPO).

Corectati-ma daca gresesc( eu asa am gasit in documentatie, manuale, etc).

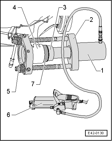
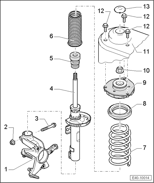
REIMNS...pt. tine atasez si fotografii cu articulatia de la lupo ...am sa scriu cate ceva legata de amortizoare si zgomote la suspensie ( extrase din manual)Amortizoare neetanse

Pierderi mai mici de ulei prin garniturile tijei pistonului nu reprezinta un motiv suficient pentru a

post-49910-1268473038_thumb.png

post-49910-1268473166_thumb.png

post-49910-1268473202_thumb.png

post-49910-1268473247_thumb.png

post-49910-1268473283_thumb.png

post-49910-1268473361_thumb.png

post-49910-1268473379_thumb.png

post-49910-1268473038_thumb.png

post-49910-1268473166_thumb.png

post-49910-1268473202_thumb.png

post-49910-1268473247_thumb.png

post-49910-1268473283_thumb.png

post-49910-1268473361_thumb.png

post-49910-1268473379_thumb.png

Modificat de wolfvw
Link către comentariu
Distribuie pe alte siteuri

  • 9 months later...

Salutari, de curand mi-am cumparat si eu un arosa.Ma intereseaza ce norma euro este motorul 1.o Aer , de asemenea daca stiti vreun arosa la dezmembrat in afara de bucuresti. Multumesc.

Link către comentariu
Distribuie pe alte siteuri

Eu am avut un vecin care avea un Arosa cu motor de 1000 cmc si era euro 3, asa a adus-o si asa a si inscris-o la RAR. A lui era din '99 sau 2000.

Link către comentariu
Distribuie pe alte siteuri

  • 1 month later...

Cel de 1.7 SDI este si el tot EURO 3.

Nu stiu daca este chiar asa, eu am 1.7 SDi si este EURO 2 :)

Link către comentariu
Distribuie pe alte siteuri

  • 9 months later...

Salut.

De trei zile am si eu cu Arosa de 1.4 automat .

Daca ma poate ajuta cineva cu manual de service sau ceva date despre Arosa.

In afara de talon si CIV nu am nimic.

Masina este din 10/2001 motor de 1.4 benzina

Link către comentariu
Distribuie pe alte siteuri

Date generale le gasesti in Autodata, iar manual de reparatii Elsawin, te descurci tu...netul este mare :lol:

Link către comentariu
Distribuie pe alte siteuri

  • 1 year later...

Arosa 1.0 motor AUC 04.2001, ce euro iese?, in carte scrie euro3 und D4. Multumesc

Link către comentariu
Distribuie pe alte siteuri

  • 1 year later...

Cum a spus colegul Mai sus cine are VW Lupo cu motor de 1.000 cmc cod ALL Este EURO 3. O Sa atasez o fotografie care atesta acest lucru cu stickerul de identificare al masinii din carte/portbagaj. Sper Sa fie de folos aceasta informatie.

Link către comentariu
Distribuie pe alte siteuri

Poza despre care vorbeam. 

 

VW LUPO 1999 motor 1,0 l cod ALL - Euro 3

post-10002-0-47328200-1408116568_thumb.j

Modificat de Tracto
Link către comentariu
Distribuie pe alte siteuri

  • 4 months later...

Poate mai cauta cineva:

Tip motor AER - EURO 2 - are o singura sonda lambda
Tip motor ALD - EURO 2 - are o singura sonda lambda
Tip motor AUC - EURO 4 - are doua sonde lambda

(vwpolo.ro)

Modificat de mariod
Link către comentariu
Distribuie pe alte siteuri

Pentru a adăuga comentarii este necesară înregistrarea sau autentificarea

Trebuie să aveţi un cont de membru pentru a adăuga comentarii

Înregistrare membru

Înscrierea unui nou cont de membru. Este foarte uşor!

Înregistrare cont nou

Autentificare

Aveţi deja un cont de membru? Conectaţi-vă aici.

Autentificare în cont
 Share

  • Activi pe această pagină   0 membri

    • Niciun utilizator înregistrat nu vizualizează această pagină acum.
×
×
  • Create New...

 Functionarea acestui site este sustinuta de cele cateva bannere afisate intre posturi. Ar fi o placere pentru noi daca ar fi adaugat site-ul nostru in lista de exceptii ad-block in browserul tau. Promitem si veti vedea ca nu avem reclame intruzive si nici deranjante (nimic cu sunet,video sau all-screen). Multumim!