Jump to content

VW T5 7HB 2004 - Problema comutare faza scurta / faza lunga dupa montarea de faruri dublu optice


Buggy07
 Share

Postare recomandată

Salutare,

 

Am schimbat la un T5 farurile standard cu un singur bec pentru faza lunga/scurta cu cele dublu optice de la acelasi model.

Mufele se potrivesc, toate becurile se aprind, exista o singura problema, cand comuti de pe faza scurta pe faza lunga se stinge becul de scurta si ramane aprins doar cel de lunga.

In schimb daca comuti pe faza lunga tinand tras catre sofer blocul de lumini, se aprind amandoua, cum ar fi de fapt normal.

 

Ati mai intampinat aceasta problema cand ati facut retrofit? Este blocul de lumini, un releu sau altceva?

 

Multumesc anticipat de ajutor. 

Link către comentariu
Distribuie pe alte siteuri

Ai trecut de la H4 la H1/H7? Daca da, cel mai probabil datorita temperaturii emise de ambele becuri, nu functioneaza decat asa cum ai enuntat tu. Am sa verific maine la mine, eu avand de fabrica H1/H7. 

Modificat de dydu_kuf
Link către comentariu
Distribuie pe alte siteuri

Da, am trecut la cel cu 2 becuri (H1/H7) in loc de 1.

Merci de ajutor. 

Link către comentariu
Distribuie pe alte siteuri

Iti fac un rezumat la rezumat :

 

La H4 ai 2 filamente in acelasi bec -> 2 alimentari si un minus . Cand aprinzi faza lunga iti taie o alimentare si o porneste pe cealalta.

La H7, H1 ai 2 becuri -> 1 alimentare si 1 minus, pe fiecare bec ! Alt principiu de functionare la becuri deci alta instalatie electrica.

Ce ai facut tu implica si modificarea instalatiei electrice prin adaugarea cate unui releu, printre altele, pentru fiecare far astfel incat sa ai si faza scurta aprinsa cand comuti pe lunga.

PS: not electrical advice ! nu recomand modificarea instalatiei electrice.

Sfatul meu e sa cauti faruri pentru H4 si becuri bune si sa nu modifici nimic.

 

Link către comentariu
Distribuie pe alte siteuri

Eu sunt de acord cu tine si nu vreau sa modific cablajul.

Stiu ca pentru conversia de la T5 la T5.1 si T6 exista o deriva de cablaj care se conecteaza la cablajul original, dar acolo pentru ca farurile in sine au alte legaturi.

Vreau sa stiu doar daca schimbarea switch-ului de la volan, a celui de Shuttle cu cel de Caravelle de exemplu rezolva problema. Poate a incercat cineva.

Daca e plug & play. Ma indoiesc ca e ceva mai complex pentru ca in momentul cand vrei sa dai flash ti le aprinde pe amandoua. Deci comutarea o face din switch.

 

Modificat de Buggy07
Link către comentariu
Distribuie pe alte siteuri

@Buggy07m-am uitat, iar la mine se aprind atat faza scurta cat si cea lunga, indiferent daca trag de manta sau comut pe faza lunga.

AI pilot automat pe mmaneta? 

Link către comentariu
Distribuie pe alte siteuri

Manetele sunt aceleasi. Sunt aceleasi cu cele de Ibiza, etc...

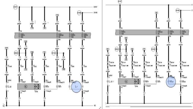
Buggy, cand am un pic de timp, o sa iti scot ambele diagrame, sa vedem diferentele pe instalație

Link către comentariu
Distribuie pe alte siteuri

Eu nu vad diferenta spre far cel putin.

 

single vs twin bulb vw t5.jpg

single bulb vw t5.jpg

twin bulb vw t5.jpg

Modificat de davidut5
Link către comentariu
Distribuie pe alte siteuri

In mufa farului sigur nu ai ce diferente sa gasesti....avand in vedere ca se aprind toate becurile din far, la el.

Codare centrala,  iesire centrala, etc

Link către comentariu
Distribuie pe alte siteuri

  • 3 months later...
On 29.12.2021 at 10:18, Buggy07 a scris:

Eu sunt de acord cu tine si nu vreau sa modific cablajul.

Stiu ca pentru conversia de la T5 la T5.1 si T6 exista o deriva de cablaj care se conecteaza la cablajul original, dar acolo pentru ca farurile in sine au alte legaturi.

Vreau sa stiu doar daca schimbarea switch-ului de la volan, a celui de Shuttle cu cel de Caravelle de exemplu rezolva problema. Poate a incercat cineva.

Daca e plug & play. Ma indoiesc ca e ceva mai complex pentru ca in momentul cand vrei sa dai flash ti le aprinde pe amandoua. Deci comutarea o face din switch.

 

Salut ai rezolvat problema?că și eu mă lupt cu aceași problema

Link către comentariu
Distribuie pe alte siteuri

Pentru a adăuga comentarii este necesară înregistrarea sau autentificarea

Trebuie să aveţi un cont de membru pentru a adăuga comentarii

Înregistrare membru

Înscrierea unui nou cont de membru. Este foarte uşor!

Înregistrare cont nou

Autentificare

Aveţi deja un cont de membru? Conectaţi-vă aici.

Autentificare în cont
 Share

  • Activi pe această pagină   0 membri

    • Niciun utilizator înregistrat nu vizualizează această pagină acum.
×
×
  • Create New...

 Functionarea acestui site este sustinuta de cele cateva bannere afisate intre posturi. Ar fi o placere pentru noi daca ar fi adaugat site-ul nostru in lista de exceptii ad-block in browserul tau. Promitem si veti vedea ca nu avem reclame intruzive si nici deranjante (nimic cu sunet,video sau all-screen). Multumim!