Jump to content

Display incalzire bancheta spate


pandelemihai
 Share

Postare recomandată

Salutare tuturor!

Skoda superb 2 - De unde se alimenteaza panoul dintre scaune? E pentru incalzire bancheta? E prin siguranta alimentarea? Eventual o schema electrica?

Multumesc!

Modificat de pandelemihai
Link către comentariu
Distribuie pe alte siteuri

Toate moduele au alimentare prin siguranta.

Link către comentariu
Distribuie pe alte siteuri

Multumesc. La acesta din poza ma refer.

a.jpg

Link către comentariu
Distribuie pe alte siteuri

As vrea sa stiu de unde se alimenteaza acest display. Multumesc.

 

Link către comentariu
Distribuie pe alte siteuri

ai verificat in mufa si nu ai alimetare? Ce an e de fabricație,  ce cod ?

Link către comentariu
Distribuie pe alte siteuri

Salut Florin,

Skoda Superb CO tip 3T5 280  CR  DPF

103 Kw / 140 CP

Numar VIN: TMBJE73T8D9013035  

Motor: CFFB

Stiu ca trebuie sa functioneze la punerea contactului. nu stiu unde are mufa si daca are vreo siguranta ceva.

Multumesc pentru interventia ta.

Link către comentariu
Distribuie pe alte siteuri

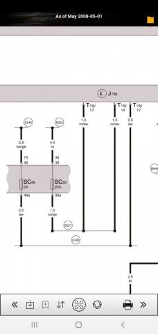
Mufa are exact pe spatele panoului. 

Screenshot_20200711-142902_Carmin.jpg

Screenshot_20200711-143046_Carmin.jpg

Modificat de F l o r i n
Link către comentariu
Distribuie pe alte siteuri

Multumesc mult Florin. Primul desen nu e prea clar ca imagine. Deocamdata masina este plecata din localitate. O sa verific si revin.

Modificat de pandelemihai
Link către comentariu
Distribuie pe alte siteuri

  • 2 weeks later...

Pandelemihai ai rezolvat problema? Intreb intrucat nici la.mine nu se aprinde. Multumesc.

Link către comentariu
Distribuie pe alte siteuri

Nu am rezolvat inca. Masina este a unui prieten. Nu am gasit exact calea de alimentare a display-ului. Bricheta functioneaza. Masina nu are bancheta incalzita pe spate. Mai cercetam. Poate e cineva care a mai intalnit aceasta problema si a rezolvat-o.

Modificat de vdragos
Citare absolut inutila
Link către comentariu
Distribuie pe alte siteuri

iti ajunge curent in pin 12? Masa are?

Link către comentariu
Distribuie pe alte siteuri

  • 3 years later...

Eu am o alta problema legat de incalzire in bancheta din spate, nu am eroare pe VCDS dar nu imi incalzeste nici stanga nici dreapta, am verificat mufa si nu este arsa, fostu proprietar mi-a zis ca mergea cand si cand (ce ar trebuii sa verific), sa ridic bancheta sa vad daca nu sunt ceva probleme cu firele sau mufa iesita fara. Multumesc,

Link către comentariu
Distribuie pe alte siteuri

Să verifici alimentarea modulului , rezistentele și termistorii. 

Link către comentariu
Distribuie pe alte siteuri

de unde ar trebuii sa incep? sa ma duc pe "fir"? 

 

- sa verific mufele daca nu sunt oxidate

- mufele daca sunt imbinate corect

- sa verific de sub scaun prima data daca am curent ?

- si dupa sa ma duc mai departe?

Link către comentariu
Distribuie pe alte siteuri

  • 11 months later...

Revin cu problema ( am avut timp sa verific una alta la masina), am observat ca siguranta 46 de 5A este arsa (Duze parbriz cu încălzire, releu pentru încălzirea şi ventilarea în staţionare, întrerupător încălzire scaune), am schimbat siguranta si am dat sa vad daca merge incalzirea s-a aprins pe panou cele 3 liniunte (nu am stat sa verific daca se incalzeste bancheta), 

 

Idea e, care ar putea fi cauza de ardere ? cum vad ca este vorba de - Duze parbriz cu încălzire, releu pentru încălzirea şi ventilarea în staţionare, întrerupător încălzire scaune - 

 

Duze parbriz cu încălzire - nu stiu daca am asa ceva (am sa verific in careva zi)

întrerupător încălzire scaune - care este motivul care a ars aceasta siguranta 

 

Multumesc mult

Link către comentariu
Distribuie pe alte siteuri

Pentru a adăuga comentarii este necesară înregistrarea sau autentificarea

Trebuie să aveţi un cont de membru pentru a adăuga comentarii

Înregistrare membru

Înscrierea unui nou cont de membru. Este foarte uşor!

Înregistrare cont nou

Autentificare

Aveţi deja un cont de membru? Conectaţi-vă aici.

Autentificare în cont
 Share

  • Activi pe această pagină   0 membri

    • Niciun utilizator înregistrat nu vizualizează această pagină acum.
×
×
  • Create New...

 Functionarea acestui site este sustinuta de cele cateva bannere afisate intre posturi. Ar fi o placere pentru noi daca ar fi adaugat site-ul nostru in lista de exceptii ad-block in browserul tau. Promitem si veti vedea ca nu avem reclame intruzive si nici deranjante (nimic cu sunet,video sau all-screen). Multumim!