Jump to content

Poza tablou releee


Sorinspi
 Share

Postare recomandată

Salutare grup!! Este cineva binevoitor sa ma ajute cu o fotografie la panoul cu relee/siguranțe la un golf 3/vento motorizare 1.9tdi, FĂRĂ clima, dar cu geamuri electrice?? 

Link către comentariu
Distribuie pe alte siteuri

Zi ce vrei sa stii mai exact. Vrei sa ii pui geamuri electrice? Ca sapt trecuta am montat unui amic, este extrem de simplu. Iti spun exact ce trebuie sa faci.

Link către comentariu
Distribuie pe alte siteuri

  • 4 weeks later...

Salut!! Problema este ca nu îmi pornește ventilatorul de răcire(dar el functioneaza- probat pe direct la baterie) și nici nu primesc curent la comutatorul trepte ventilator, adică senzorul ce se afla pe radiatorul de răcire și   care trebuie sa dea comanda la treapta 1 sau 2 a ventilatorului de răcire. Ma gândeam ca îmi lipsește releul ce este răspunzător de asta

Deci dacă fac masa între pinii mufei de la termocupla nu pornește ventilatorul, pur și simplu nu cred ca vine curent la termocupla

Sau mai este alt releu decât cel din panoul de siguranțe?? 

Modificat de Sorinspi
Completare
Link către comentariu
Distribuie pe alte siteuri

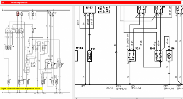
salut

uite schema mai jos

termocupla este s24, in pinul 3 trebuie sa ai minus.

aca faci punte intre 3 si 2 porneste ventilatorul pe treapte mica (in acest caz trebuie ca sigurantele de sus F8 (5A) SI F10 (40A) sa fie bune.

treptele sint comandate prin releele K12 I, II si III.

ca sa fiu mai clar - trebuie minus de la s24 si plus de la cele doua sigurante, astfel se comanda si cupleaza releele K12... care iti pornesc ventilatorul.

 

 

 

Screenshot_1.png

Link către comentariu
Distribuie pe alte siteuri

Mulțumesc mult,!! Eu asa am panoul cu relee și sincer nu prea im place cum arata

IMG_20200520_065244.jpg

De asta as vrea sa știu la ce poziție este releul ce răspunde de termocupla și ce număr trebuie sa aiba

Link către comentariu
Distribuie pe alte siteuri

din pacate nu pot sa te ajut prea mult aici, ma ocup doar la nivel de hobby si la passat nu stiu cum e configuratia tabloului.

prin ce mai am la dispozitie am gasit ce vezi mai jos, nu imi dau seama daca e ceea ce vad la tine in poza.

in prima imagine releul de viteza mare este nr.8, cel incercuit e nr 5 (viteza mica, scrie pe banda de jos a imaginii)

acum trebuie facuta analogia cu schema, amplasarea releelor este luata din alta parte decit schema (acolo nu imi arata si amplasarea componentelor)

spre exemplu releul pentru viteza cea mai mica este k206, pe schema este deasupra releului k12 I iar in pozele mele este releul nr 8 - prima imagine.

nu ai o carte sau o schema a tabloului? - poate ar fi mai usor cu ea.

1.JPG

2.JPG

Link către comentariu
Distribuie pe alte siteuri

Pentru a adăuga comentarii este necesară înregistrarea sau autentificarea

Trebuie să aveţi un cont de membru pentru a adăuga comentarii

Înregistrare membru

Înscrierea unui nou cont de membru. Este foarte uşor!

Înregistrare cont nou

Autentificare

Aveţi deja un cont de membru? Conectaţi-vă aici.

Autentificare în cont
 Share

  • Activi pe această pagină   0 membri

    • Niciun utilizator înregistrat nu vizualizează această pagină acum.
×
×
  • Create New...

 Functionarea acestui site este sustinuta de cele cateva bannere afisate intre posturi. Ar fi o placere pentru noi daca ar fi adaugat site-ul nostru in lista de exceptii ad-block in browserul tau. Promitem si veti vedea ca nu avem reclame intruzive si nici deranjante (nimic cu sunet,video sau all-screen). Multumim!