Jump to content

Pierderi de ulei de motor (Touareg 7P)


tavitara
 Share

Postare recomandată

On 2/28/2018 at 4:20 PM, FakeTaxi said:

Am luat masina, totul super ok mai putin o problemuta... semeringul de la arborele cotit lacrimeaza, dar va fi schimbat maine. In rest, nu am ce sa reprosez masinii...

si la mine a inceput sa picure putin , a gasit o picatura pe podea baiatul care a facut update-ul si m-a anuntat

cand am dat azi scutul jos de la motor se scurge dinspre arborele cotit , asa zis-ul vilbrochen

Nurvil avea unul din mecanicii priceputi in asa ceva in concediu si a spus ca operatiunea dureaza cateva zile deci abia sapt viitoare ma pot programa

au deja 3 Touareg la rand in fata mea programate exact cu aceasta problema

asa ca voi rezolva dupa ce vin din concediu ptr ca plec sambata , ma programez in septembrie cand revin

iau si 1L de ulei la mine ptr orice eventualitate , nivelul uleiului e ok acum

acum o luna era uscat cand am verificat masina

o fi defect tipic sau e din cauza ca masina a stat cateva luni nemiscata in Germania ?

sau nu e obisnuita cu gropile de la noi ?

a trebuit dat jos motorul pentru schimbare simering ? sau de ce dureaza zile ?

Link către comentariu
Distribuie pe alte siteuri

a durat 45min, se schimba pe sub... e f simplu

Link către comentariu
Distribuie pe alte siteuri

inseamna ca la mine e altceva

am fost prima data la un prieten cu un service si a zis ca nu se baga , sa merg la Nurvil , trebuie dat jos motorul

la Nurvil mi s-a spus ca dureaza zile si doar 2 mecanici sunt specializati in asa ceva

dar tot pentru schimbare simering la arborele cotit ....

dupa ce revin si merg cu ea la service va tin la curent ce a fost si cum s-a procedat

Link către comentariu
Distribuie pe alte siteuri

man, 100% a schimbat semeringul de la arborele cotit si la mine. exista acces fara sa umbli la motor, gen. Se da fulia jos. Acu depinde de mecanici

Link către comentariu
Distribuie pe alte siteuri

Arborele cotit are 2 capete.

Link către comentariu
Distribuie pe alte siteuri

exact,la un capat are cureaua/lantul iar la celalalt volant...am cautat sa vad cum arata simeringul la touareg dar nu am gasit nimic

Link către comentariu
Distribuie pe alte siteuri

da , probabil ptr simeringul dinspre cutie , se da jos motorul

pentru cel fata , se schima direct

consilierul service de la Nurvil nu a vazut masina

doar spunand eu ca picura ulei pe scut dinspre motor , mi-a spus deja ca dureaza cateva zile si trebuie dat jos motorul ptr schimbare simering la arbore

asa ca o sa ma duc prima data la Skoda cand revin , si ii las pe ei sa decida fara sa mai spun eu nimic , lucreaza mai ieftin oricum

daca e de dat jos motorul ma decid atunci ce si cum

cel rotund e cel schimbat de colegul nostru , partea din fata a arborelui

al doilea e spre cutia de viteze si ptr el e deranj mare , ca manopera

costul lor ca si garnituri e acelasi

uleiul e ok acum , momentan nu a mai picurat ptr ca dureaza sa se umple iar scutul , l-am curatat cu spray

 

fata.jpg

spre cutie cu protectie antipraf.jpg

oil.jpg

Modificat de tavitara
Link către comentariu
Distribuie pe alte siteuri

5 hours ago, tavitara said:

pentru cel fata , se schima direct

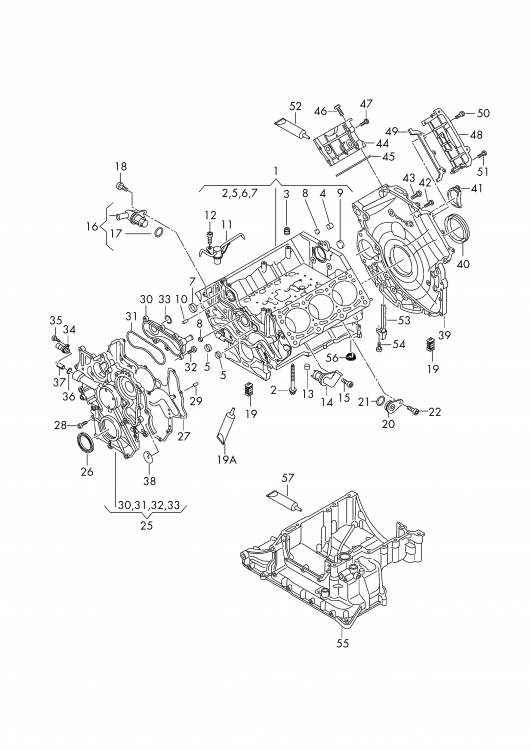
parerea mea e ca,ca sa ajungi la orice simering de pe vilbrochen sau axa came trebuie dat jos un pinion sau o fulie si nu e treaba de 45 min

 

reperul 26 si 40 sunt simeringurile de vilbrochen

748103270.png

Modificat de ionut10a
Link către comentariu
Distribuie pe alte siteuri

ramane de vazut , va voi spune exact ce si cum a fost in cazul meu

Link către comentariu
Distribuie pe alte siteuri

  • 1 month later...

pana la urma am primit un deviz pentru picatura de ulei dintre arborele cotit si cutia de viteze

5500 lei ... BUM

dat jos motorul si schimbat toate garniturile , cele doua simeringuri si ce mai trebuie pe acolo , suruburi , etc

ce ma nelamureste este la manopera o anumita operatiune pe care nu o inteleg in contextul defectului meu :

demontat si montat capac carcasa lant ... peste 1700 lei manopera

inteleg ca trebuie dat jos motorul si cutia de viteze dar nu inteleg ce reprezinta si daca e necesara operatiunea de mai sus, cea mai costisitoare

totul a fost facut pe mail , nu am dus masina acolo , eram curios de costuri

bn.jpg

Modificat de tavitara
Link către comentariu
Distribuie pe alte siteuri

Daca WinElsa le zice ca aceasta Operațiune se face in contextul întregului proces ei sunt obligați sa o factureze.

Fara sa dea capacul jos nu au cum decupla motorul de cutie.

Modificat de ANdi B.
Link către comentariu
Distribuie pe alte siteuri

ca e un capac acolo care trebuie dat jos si pus la loc am inteles

ce e cu lantul ? ce lant ? distributia ? ce treaba are ?

ce e cu pretul mai mare decat la montat / demontat motor + cutie ?

o sa ma duc personal acolo sa ma lamuresc

Link către comentariu
Distribuie pe alte siteuri

Nu ai cum sa decupleze motorul de cutie fara sa dai jos distribuția...

Iti pot da si eu un print din WinElsa si mie la fel imi arata.

Link către comentariu
Distribuie pe alte siteuri

De acord , dar evident merita sa merg si la Skoda sa vad ce oferta imi fac si ei

Pretul materialelor de pe factura e mare fata de repere OEM gasite pe net de ex - peste 1700 lei 2 simeringuri , garnituri , suruburi & co

Asta aduce cu sine garantia de 24 de luni pentru manopera si piese

In caz ca piesele nu sunt de la ei , 90 zile manopera , zero piese , evident - la asa lucrare nu merita riscul , nu recomand nimanui

In topicul de distributie se cerea suma de 8000 lei ptr schimbat distributia parca , si ceva de genul 1000 euro dat jos motorul

Deja sunt uriase preturile astea daca in cazul meu manopera completa de reprezentanta e de 3800 lei cu demontare / montare motor + cutie + distributie

Dar sunt justificate daca este costul materialelor mai mare - la o distributie de ex : in loc de 2500 - 3000 platesti 4000 - 5000 - apoi manopera pana la 8000

Poate imi fac doar revizia la Skoda si ii pun sa verifice exact si ei sa nu am surpriza ca imi pica ulei din cutie sau alte minuni

Apoi in functie de ce oferta imi fac si cei de acolo , decid ce si cum ...

Scurgerea de ulei e minora , vine iarna ... cu ulei nou si vreme rece , va picura si mai putin ... nu mai scot masina la drumuri f lungi ptr ca nu am timp , asa ca poate las pe anul viitor rezolvarea daca e de la simering ... am completat 200 ml ptr 2000 km la drum lung , de atunci nu a mai scazut , aproape o luna

Oricum va tin la curent pentru ca aceste scurgeri de ulei sunt des intalnite la 7P

Link către comentariu
Distribuie pe alte siteuri

Vezi ca la Skoda Nu au Procedura pentru Asa ceva :(.

Link către comentariu
Distribuie pe alte siteuri

hmm , crezi ca nu sunt dotati sa repare orice masina VAG ?

ca brand nu au acest motor pe nicio masina Skoda , dar eu cred ca Enduro care e dealer Skoda aici , are dotari ptr toata gama VAG

am pe cineva acolo la service si voi afla exact ce si cum

 

Link către comentariu
Distribuie pe alte siteuri

Dotări au sigur, important este sa aibă și experienta mecanicii, este foarte important pentru o asemenea operatie.

Link către comentariu
Distribuie pe alte siteuri

Daca masina are toate reviziile la zi in sistem, nu poti beneficia de absolut nici o reducere? kulantz? sau ala e doar pentru defecte aparute dupa garantie?

 

si un 30% din 5500 ron e ceva.

Modificat de deenman
Link către comentariu
Distribuie pe alte siteuri

ma voi interesa tocmai de acest aspect la Skoda , experienta in aceasta lucrare

cei de la reprezentanta VW din start au pus pe factura 10% reducere la piese si 15% la manopera desi nu am mai fost niciodata acolo

pretul e ok per total

dar tot nu inteleg de ce trebuie data jos distributia in cazul meu

Link către comentariu
Distribuie pe alte siteuri

@tavitara citrate ce ți-am Scris mai sus. Conform elsa nu poti decupla motorul de cutie si a schimba o carnitina acolo in spate fara a da jos distribuția.

in legătura cu Skoda, ei nu au elsa pentru Volkswagen! Nu poti cumpara licența daca nu esti service autorizat, neavând elsa de unde stiu ce proceduri trebuie făcute?

@deenman masina are destui km si este ieșită demult Din garantie probabil. 

@tavitara are toate reviziile la dealer sau este adusă cumva de afara? Intreb asta intrucat in restul Europei garanția este de doi ani doar.

Link către comentariu
Distribuie pe alte siteuri

de afara , nu are nicio garantie , nici toate reviziile la dealer , doar cat a fost in garantie

Link către comentariu
Distribuie pe alte siteuri

  • 3 weeks later...

cu ocazia reviziei la Nurvil , am verificat si masina complet

scurgerea de ulei este exact de la imbinarea dintre cutia de viteze si arbore

defect tipic recunoscut de VW , care la masinile cu istoric complet si toate reviziile in reteaua VW , se rezolva gratuit

in rest lucrare de peste 1000 euro

nu se justifica schimbarea simering-ului decat atunci cand e cazul sa se schimbe distributia

pentru ca ptr ambele operatiuni este necesar sa fie dat jos - motor - cutie - distributie si se schimba fiecare surub , garnitura si simering

eu asa voi face cand va fi cazul , impreuna cu distributia

a1.jpg

Modificat de tavitara
Link către comentariu
Distribuie pe alte siteuri

  • 2 months later...
panconelazio

salut am si eu aceeasi problema ..... am fost la mecanic unde am avut masina 4-5 zile pe rampa pana s-a efectuat remedierea.... insa soc dupa un drum ro-tr am constatat ca la intoarcere am pierdut 4 liniute de ulei dupa ce verificasem inainte sa plec si am considerat ca dupa reparatie este totul in regula. voi cum a-ti reparat aceasta problema .... ceva sfaturi va rog sau un mecanic care sa stie ce trebuie facut si cum ..... ceva bun daca gasiti . Multumesc o seara buna 

Link către comentariu
Distribuie pe alte siteuri

  • 3 months later...

@tavitara @panconelazio Ati rezolvat problema pana la urma? Daca da unde, cum si cat a costat?

Din pacate sunt si eu in aceeasi situatie. Un service multimarca din Bucuresti mi-a facut un pret de 1000 RON pentru aceasta operatiune + pretul piesei (garnitura aferenta). 

Link către comentariu
Distribuie pe alte siteuri

la mine pierde intre cutie si motor

deci nu are cum 1000 de ron

se da totusl jos de pe masina si se asambleaza la loc cu schimbare completa de garnituri , simering-uri , suruburi , pasta de etansare , etc

eu nu am facut nimic ptr ca in 11 luni si 13 ~ 14.000 de km am au scazut doar 3 linute pe RNS la nivelul de ulei , deci aproape ca nu a pierdut

urmeza sa fac revizia imediat dar cred ca mai aman procedura un an ptr scurgerea de ulei , daca pierderea este atat de mica

astept poate schimb si distributia cu aceasta ocazie , momentan e cuminte

 

Link către comentariu
Distribuie pe alte siteuri

Pentru a adăuga comentarii este necesară înregistrarea sau autentificarea

Trebuie să aveţi un cont de membru pentru a adăuga comentarii

Înregistrare membru

Înscrierea unui nou cont de membru. Este foarte uşor!

Înregistrare cont nou

Autentificare

Aveţi deja un cont de membru? Conectaţi-vă aici.

Autentificare în cont
 Share

  • Activi pe această pagină   0 membri

    • Niciun utilizator înregistrat nu vizualizează această pagină acum.
×
×
  • Create New...

 Functionarea acestui site este sustinuta de cele cateva bannere afisate intre posturi. Ar fi o placere pentru noi daca ar fi adaugat site-ul nostru in lista de exceptii ad-block in browserul tau. Promitem si veti vedea ca nu avem reclame intruzive si nici deranjante (nimic cu sunet,video sau all-screen). Multumim!