Jump to content

Trepidatii la pornire 3.0 TDI (Touareg 7P)


alexxxlch
 Share

Postare recomandată

On 8/8/2017 at 10:57 PM, EEXCALADE said:

Daca are peste 200 mii km inlocuieste saibele de foc si oringurile de la injectoare ,incepe cu injectorul 3 

 

Link către comentariu
Distribuie pe alte siteuri

  • 3 weeks later...
Bucharest, Oltenitei 133

Am patit-o se obs deviatii majore la injectoare pe tester doar la pornire. Long story short schimbat oringuri etc deoarece scapa compresie pe la un injector si tremura ca un tractor la rece.

Link către comentariu
Distribuie pe alte siteuri

Poti posta un kit pentru toate injectoarele?

Apropo, cum se pot verific injectoarele cu ajutorul VCDS?

Link către comentariu
Distribuie pe alte siteuri

  • 1 month later...

Am avut trepidatii la pornire, cauza a fost un injector cu probleme, foarte multa calamina si garniturile de la toate injectoarele

Link către comentariu
Distribuie pe alte siteuri

  • 3 months later...

Dintre cei care ati schimbat garniturile la injectoare, ma puteti ajuta cu un pret estimativ pentru aceasta operatiune?

Link către comentariu
Distribuie pe alte siteuri

  • 3 weeks later...
Master Auto System

Salutare ! in jur de 450 lei 

Injectoare

                                                                                                                        Buc               Pret/Buc                                           TVA                              

WHT000884         Oring Injector                  Reducere 10% Buc           6.00                 2.90                  15.66                      2.98

WHT004923B        Surub Injector                Reducere 10% Buc           6.00                9.25                  49.95                      9.49

WHT007480A        Inel O                              Reducere 10% Buc           6.00                23.25                 125.55                 23.85

059130519B         Inel Etansare                   Reducere 10% Buc           6.00                32.80                193.32                 36.73

 

Vibratie motor .Daca problema nu este de la injectoare , posibil de la compresie pierduta de un piston sau mai multi . Test de compresie cilindri in jur de 200 lei 

Limita de uzura la test 25 bari , daca uzura este mai mare necesita inlocuire segmenti pe pistoane care sunt in nr de trei pe fiecare piston

Test compresie motor ok  1135193875_compresiemotorv6tdi262cp.thumb.jpg.63fbd8a53e7703a901073cea33fbf77d.jpg

Modificat de Master Auto System
Link către comentariu
Distribuie pe alte siteuri

Multumesc frumos!

Doamne ajuta sa fie de la O-ringuri si garnituri! Pe 14 duc masina la Skoda, dupa revin cu costurile si bubele ce le are!

Link către comentariu
Distribuie pe alte siteuri

  • 2 weeks later...

Am rezolvat cu trepidatiile, intr-adevar saibele si O-ringurile!

Link către comentariu
Distribuie pe alte siteuri

Injector demontat /montat 130 lei, saibele si oringurile cantitate neglijabila!

Link către comentariu
Distribuie pe alte siteuri

  • 4 months later...

Azi a aparut ( acum l-am auzit de fapt ) si la mine un tacanit continuu care se aude cand ridici capota , suprapus pe o frecventa diferita fata de cea de la motor

Din interior nu se aude nimic

Probabil o pierdere de presiune la un injector

Marti tot eram programat la Nurvil sa schimb cureaua si rolele asa ca am tras o fuga acum sa isi dea cu parerea despre zgomot

Mi-au recomandat si am comandat la toate cele 6 injectoare sa schimb ptr tur / retur saibe si ce mai e nevoie acolo , daca tot am programare marti

Sa vedem , cred ca nu e altceva , nu voi face cu masina drumuri mai mult de 2-3 km pana atunci :Driver:

 

 

Link către comentariu
Distribuie pe alte siteuri

La un injector ( primul din stanga fata cum te uiti la motor cu capota ridicata ) saiba era rupta / topita si lipsea o bucata din ea

Injectorul de abia a putut fi scos , in poza este vinovatul dupa ce a fost curatat

Dupa ce s-au demontat / curatat toate 6 , s-au schimbat saibe si suruburi ( aprox 450 lei piesele ) , totul ok

Un singur injector din cele 6 avea saiba de tip nou , deci schimbata ulterior , restul erau originale , cele mici

In acelasi timp s-au schimbat rolele si cureaua de transmisie / kit K056PK2520 ( aprox 1250 lei piesele )

2400 lei totul din care 300 lei manopera set curea / 400 manopera ptr cele 6 injectoare , 3 ore cu tot cu testare finala

In cele 3 ore m-am suit in toate masinile din showroom , cel mai relaxat m-am simtit in noul Touareg , evident , cel mai claustrofob in noul Golf ( era cea mai mica masina expusa )

Mentionez ca la mine masina nu trepida INCA , doar zgomotul de injector a fost ca manifstare , totul a fost facut preventiv dar la limita ptr injectorul cu probleme

IMG_20200609_140545[1].jpg

Link către comentariu
Distribuie pe alte siteuri

Injectorul pare  curatat cu smirghel granulatie mare ....

Dupa 1-2000 km sa vezi daca nu se umezeste cu ulei in jurul lor .

 

44 minutes ago, tavitara said:

Injectorul de abia a putut fi scos ...

Deoarece nu sa folosit extractor.

Link către comentariu
Distribuie pe alte siteuri

Apoi nu ma pricep , nu am stiut ca exista extractor special ... trebuiau sa stie ei

Mie mi s-a parut foarte fina hartia abraziva , dar nu stiu ce granulatie trebuia sa aiba

Doar acela a fost curatat cu hartie abraziva ptr ca era depunere colmatata pe el , restul sterse doar

Pe toate a pus ceva pasta alba dintr-un tub cu emblema Audi

Se vede din exterior uleiul daca ma uit peste 1000-2000 km ?
 

Link către comentariu
Distribuie pe alte siteuri

Da ,o sa vezi pe capac daca scapa ulei .(daca scapa sa-mi zici ca sa-ti spun ce e de facut)

Din pacate lucrarea a fost facuta la “viteza” . Nu intru in detalii ,dar  nici macar nu au scos injectoarele de pe furtunul de retur.

Link către comentariu
Distribuie pe alte siteuri

Sigur nu le-au scos , m-am uitat in general la ce s-a facut

Si mi s-a parut ciudat ca nu s-au schimbat decat : o garnitura de cauciuc la mijlocul injectorului , inelul de metal la capat , surubul ... dar nimic pe retur

Desi pe factura apar 3 inele la fiecare ... logic unul era pe retur

WHT000884         Oring Injector

WHT004923B        Surub Injector

WHT007480A        Inel O

059130519B         Inel Etansare

 

Link către comentariu
Distribuie pe alte siteuri

S-au schimbat pozitiile 22 , 20 si 25 dar nu si 26 , desi era si pe factura ( 122 lei facturati pe cele 4 oring-uri de pe retur )

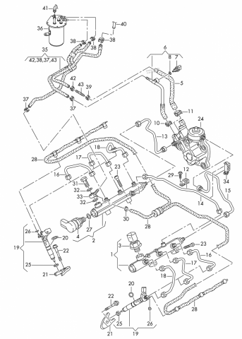
In imagine este sistemul de injectie ptr motor CRCA

Am scris la Nurvil si astept raspuns

Eu inteleg ca am alta meserie , de aia ma duc la reprezentanta si platesc , sa faca totul corect , nu sa fiu pacalit ...

 

Edit later - Catalin are perfecta dreptate , treaba facuta in viteza , asta spus politicos

Mi s-a raspuns

Dupa ce mi s-a recomandat initial sa comand si oring-urile de pe retur acum mi s-a spus ca nu e bine sa fie schimbate daca nu pierde motorina pe acolo

Ca s-au pierdut inelele , etc - de parca un mecanic bun , care a schimbat 1000 de injectoare , nu vede ca lipeste unul din cele 3 inele ...

De multe ori in viata am fost tratat asa , ca si cand m-am nascut ieri , dar na , mergem inainte , nu am chef si timp sa ma cert cu nimeni

Daca il aveam si eu pe Catalin mai aproape , era bine

 

getImage.php.png

Modificat de tavitara
Link către comentariu
Distribuie pe alte siteuri

Mie la Toyota Nord mi-au facturat placutele de frana si nu le-au schimbat. Mi-am dat seama dupa vreo luna in care am facut vreo 2-3000 km. Au dat din umeri.

Modificat de adidas00
Link către comentariu
Distribuie pe alte siteuri

Daca in timp nu umezeste pe langa capac si injectoare ....esti norocos. Daca scapa ulei ....o iei de la capat + inlocuire semeringuri injectoare si semeringuri suruburi care trebuiau inlocuite din start ?

Link către comentariu
Distribuie pe alte siteuri

Voi verifica periodic si daca sunt probleme , nu vor scapa de mine pana nu se rezolva

Ce nu au schimbat au fost oring-urile de pe retur , restul le-am vazut eu cum le schimba la toate , noi

Eu sunt corect cu toti si am pretentia ca si cei care primesc bani de la mine sa fie la fel

Multumesc pentru atentionari Catalin , eu fiind novice in acest domeniu nici nu banuiam , nici factura nu am studiat-o prea atent

@adidas00 , eu stau langa mecanic discret si ma uit , fara sa deranjez sau sa bat omul la cap , incerc sa vad si sa invat si eu despre masina mea

altii stau in showroom pe fotolii si se uita la tv cum le repara masina

Link către comentariu
Distribuie pe alte siteuri

Salutare tuturor,

Am un Tuareg 3.0 TDI din 2013 cu 130k si experimentez problema cu trepidatiile la pornire. Daca o tin putin accelerata aceste trepidatii dispar. Cateodata se mai intampla ca si in mers la relaniti sa mai apara cate-o trepidatie ca si cand ar merge intrerupt. Daca o accelerez sau o tin putin turata aceste trepidatii dispar.

Ar mai fi o particularitate de mentionat, acest comportament al masinii se manifesta numai cand este cald afara, in speta peste 19 grade. Spun asta pentru ca din Octombrie 2019 pana in Iunie 2020 masina nu a avut nici o astfel de problema (e un tipar care se repeta in fiecare an, deja il experimentez de 3 ani). Odata cu venirea caldurii problemele au aparut iar.

Fiind asociata cu temperatura ma gandesc ca poate apare atunci cand anumite piese se dilata sau poate fi o problema de un senzor.

O sa incerc si eu la un moment dat sa schimb garniturile la injectoare sa vad daca problema dispare.

Poate cineva sa imi dea vre-un sfat. A mai intalnit cineva un astfel de comportament?

Trepidatiile (la pornire) se manifesta ca si cand nu ar primi suficienta motorina iar acul turometrului variaza. La relanti, cand masina este calda se manifesta ca si cand ar da rateuri pe un cilindu.

Multumesc

Link către comentariu
Distribuie pe alte siteuri

Fa LOG la injectoare ,la pornire

Link către comentariu
Distribuie pe alte siteuri

On 07.01.2020 at 19:43, Master Auto System a scris:

Salutare ! in jur de 450 lei 

Injectoare

                                                                                                                        Buc               Pret/Buc                                           TVA                              

WHT000884         Oring Injector                  Reducere 10% Buc           6.00                 2.90                  15.66                      2.98

WHT004923B        Surub Injector                Reducere 10% Buc           6.00                9.25                  49.95                      9.49

WHT007480A        Inel O                              Reducere 10% Buc           6.00                23.25                 125.55                 23.85

059130519B         Inel Etansare                   Reducere 10% Buc           6.00                32.80                193.32                 36.73

 

Vibratie motor .Daca problema nu este de la injectoare , posibil de la compresie pierduta de un piston sau mai multi . Test de compresie cilindri in jur de 200 lei 

Limita de uzura la test 25 bari , daca uzura este mai mare necesita inlocuire segmenti pe pistoane care sunt in nr de trei pe fiecare piston

Test compresie motor ok  1135193875_compresiemotorv6tdi262cp.thumb.jpg.63fbd8a53e7703a901073cea33fbf77d.jpg

Salut! Te rog, spune-mi unde ai facut aceasta operatiune. 

Link către comentariu
Distribuie pe alte siteuri

  • 2 weeks later...

Dupa 1000 km de la schimbare , am facut doua filmulete ptr Catalin @EEXCALADE daca doreste sa imi spuna parerea lui

Imediat dupa schimbare si azi dupa 1000 km

Voi mai verifica la fiecare 1000 de km

Multumesc

https://we.tl/t-2IR5zFXsYs

Link către comentariu
Distribuie pe alte siteuri

E ok momentan .Nu ar fi rau sa-i dai o spalare la motor. ?

Link către comentariu
Distribuie pe alte siteuri

Pentru a adăuga comentarii este necesară înregistrarea sau autentificarea

Trebuie să aveţi un cont de membru pentru a adăuga comentarii

Înregistrare membru

Înscrierea unui nou cont de membru. Este foarte uşor!

Înregistrare cont nou

Autentificare

Aveţi deja un cont de membru? Conectaţi-vă aici.

Autentificare în cont
 Share

  • Activi pe această pagină   0 membri

    • Niciun utilizator înregistrat nu vizualizează această pagină acum.
×
×
  • Create New...

 Functionarea acestui site este sustinuta de cele cateva bannere afisate intre posturi. Ar fi o placere pentru noi daca ar fi adaugat site-ul nostru in lista de exceptii ad-block in browserul tau. Promitem si veti vedea ca nu avem reclame intruzive si nici deranjante (nimic cu sunet,video sau all-screen). Multumim!