Jump to content

Curatare instalatie de racire


C o s m i n
 Share

Postare recomandată

Cand am cumparat Passat-ul, aveam doar rugina in loc de antigel (da, si nemtii fac prostii).

Am spalat instalatia si am bagat antigel curat imediat dupa ce cumparasem masina. Treptat am pus un radiator nou si am inlocuit motorul. Insa furtunele si caloriferul au ramas aceleasi si cred ca erau pline de depuneri. Acele depuneri cred ca treptat s-au dizolvat si au migrat prin instalatie.

In ultimele ierni am constatat si o scadere drastica a transferului termic al caloriferului. Problema rezolvata dupa o spalare cu presiune a acestuia.

Ma deranjeaza insa micile depuneri din instalatie (o mica tenta ruginie pe toate componentele).

Intrebarea mea: cu ce s-ar putea curata instalatia de racire? Exclus posircile vandute prin magazine.

Ma gandesc la ceva gen:

- bagat vreo 0.5L solutie concentrata de la spalatorie si lasata in instalatie vreo 100km (imi recomanda un prieten)

- clatire cu apa de la robinet, apoi apa distilata

- eventual repetat procesul si abia apoi turnat antigel nou.

Citisem undeva ca si otetul nediluat ar face minuni.

Pareri/experiente?

Un chimist ar prinde bine. :D

Link către comentariu
Distribuie pe alte siteuri

otetul e pt depuneri de calcar.

tu vrei sa scapi de rugina, 

solutiile de la spalatorii posibil sa afecteze aluminiul din care e facut radiatorul.

cu solutie speciala de curatat radiator te-ai gandit sa incerci? desi daca e doar depunerea aia pe furtun, nu ar trebui sa afecteze


 

Link către comentariu
Distribuie pe alte siteuri

cu solutie de spalat motoare (supermafrasol ,care e foarte agresiv mai ales cu aluminiul) am incercat eu la un motor ce intrase ulei in circuitul de apa ,circuitul s-a curatat dar sa vezi distractie la scos spuma :banghead: ;motorul pornit ,furtun cu apa in vascheta si dopul de golire scos ,reprize de cate 10-15min si apoi umplut doar cu apa sa vad daca mai scoate spuma .....am tinut-o asa juma' de zi . deci NU RECOMAND 
cineva mi-a mai spus ca se poate cu bicarbonat ,nu am incercat .

PS ;solutiile din magazine (parerea mea) sunt "apa de ploaie"

Link către comentariu
Distribuie pe alte siteuri

Exista o solutie chiar la ei la reprezentanta pe OE. Nu am notat codul reperului, dadusem peste ea din greseala cand cautam pe un site de piese OE de pe ebay alte lucruri. Stiu ca era la bidon de 5 L pe site-ul acela.

Link către comentariu
Distribuie pe alte siteuri

Depunerea e sub forma unui strat subtire de pasta ruginoasa. Daca e ud si stergi cu degetul, se curata in mare parte.

Gabi, in cazul tau a fost cam aceeasi depunere? Sau... ?

Ionut, daca ei il au la bido de 5L, sigur nu dau la litru sau cat ai nevoie. Iar cu asa cantitate cureti 10 instalatii.

Link către comentariu
Distribuie pe alte siteuri

     Eu iti spun cum am facut eu la un polo 6n(masina achizitionata de mine de juma' de an si trasa pe dreapta de vreun an de vechiul propietar).dupa ce in prealabil am facut 2 schimburi ale lichidului de racire tot mai persista rugina pe vasul de expansiune cu toate ca dupa ce schimbam lichidul o perioada scurta era ok.apoi se spalau mai bine furtunele plus depunerile de prin bloc motor si apareau iar.

       Am introdus apa in vasul de expansiune cu un furtun legat la un hidrofor si desfacut robinetul de jos de la radiator.Astea cu motorul pornit pt ca pompa de apa sa recircule in permanenta si sa spele...Am facut treaba asta vreun sfert de ora .apoi inchideam robinetul ,mai lasam apa sa se incalzeasca  apoi inca o serie.

        La inceput cand am bagat prima data ,pe jos ,pe la radiator, iesea numai apa ruginita o perioada.

       Dupa treaba asta nu mai imi apare  vasul de expansiune  cu rugina si lichidul de racire are culoare ok.

       O fi de la treaba asta,o fi si faptul ca il mai schimbasem de doua ori lichidul inainte....

      Eu asa am procedat.

       

Link către comentariu
Distribuie pe alte siteuri

Eu am curatat cu otet in decursul timpului instalatia de racire la 3 masini (la un cielo al meu, la o toyota a unui prieten si la passat-ul meu). Motivul a fost ca nu incalzea cum trebuie radiatorul de climatizare. Am golit instalatia de antigel, am bagat otet alimentar nediluat si am mers in regim de oras 20-30 km (2 zile). Apoi am scos otetul si am clatit cu apa de 3-4 ori, apoi am bagat antigel. Otetul este un coroziv slab pentru fier, ataca in schimb calcarul din instalatie si reziduurile de ulei (care a avut probleme cu garnitura de chiulasa). Desfunda bine caloriferul de climatizare. Eu am testat pe riscul meu aceasta metoda. Probabil ca are putin de suferit presetupa de la pompa de apa (ca nu mai are ungere cum trebuie), dar eu nu am avut probleme. Otetul curata foarte bine rugina, te sperii de ce vezi ca iese din motor. Motoarele cu bloc de aluminiu nu au probleme de reactie cu acidul acetic (otet). Cand golesti instalatia de otet (in parcarea de pe strada, in cazul meu), se uita un pic ciudat trecatorii :).

Modificat de comosicus
Link către comentariu
Distribuie pe alte siteuri

La Passat blocul e din fonta. Iar depunerile sunt sub forma pastei mentionate de mine. Merge otetul in cazul asta?

Motorul a fost lacrima acum 5-6 ani, cand l-am montat. Practic, daca are ceva in el, sunt doar depunerile astea. Nu e ruginit.

Vreau sa incerc si varianta cu solutia data de Gaby, dar si asta cu otetul. Daca iese lacrima, nu-i o problema. :D

Link către comentariu
Distribuie pe alte siteuri

Am scos din antigel si am bagat aproape 1L de otet. Dupa primele minute de functionare, am plin de sedimente maronii in vasul de expansiune. Sunt curios ce-o sa iasa peste cateva zile.

Apoi am de gand sa bag iar apa cu presiune la spalatorie, apoi iar un cocktail de 5L apa + 1L otet. Abia apoi spalare cu apa distilata. Si la final antigel curat.

Link către comentariu
Distribuie pe alte siteuri

Otetul alimentar are cam 9 grade concentratie. Se poate baga fara probleme si mai mult de 1 litru (daca sunteti mai prudent si nu vreti sa riscati). Am observat ca merge mai bine curatirea cu otetul alimentar cel mai ieftin. Banuiesc ca otetul mai ieftin are o proportie mai mare de acid acetic de sinteza (din cel chimic, de laborator) si curata mai bine.

Link către comentariu
Distribuie pe alte siteuri

Nu sunt multumit de rezultat dupa 100 si ceva de km. Pe furtune inca mai sunt puncte de rugina ca nisipul. Trebuie o solutie mai puternica.

Link către comentariu
Distribuie pe alte siteuri

In seara asta am spalat o clapeta de acceleratie cu ultrasunete ,acum citind topicul mi-a venit ideea : de ce n-ar merge solutia (detergentul) si la curatatul instalatiei de racire ? "Spume" nu face ,e "gentil" cu aluminiul ,curata tot ...:scratch:

Link către comentariu
Distribuie pe alte siteuri

Si care e detergentul?

Un alt prieten foloseste cu succes hidroxid de sodiu (soda caustica) diluat pentru a curata toate depunerile din instalatii. Azi as vrea sa incerc si varianta asta. Eventual si demontarea furtunelor si curatarea fizica a lor.

 

Le: am facut rost de alte furtune fara depuneri. Deci doar pasta din motor si radiatoare mai ramane de eliminat complet.

Link către comentariu
Distribuie pe alte siteuri

Azi am scos toate furtunele si am curatat toate piesele. Cam asta aveam in mai multe locuri pe circuite. :)

Radiatorul racitorului de motorina si circuitul acestuia erau infundate complet.

Tot lucrul manual ramane sfant. Nicio solutie nu ar fi deblocat mizeria aia.

47284741rsP.jpg

Link către comentariu
Distribuie pe alte siteuri

Am inlocuit toate furtunele si conductele, mai putin cea din jurul filtrului de ulei.

Inca o surpriza: e infundat complet si racitorul filtrului de motorina.

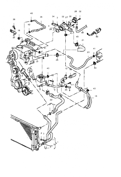
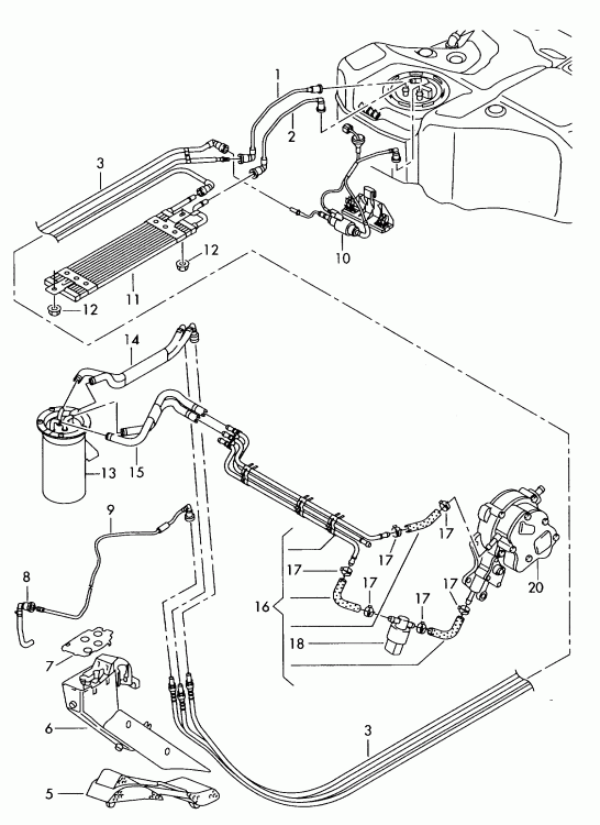
Noile conducte/furtune sunt de pe un B5.5 care are filtrul de motorina fara racitor pe el. Nu imi dau seama unde vin conectate furtunele racitorului, la modelul asta. Are cineva o schema sau poze?

Link către comentariu
Distribuie pe alte siteuri

nu stiu daca te ajuta ...

121410.thumb.png.f679cb329933e809ccdbbc3

eu iti datorez si numele detergentului pt aluminiu , e un produs german cu un cod ce nu reusesc/uit mereu :banghead:  sa-l aduc acasa sa-l postez (nu am nici inteligentelefon sa faca poze) ,stiu doar ca e marcat emag.de .Dar daca cauti detergenti pentru bai cu ultrasunete sigur gasesti ceva (eu am cumparat solutii concentrate 50ml (diluare 1-5%) cu 80lei).

 

Link către comentariu
Distribuie pe alte siteuri

Deocamdata am bagat ceva fosfat cu care se curata cisternele de lapte. E ceva detergent puternic, care nu ataca metalele.

Daca nu da rezultate, o sa incerc si solutie de spalat motoare.

In schema aia nu apare racitorul. L-am gasit in Etka. E sub masina iar racirea e doar cu aer. Nu mai intervine antigelul. Deci va trebui sa fac rost de unul... cu tot cu conductele de motorina.

Cu ocazia asta am renuntat si la supapa de sub vasul de expansiune.

Link către comentariu
Distribuie pe alte siteuri

Da, stiu. Aia e schema la racitorul ce l-am avut.

Pe mine asta ma interesa. Trebuie sa fie sub masina, la modelele mai noi.

fuelcooler.jpg

P10100075.JPG

Link către comentariu
Distribuie pe alte siteuri

2 hours ago, C o s m i n said:

Da, stiu. Aia e schema la racitorul ce l-am avut.

Pe mine asta ma interesa. Trebuie sa fie sub masina, la modelele mai noi.

fuelcooler.jpg

3C0203491D montat  de la 2005 (B6) in sus.

 

460201250.gif

Link către comentariu
Distribuie pe alte siteuri

Si B5.5-ul are, dupa 2002 parca.

Link către comentariu
Distribuie pe alte siteuri

Cred ca am si eu asa ceva (modelul lu Gabivvx) sub masina, nu stiam ce e si de ce e doar pe o parte, sper sa nu gresesc,am sa ma uit si eventual pun o poza.

Link către comentariu
Distribuie pe alte siteuri

Pentru a adăuga comentarii este necesară înregistrarea sau autentificarea

Trebuie să aveţi un cont de membru pentru a adăuga comentarii

Înregistrare membru

Înscrierea unui nou cont de membru. Este foarte uşor!

Înregistrare cont nou

Autentificare

Aveţi deja un cont de membru? Conectaţi-vă aici.

Autentificare în cont
 Share

  • Activi pe această pagină   0 membri

    • Niciun utilizator înregistrat nu vizualizează această pagină acum.
×
×
  • Create New...

 Functionarea acestui site este sustinuta de cele cateva bannere afisate intre posturi. Ar fi o placere pentru noi daca ar fi adaugat site-ul nostru in lista de exceptii ad-block in browserul tau. Promitem si veti vedea ca nu avem reclame intruzive si nici deranjante (nimic cu sunet,video sau all-screen). Multumim!