Jump to content

Probleme electrice


mariusdodo
 Share

Postare recomandată

Siguranta este cea de 15A, albastra, din panoul de la motor....ebox. acolo ai verificat? Problema este la firul de plus....care vine de la acesta. Trebuie sa ai 12v....si fara contact,  pe direct 

Link către comentariu
Distribuie pe alte siteuri

am conectat azi playerul original cu un fir de alimentare separat de la o siguranta si playerul porneste, cu playerul pornit am scanat cu vcds-ul si aceasi eroare zice ca nu gaseste playerul. inseamna ca pe firul de alimentare plus careva modul nu functioneaza sau sa fie de la cheie avand in vedere ca, cand pui contact playerul porneste? sau alt modul din masina, as dori daca stie cineva firul de alimentare radio/player unde merge. mersi de ajutor

Link către comentariu
Distribuie pe alte siteuri

12 hours ago, F l o r i n said:

Siguranta este cea de 15A, albastra, din panoul de la motor....ebox. acolo ai verificat? Problema este la firul de plus....care vine de la acesta. Trebuie sa ai 12v....si fara contact,  pe direct 

salut, am masurat conform indicatiilor tale si sigutanta de 15A a fost arsa dupa inlocuire cd playerul functioneaza. se pare ca nu e tot una daca masori continuitatea in circuit adica fara sa le dai jos. multumesc de ajutor prietene am invatat un lucru nou. 

Link către comentariu
Distribuie pe alte siteuri

cu drag, oricand pot !

Link către comentariu
Distribuie pe alte siteuri

mai revin cu o intrebare daca stii cumva de ce nu imi functioneaza tempomatul, il pornesc de la buton se aprinde becul verde in bord dar cand apas pe plus sau minus de la maneta nu ramane. cu vcdsul am verificat functionarea manetei la apasarea pe plus sau minus si reactioneaza, ca si eroare nu am la ea in schimb am eroare la maneta de stergator zice ca e defect dar de functionat merge perfect pe toate treptele 3 la numar,am vazut pe net codarea lui este 000042 dar la mine este 0003042 deoarece am volan multifunctional. am pus codarea 000042 si imi suna claxonul, adica codarea nu e buna.  mersi inca o data florin

Modificat de Rosmenteniuc
Link către comentariu
Distribuie pe alte siteuri

In primul rand, verifica starea switch pedala ambreiaj, daca masina este manuala. Tot asa, cand misti se maneta si este ON la tempomat, vezi daca nu se modifica bit din 1 in 0

Link către comentariu
Distribuie pe alte siteuri

salut Florin, am verificat mai inainte blocurile 6 si 22. am verificat pedala de frana si de acceleratie sunt ok, la fel si butonul de pe maneta On si Off si totodata sunt on si butoanele de acceleratie, deceleratie. nu stiu unde sa verific senzorii de la ambreiajIMG-20220821-WA0012.thumb.jpg.5134726811da94c146f0dd76a8661f4c.jpg Ai putea sa imi zici unde sa intru sa verific pedala de ambreiaj?

Modificat de Rosmenteniuc
Link către comentariu
Distribuie pe alte siteuri

Switch ambreiaj defect. Uite in poza ta, la pedal monitor, vede pedala apasata. In blocul de masura, de la drepta la stanga....trebuia sa fie 0 nu 1. 1 indica pedala apasata. Daca nu se face 0...si 1 cand ai pedala apasata, cumpara alt switch.  Recomand original

Link către comentariu
Distribuie pe alte siteuri

Multumesc, stii cumva daca acel switch este in interior sau in spatele bateriei? cred ca sunt 2 parca una sus si una jos la apasarea pedalei complet

Link către comentariu
Distribuie pe alte siteuri

Seria sasiu si cand am timp , iti dau part number 

Link către comentariu
Distribuie pe alte siteuri

salut serie sasiu: WVGZZZ1TZ6W183126

Link către comentariu
Distribuie pe alte siteuri

salut serie sasiu: WVGZZZ1TZ6W183126

 

pana la urma am aflat unde este senzorul de la pedala ambreiaj si este in spatele bateriei, la mine touran din 2006 din pacate senzorul nu se poatenda jos este impreuna cu pompa de ambreiaj. In schimb am observat ca mufa de la senzor nu era conectata, dupa ce am reconectat mufa la senzor am incercat si fizic masina si tempomatul functioneaza perfect. mersi Florin pt sfaturi au fost de mare ajutor

Link către comentariu
Distribuie pe alte siteuri

Este cu tot cu cilindru, un senzor hall, pe corpul acestuia. Daca este defect, se schimba cilindrul cu tot cu switch

Link către comentariu
Distribuie pe alte siteuri

  • 2 weeks later...

Salutare.

Touran 2009, 1.9tdi, merge spalatorul de parbriz/luneta numai cu farurile aprinse. La activare din diagnoza la fel, trebuie sa fie pe poziție sau faruri aprinse altfel decuplează cele 2 relee de la pompita.

Când dau spălare cu faruri stinse apare eroare pe pompita.

Nu știu dacă are legătură dar stergatorul spate nu funcționează.

Modificat de davidut5
Link către comentariu
Distribuie pe alte siteuri

Salut,

 

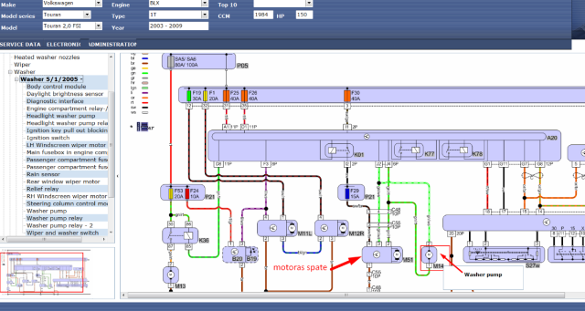
dupa schema motorasul spate are 4 fire, alimentare cu plus, alimentare cu minus si inca doua fire care vin din BCM. Pe aceste doua fire(verde/alb si maro/verde) din BCM este alimentata si pompita de spalare. Daca motorasul spate nu merge din cauza circuitului acesta (cele doua fire din BCM) atunci posibil ca nici pompita sa nu mearga exact din acest motiv.

 

probabil motorasul spate merge si el tot daca aprinzi farurile.

Screenshot_1.png

Modificat de alinfa
Link către comentariu
Distribuie pe alte siteuri

Da, am vazut schema, ca am măsurat firele pompei pana la modul, verde/rosu și verde/alb.

Acum nu mai merge deloc, nici cu farurile aprinse. Doar am făcut autoscan și am șters erorile. Motorașul spate nu mișcă deloc, pompita mergea, probabil o sa probez cu un motoraș sa vad ce face.

Mersi.

Deci e ceva ciudat aici cu faruri aprinse și cu buton intensitate lumini bord la minim, releul la pompa bâzâie și nu cupleaza, dacă mai cresc intensitatea releul cupleaza și merge pompita.

Mai am eroare pe ceasuri și immo cu modul defect, și scrie în bord error, dacă are vreo legătură.

Modificat de davidut5
Link către comentariu
Distribuie pe alte siteuri

Am găsit un strap la mufa de bricheta între lumina și plus bricheta, dacă îl scot nu mai merge pompita,  nu știu ce manevre sunt făcute pe acolo dar eu renunț.

Link către comentariu
Distribuie pe alte siteuri

Verifica/schimba releul de clema 75x.

 

Link către comentariu
Distribuie pe alte siteuri

Am găsit beleaua!!😆

Siguranta nr 30, de 50A de la motor lipsa. Am mers pe circuitul de la bricheta și asa am ajuns la ea. Cine a mai umblat, ca să meargă bricheta a luat curent de la iluminare bord, sa ia foc cu mașina cu tot. Și tot asa primea curent și pompita. Merge și stergatorul spate acum.

Mulțumesc tuturor!

Link către comentariu
Distribuie pe alte siteuri

  • 2 months later...

Buna ziua, 

 

Am si eu o problema cu un Touran 2004 1.9. 

Din cate am reusit sa observ toata usa de la portbagaj a pierdut curentul complet . 

Nu mai functioneaza nici inchiderea la portbagaj , nici dezaburirea , pompa apa , stergator. 

Luminile pe spate sunt complet functionale, problema este doar pe partea de usa . 

Am verificat mufele din partea superioara si sigurantele din tablou dar totul pare in regula.

Exista vreun releu care sa comande toata partea de usa sau imi poate explica cineva ce as mai putea verifica ? 

 

Multumesc anticipat.

Link către comentariu
Distribuie pe alte siteuri

  • 2 months later...

Salutari 

sunt nou deținător de touran și am 2 nelămuriri,probleme sa zic asa

 

una legat de faruri (mașina are lupe și xenon) iar când pun contactul se aprind automat,și singura poziție in care se sting este când comutatorul este pe poziție,in rest pe zero și faza scurta ard faruriile,practic nu pot merge fără lumini deloc doar pe faza scurta ori poziții 

 

cea de a doua legat de consumul instant,pe bord afișează valori mari gen 20% dacă mergi frumos si când o calci scade la 13-13…așa iasă mediu 14 gen 

 

cum pot rezolva astea (2005 bkd)

mulțumesc 

Link către comentariu
Distribuie pe alte siteuri

  • 4 months later...
Ciocea Vasile

Aș dori schema electrică de comandă a motorașelor ptr geamuri. Dețin un Touran 2006 cu geamuri pe spate cu deschidere manuală și doresc să î-mi pun comandă electrică. Am tot ce-mi trebuie mai puțin schema electrică. Dețin un Touran 2006. Vă mulțumesc anticipat.

Link către comentariu
Distribuie pe alte siteuri

Schema este mai complexa de doua poze dar daca mai ai nevoie de ceva posteaza aici.
Ai si online ceva, se vad bine schemele si poti vedea tot. Intra la conveninence system. https://www.kolhosniki.ru/elsaonline&ver=150217&elsalang=en-GB&dir=slp&marke=V&modelljahr_numerisch=2006&mkb=BLS&gkb=GQN&karosserie=1T1&file=K00589750115.htm

usi spate.png

usi spate1.png

Modificat de davidut5
Link către comentariu
Distribuie pe alte siteuri

  • 1 month later...
CristianBadica

Buna ziua ,de curand am achizitionat un vw touran 2008 bmn ,cand l am achizitionat am facut o scanare cu vcds ul si a venit cu 2 erori de care nu pot scapa :

Eroarea 1 -

 

00003 - Control Module

     014 - Defective

Freeze Frame:

Fault Statis: 00101000

Fault Priority: 2

Fault Frequency: 1

Reset Counter: 255

Mileage: 269334

Time indication: 0

Date: 2000.00.00

Time: 16.52.03

Cel de la care am achizitionat masina mi a spus ceva ca ar fi schimbat ceasurile masinii dar nu cred ca a copiat codarea de pe ceasurile vechi, km din bord nu sunt identici cu cei da-ti pe vcds la scanare 

Ma poate ajuta cineva cu un sfat sau ajutor in Bucuresti ?

Eroarea 2-

4  Faults Found:

00576 - Terminal 15 

            012 - Electrical Fault in Circuit

00883 - Ignition Switch (D) Terminal S 

            012 - Electrical Fault in Circuit

00884 - Ignition Switch (D) Terminal X 

            012 - Electrical Fault in Circuit

01744 - Ignition Switch Terminal P (D) 

            012 - Electrical Fault in Circuit

La aceasta eroare am citit pe forum ca ar trebui schimbat  contactul electric  (Partea electrica care intra in butuc )am facut asta si dupa ce schimb parrtea electrica imi blocheaza cheia in butuc ,nu imi mai da voie sa scot cheia pana nu scot mufa din contactul electric ,
Un service sau ceva sfaturi cum as putea sa le repar pe amandoua ,doresc sa plec din tara cu masina si nu as vrea sa plec la drum asa.

 

Link către comentariu
Distribuie pe alte siteuri

pe ce modul a aparut prima eroare? 

Pentru cealalta se schimba partea electrica a contactului de pornire.

Nu vad legatura intre cheie si contact.

 

Link către comentariu
Distribuie pe alte siteuri

Pentru a adăuga comentarii este necesară înregistrarea sau autentificarea

Trebuie să aveţi un cont de membru pentru a adăuga comentarii

Înregistrare membru

Înscrierea unui nou cont de membru. Este foarte uşor!

Înregistrare cont nou

Autentificare

Aveţi deja un cont de membru? Conectaţi-vă aici.

Autentificare în cont
 Share

  • Activi pe această pagină   0 membri

    • Niciun utilizator înregistrat nu vizualizează această pagină acum.
×
×
  • Create New...

 Functionarea acestui site este sustinuta de cele cateva bannere afisate intre posturi. Ar fi o placere pentru noi daca ar fi adaugat site-ul nostru in lista de exceptii ad-block in browserul tau. Promitem si veti vedea ca nu avem reclame intruzive si nici deranjante (nimic cu sunet,video sau all-screen). Multumim!