Jump to content

Proiectoarele din faruri la Golf 4


silver
 Share

Postare recomandată

cine poate sa ma ajute si pe mine cu o problema....am achizitionat niste faruri cu proiesctoare(nu aveam) si un bloc de lumini cu pozitia ptr proiectoare.probleama e asa la blocul de lumini am 11 fire la mufa si la cea care intra in far am 10.de unde trebuie sa mai trag un fir si unde trebuie sa ajung cu el ca sa-mi functioneze...nu am gasit nimic inca pe forum sa ma lamuresc...

Link către comentariu
Distribuie pe alte siteuri

  • 4 weeks later...

Gata am rezolvat firele de la faruri au fost trase din fabrica pana in bord leam gasit si leam pus pe un releu leam legat la pinul 8 de la blokul de lumini si gata merg super foarte multumit d ele urmeaza sai pun si releul sa se opreasca cand dau faza lunga

Link către comentariu
Distribuie pe alte siteuri

  • 9 months later...

Salutari mi-am procurat niste proiectoare pt far valeo am depistat ca am si releul 53 care se utilizeaza pt a stinge proiectoarele knd aprinzi faza lunga.acum intrebarea mea este:trebuie sa trag un fir de la swtich pana la releu la pinul87 si ma interesa de la pinul 30 al releului  trebuie sa plec cu doua fire care se duce unu catre un far unul catre celalat pt a alimenta proiectoarele?astept un raspuns atasez si o poza gasita pe net daca are cineva cunostinte si poata sa imi spuna daca este buna schema si cam ce fir ar trebui folosit ce grosime?post-138088-0-87154400-1419424095_thumb.

Modificat de lukluk84
Link către comentariu
Distribuie pe alte siteuri

salut

mihaysorin

m-ar interesa si pe mine mai precis pe unde mai exact ar trebuie sa caut firele care alimenteaza proiectoarele din far?tu ai avut proiectoarele in far dinainte salu le-ai achizitionat tu dupa?

Modificat de lukluk84
Link către comentariu
Distribuie pe alte siteuri

  • 1 month later...

Buna ziua,stiu ca topicul este mai vechi,dar am si eu cateva intrebari:detin un golf 4 1.6 16v 105 cai si nu am faruri ceata;

-farurile care le am sunt turnate(oglinda) acolo unde ar putea fii cele de ceata,ma gandesc sa cumpar grile cu faruri de ceata si sa trag fire pana la stopurile-ceata(spate) si sa ma leg acolo,specific ca pe spate imi merg cele de ceata.
-acum daca pe spate imi merge stopurile de ceata,este posibil ca pe fata sa am fire trase?am incercat sa gasesc acele fire dar nu imi dau seama daca are sau nu fire trase,astept sfaturi,ms

Modificat de kppus
Link către comentariu
Distribuie pe alte siteuri

Varianta cea mai simpla si e sa cauti in dezmembrari un euroswitch cu tot cu proiectoare si sa-l inlocuiesti pe al tau, comanda o faci printr-un releu iar alimentarea o iei de pe baterie.

Link către comentariu
Distribuie pe alte siteuri

cam multa munca pt 2 fire... :(,este buna si ideala ideea ta dar na,eu am butonul acela care trag de el si se aprinde ceata numai ca pe fata nu am,si ma gandeam sa ii pun grile cu proiectoare si sa ma duc cu firele pana in spate la stopuri, si la firele care alimenteaza becurile de ceata ma leg de el,cand merg alea merge si fata,nu cred ca e mare lucru,pe fire as putea pune o siguranta de protectie si pa...... :D.
Intrebarea este: daca fac asta,fortez ceva alimentare,adica se supraincalzeste ceva?eu zic ca nu ca nu are ce,daca schimbi becurile de ceata si pui ceva cu consum mai mare cam acelasi lucru ar fi cu ce as face eu acum,zic si eu,sper sa nu gresesc.

Modificat de kppus
Link către comentariu
Distribuie pe alte siteuri

cam multa munca pt 2 fire... :(,este buna si ideala ideea ta dar na,eu am butonul acela care trag de el si se aprinde ceata numai ca pe fata nu am,si ma gandeam sa ii pun grile cu proiectoare si sa ma duc cu firele pana in spate la stopuri, si la firele care alimenteaza becurile de ceata ma leg de el,cand merg alea merge si fata,nu cred ca e mare lucru,pe fire as putea pune o siguranta de protectie si pa...... :D.

Intrebarea este: daca fac asta,fortez ceva alimentare,adica se supraincalzeste ceva?eu zic ca nu ca nu are ce,daca schimbi becurile de ceata si pui ceva cu consum mai mare cam acelasi lucru ar fi cu ce as face eu acum,zic si eu,sper sa nu gresesc.

 

mai multa munca e la varianta aleasa de tine.

 

plusul de la lampa ceata il poti lua din comutator lumini, nu trebuie sa te duci pana in lampa spate.

 

dar nu recomand asa ceva. Cumpara un buton lumini cu pozitie de proiectoare - cauta unul SH, este pana in 100 lei - si leaga proiectoarele, ca de fabrica

Link către comentariu
Distribuie pe alte siteuri

O sa incerc schema lui RDu si intai ma uit la acel buton sa vad cum a zis Florin,desi nu imi dau seama unde le-as putea lega,in paralele cu cele de pe spate?sau are locase(pini)separate acel buton?,acum (cam greu de cap sunt),cel cu negru 12vd 40A ce este?releu?si eu am acel buton unde imi imi merge luminile si ceata pe spate,cumpar altul sa-l inlocuiesc pe acela sau ma leg la el?

Modificat de kppus
Link către comentariu
Distribuie pe alte siteuri

In mufa, ai locas pentru pini, dar iti trebuie si blocul de lumini cu pozitie pt proectoare. Sau cum au zis colegii, un buton separat.

Link către comentariu
Distribuie pe alte siteuri

Ca sa intelegi mai bine scoate euroswitch-ul (apesi pe el in pozitia 0 si-l rotesti in sensul acelor de ceasornic dupa care tragi spre tine) desprinde-l din mufa si priveste mufa. Acolo unde e inscriptionat NL (pozitia 8 din schema )ar trebui sa fie pinul pentru proiectoare dar la tine sigur lipseste. In dreapta ai descrierea fiecarui pin din mufa - 8. Front fog light.

Da, cel negru pe care scrie 12 VDC e releul.

Mai bine mergi la un electrician auto si ii arati schema...:-))

Link către comentariu
Distribuie pe alte siteuri

care este cel bun? 

post-127324-0-20657100-1424983933_thumb.

post-127324-0-62892300-1424983933_thumb.

Modificat de kppus
Link către comentariu
Distribuie pe alte siteuri

Pai tu nu ai asa pe masina?

Daca vrei sa iti pui proiectoare ai nevoie de astfel de comutator...

post-14266-0-06647900-1424983951_thumb.j

Link către comentariu
Distribuie pe alte siteuri

Da pt proiectoare,nu am cum este cel de sus,o sa-l schimb,ms.

Link către comentariu
Distribuie pe alte siteuri

  • 6 months later...
  • 2 months later...

Salutare.

Imi cer scuze daca postez gresit, daca omit ceva rog moderatorii sa mute postarea in locul potrivit.

Doresc si eu sa imi pun proiectoare in faruri la golful meu, am achizitionat faruri, bloc lumini, inclusiv instalatia cu releul 53. Problema este urmatoare, unde trebuie legate firele 30 si 86 de pe releu pt ca in momentul in care dau faza lunga proiectoarele sa se stinga? Puteti sa ma ajutati cu o schema cat mai sugestiva daca va rog? Multumesc mult!

 

Link către comentariu
Distribuie pe alte siteuri

30 la alimentare directa printr-o siguranta, iar 86 la unul din firele de faza lunga de la cele 2 faruri.

Link către comentariu
Distribuie pe alte siteuri

Deci sa inteleg ca 30 merge in panoul cu sigurante si 86 pe manete de faza lunga-faza scuta?

Link către comentariu
Distribuie pe alte siteuri

Alin_Gabriel_09

Salutare. Este cineva prin Craiova sau imprejurimi care ma poate ajuta sa fac legaturile intre bocul de lumini si proiectoare? Masian este VW Bora.

Link către comentariu
Distribuie pe alte siteuri

  • 2 months later...

Stie cineva daca proiectoarele din far de la bora se potrivesc in farurile de golf?Am faruri care au in locul proiectoarelor un dop prins in doua suruburi si am gasit in dezmembrari faruri de bora cu proiectoare pe o masina de anglia.ms

 

Link către comentariu
Distribuie pe alte siteuri

Din ce stiu nu se potrivesc, difera dimensiunea.Ca sa faci modificarea asta trebuie altbloc lumini si fir tras, nu sunt plug and play chiar daca gasesti de Golf

Link către comentariu
Distribuie pe alte siteuri

  • 2 weeks later...

Salutare!

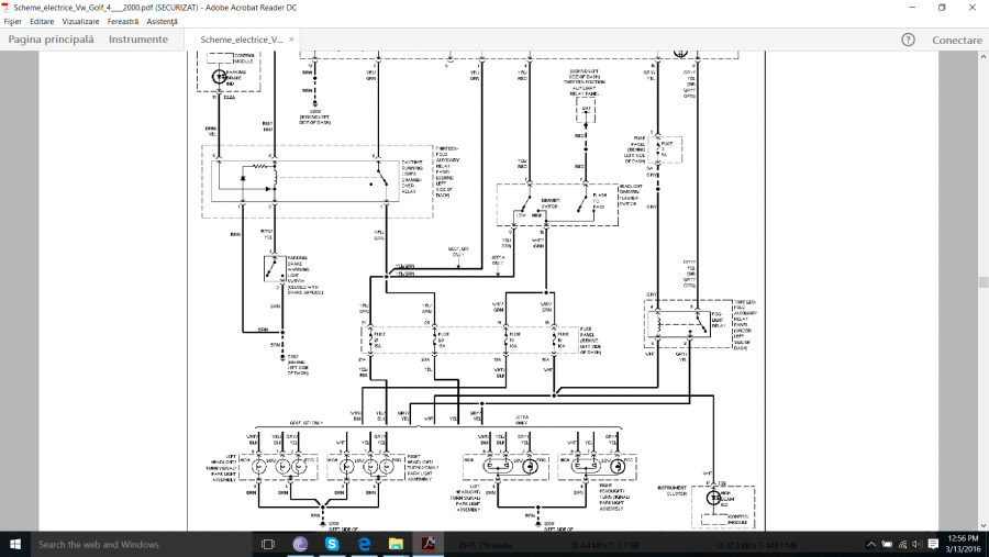
Ma adresez in special cunoscatorilor si celor care au mai realizat aceasta operatiune. Doresc sa montez proiectoare in farurile Valeo ale unui golf 4 care nu a avut montate proiectoare de fabrica. Dupa nenumarate cautari am reusit sa gasesc schema oem a acestora, dupa care am inceput munca, mai apoi a intervenit urmatarea problema: firul gri de pe relu,pinul 4/86.

Mergand dupa schema, incepand din panoul de sigurante am reusit sa il identific, acesta se mai inadeste cu vreo 3 fire dintre care unul este acesta care merge normal pe releu, problema este ca nu reusesc sa il gasesc si sa il pot lega pe releu, pt ca instalatia este partial facuta din fabrica. Urmarindu-l am obsevat ca acesta intra in tubulatura de sub volan cu tot acel manunchi de fire, ceea ce mi-e greu sa ma apuc de demontat si nu ma prea incumet sa fac asta pt. un singur fir. Intrebarea mea este unde se afla acest fir, cum il pot gasi si ce sfaturi imi puteti da pentru a realiza montajul oem al proiectoarelor? 

Va rog ajutati-ma sa termin aceasta lucrare si sa realizez montajul oem corect al proiectoarelor.

Am atasat mai jos si schema dupa care vreau sa realizez montajul.

 

proiectoare.png

Link către comentariu
Distribuie pe alte siteuri

On 2/23/2015 at 11:42 PM, RDU said:

Mai bine folosesti un buton separat.post-16527-14247276669616_thumb.jpg

Unde se paote gasi releu 12vdc 40a ?

Eu am totul pe masina mai putin releul si firele .

Link către comentariu
Distribuie pe alte siteuri

Pentru a adăuga comentarii este necesară înregistrarea sau autentificarea

Trebuie să aveţi un cont de membru pentru a adăuga comentarii

Înregistrare membru

Înscrierea unui nou cont de membru. Este foarte uşor!

Înregistrare cont nou

Autentificare

Aveţi deja un cont de membru? Conectaţi-vă aici.

Autentificare în cont
 Share

  • Activi pe această pagină   0 membri

    • Niciun utilizator înregistrat nu vizualizează această pagină acum.
×
×
  • Create New...

 Functionarea acestui site este sustinuta de cele cateva bannere afisate intre posturi. Ar fi o placere pentru noi daca ar fi adaugat site-ul nostru in lista de exceptii ad-block in browserul tau. Promitem si veti vedea ca nu avem reclame intruzive si nici deranjante (nimic cu sunet,video sau all-screen). Multumim!